
http://www.ce-transducer.com 3rdFloor,building1, Zaimaoindustrialpark, Baoji road, Bantian, Longgangdistrict,
sales@ce-transducer.com ShenzhenCity, ChinaPostcode:518049
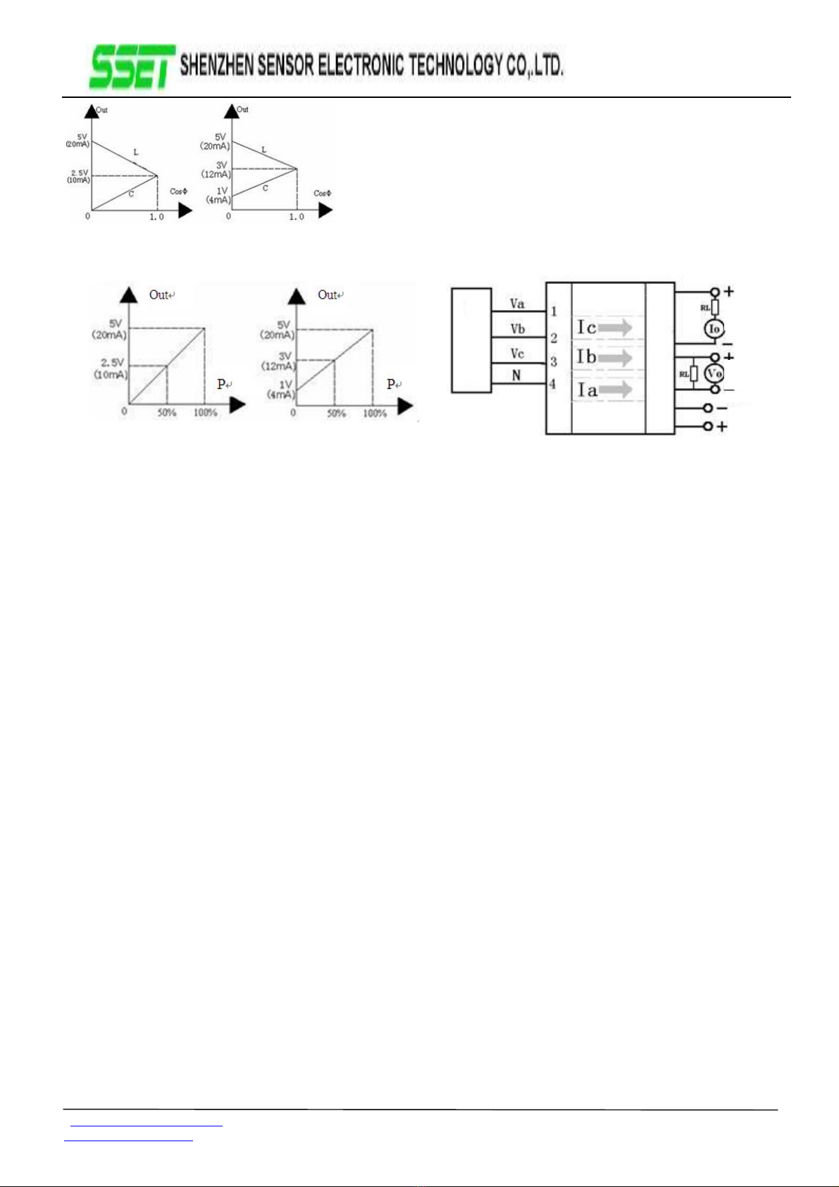
Fig 12,bipolarityFig 13, bipolarity
2.5 2.5V(10 10mA)output 3 2V(12 8mA)output
Fig 14,polarityFig15,polarity
0-5V 0-20mA)output 1-5V 4-20mA)output
Fig 16,bipolarityfig 17, bipolarity
2.5 2.5V(10 10mA)output 32V(12 8mA)output
9 Product’sService
1Installation
1.1 DIN rail installationmethod:
①Thetransducerfixedon thesideofthecardslotand hook
on themountingrail;
②Pull thespringpindown;
③Clipthetransducermounton themountingrail;
④Release thespringpinandclipthetransmitteron the
mountingrail.
1.2 Screwmountingmethod:
①4mmdiameterholeinthefixedplateaccordingtotheposition
ofthescrewholeshowninFig. 13;
②Use thescrew Φ3.5toinsert intoholeandsecureit.
2Productsfactoryhas beenaccuratelysetaccordingtothe
"productstandard".Applypowerafterdeterminethecorrect
wiring.
3Themaximumwirediameteroftheterminalblockis2mm
(16-26AWG).Removethe4mm~5mminsulationlayerfromthe
end ofthemountingwireand insert it intotheterminalblock,then
tightenthescrew.
4Productsupplypowerrequires theisolationvoltage ≥2000VAC,
ACripple<10mV. Multipletransducerscanshareacommon setof
powersupplies,butthepowercircuit cannolongerbeusedto
driverelaysand othercanproduce spikes intheload,inorderto
avoidinterference signaltransmission tothetransducer.
5 Thetransducersoutput0-20mA(or4-20mA),theRLstandardis ≤
250Ω,and0-5VvoltageoutputRLstandardis ≥1KΩ,canguarantee
theoutputaccuracyand linearityovertheentireratedinputrange.
10Example ofproductaccuracy levelverification
1Accordingtothedefinitionofthetransducerterminalstoconnect
thetestcircuit.
Fig.18
2Thetestshallbecarriedoutunderthefollowingenvironmental
conditions:
Note: Thevoltageoutputismeasuredwithavoltmeterand the
currentoutputismeasuredwithanIometer.
2Thetestshallbecarriedoutunderthefollowingenvironmental
conditions:
◆Powersupply:nominal 5%, ripple ≤10mV;
◆Ambienttemperature:25 °C 5°C;
◆Relativehumidity:RH (45 ~80)%;
◆Theaccuracyofthesignalsource and measurement
instrumentis0.05%above.
3Powerpreheat2min;
4Usinghigh-precisionpowersignalsource toinputthevalueof
voltageand currentand thecorrespondingphase, and recordthe
displaydataofcalibrator,inordertoensuretheveracityofthe
accuracy,please entervoltageand currentsignalsmorethan20%of
theproductrang.Thecurrentcanbeinputusingtheampere-turn
method.
5Exampleforconversion relationshipofoutputand measured
value:(Powerfactorproducts:Vovoltageoutput,Iocurrentoutput,
Cpowerfactor).
Iftheoutputis0-5V,thenC=Vo÷ 5V;
Iftheoutputis4-20mA, thenC=(Io-4mA)÷16mA;
Iftheoutputis0-2.5V-5Vmorethan2.5V, aadvance powerfactor
and inductiveload, C=(5V-Vo)÷2.5V;Whenoutputisless than
Currentoutput
Voltageoutput
Powersupply