
2
TABLE OF CONTENTS
1. GENERAL ········································································· 3
2. TEST MODE····································································· 4
3. DIAGRAMS········································································ 5
3-1. Circuit Boards Location ·············································· 5
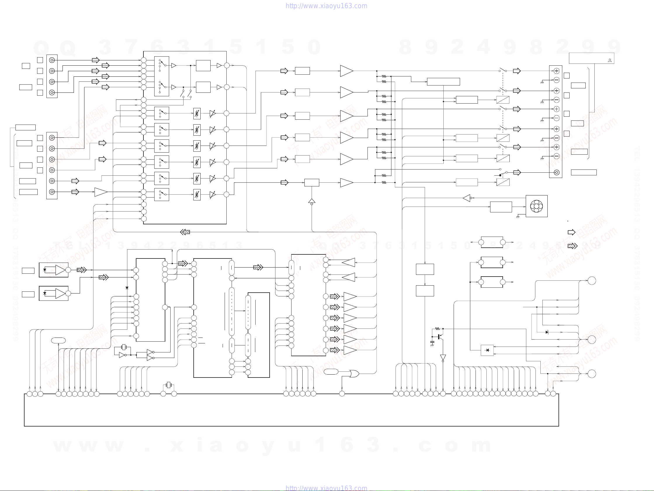
3-2. Block Diagram
– MAIN Section – ······················································· 6
– POWER Section – ···················································· 7
3-3. Printed Wiring Boards – DIGITAL Section – ··········· 8
3-4. Schematic Diagram – DIGITAL Section (1/2) – ········ 9
3-5. Schematic Diagram – DIGITAL Section (2/2) – ······ 10
3-6. Printed Wiring Boards
– OPTICAL / SIGNAL BRIDGE Section –············· 11
3-7. Schematic Diagram
– SIGNAL BRIDGE Section –·································· 11
3-8. Schematic Diagram – DISPLAY Section – ·············· 12
3-9. Printed Wiring Boards – DISPLAY Section –·········· 13
3-10. Printed Wiring Boards – MAIN Section – ··············· 14
3-11. Schematic Diagram – MAIN Section (1/2) – ··········· 15
3-12. Schematic Diagram – MAIN Section (2/2) – ··········· 16
3-13. Printed Wiring Boards – POWER Section – ············ 17
3-14. IC Pin Function Description ······································ 18
3-15. IC Block Diagrams ···················································· 19
4. EXPLODED VIEWS····················································· 20
5. ELECTRICAL PARTS LIST····································· 22
•Grounding connectionat thetwo pointsbetweenthe MAIN
board and the chassis is necessary while the main power
to the MAIN board is turned on.
• Jig is used to inspect the DIGITAL board.
1. Between the DIGITAL board CNS807 and OPTICAL board CNP807
8 P/L=300 (A-2501-2060A)
2. Between the DIGITAL board CNS808 and SIGNAL BRIDGE
board CNS808
18 P/L=300 (A-2501-207-A)
SAFETY-RELATED COMPONENT WARNING!!
COMPONENTS IDENTIFIED BY MARK 0OR DOTTED LINEWITH
MARK 0ON THE SCHEMATIC DIAGRAMS AND INTHE PARTS
LIST ARE CRITICAL TO SAFE OPERATION. REPLACE THESE
COMPONENTS WITH SONY PARTS WHOSE PART NUMBERS
APPEAR AS SHOWN IN THIS MANUAL OR IN SUPPLEMENTS
PUBLISHED BY SONY.
Flexible Circuit Board Repairing
• Keep the temperature of soldering iron around 270˚C
during repairing.
• Do not touch the soldering iron on the same conductor of the
circuit board (within 3 times).
• Be careful not to apply force on the conductor when soldering
or unsoldering.
w
w
w
.
x
i
a
o
y
u
1
6
3
.
c
o
m
Q
Q
3
7
6
3
1
5
1
5
0
9
9
2
8
9
4
2
9
8
T
E
L
1
3
9
4
2
2
9
6
5
1
3
9
9
2
8
9
4
2
9
8
0
5
1
5
1
3
6
7
3
Q
Q
TEL 13942296513 QQ 376315150 892498299
TEL 13942296513 QQ 376315150 892498299
http://www.xiaoyu163.com
http://www.xiaoyu163.com