
Table Of Content
PRODUCT COMPONENTS PAGES
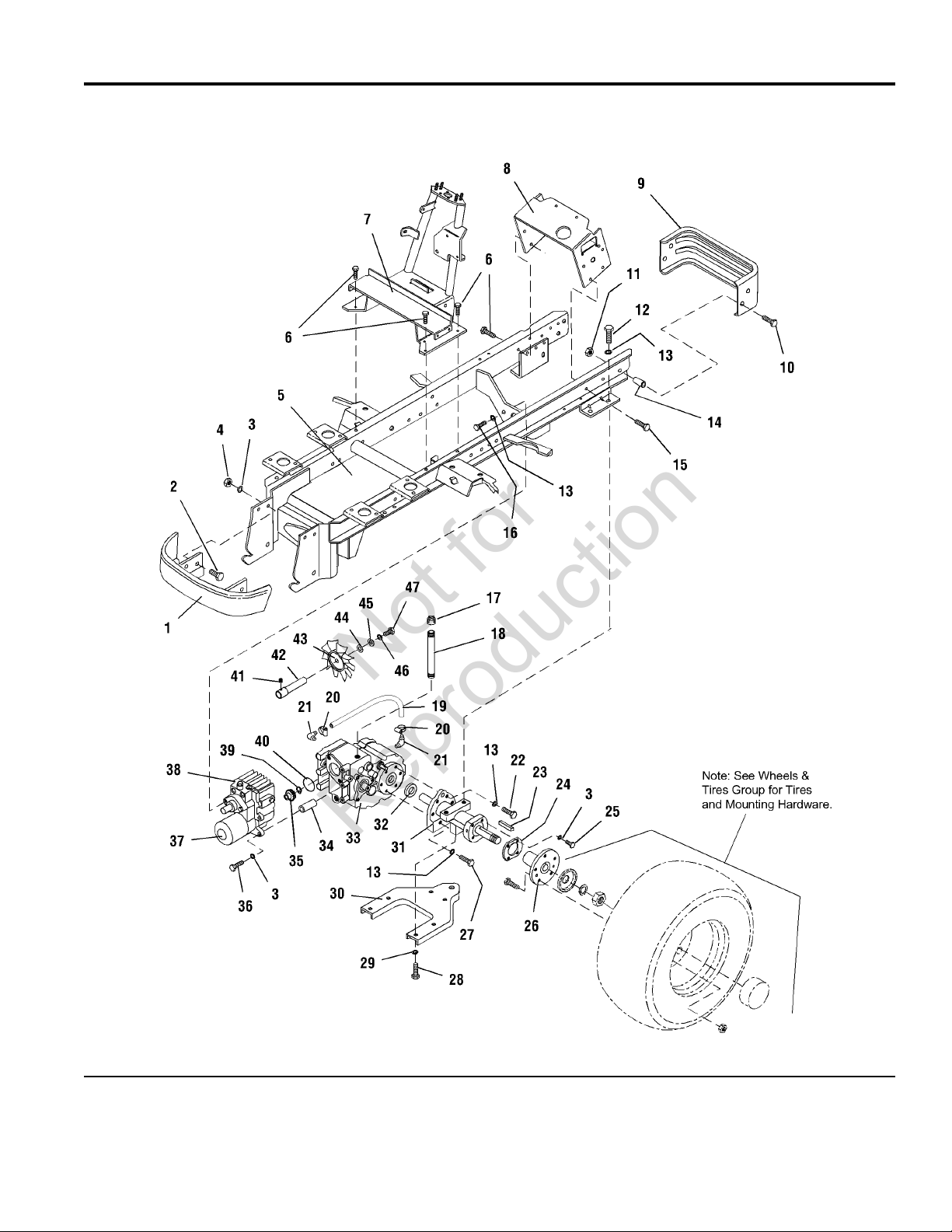
Frame & Transaxle Group ................................................................................................................................... 4
Front Axle & Steering Group ................................................................................................................................ 8
Hydraulic Steering Unit - SERVICE PARTS ........................................................................................................ 12
Engine Mounting & PTO Group ........................................................................................................................... 14
Drive Shaft - SERVICE PARTS ........................................................................................................................... 18
Drive Shaft - SERVICE PARTS ........................................................................................................................... 20
Drive Shaft & Throttle Group ................................................................................................................................ 22
Front PTO Group ................................................................................................................................................. 24
Hydraulic Group ................................................................................................................................................... 26
Gearbox - SERVICE PARTS ............................................................................................................................... 28
Gearbox - SERVICE PARTS ............................................................................................................................... 30
Gearbox - SERVICE PARTS ............................................................................................................................... 32
Axle Housing Service Parts - Peerless Model 2650-007 ..................................................................................... 34
Transaxle Service Parts - Peerless Model 2600-025 .......................................................................................... 36
Brake Control & Parking Brake Group ................................................................................................................. 40
Foot Control, Cruise & Diff Lock Group ............................................................................................................... 44
Two Speed Control Group ................................................................................................................................... 48
Electrical Group - Lower Harness ........................................................................................................................ 50
Electrical Group - Main Harness .......................................................................................................................... 52
Hood, Dash & Footrest Group ............................................................................................................................. 56
Seat & Deck Group .............................................................................................................................................. 58
Fuel Tank Group .................................................................................................................................................. 60
Implement Lift Group ............................................................................................................................................ 62
Wheels & Tires Group .......................................................................................................................................... 64
Decals - Brand & Model ....................................................................................................................................... 66
Decals - Safety & Common .................................................................................................................................. 68
Decals Group - Safety & Common ...................................................................................................................... 70
48" Mower Housing, Cover & Gauge Wheel Group ............................................................................................ 72
60" Mower Housing, Cover & Gauge Wheel Group ............................................................................................ 74
Hydrostatic Pump - SERVICE PARTS ................................................................................................................ 76
Radiator & Hose Group ........................................................................................................................................ 80
Tilt Assembly - SERVICE PARTS ........................................................................................................................ 82
48" Mower Drive, Belt, Arbor & Blade Group ....................................................................................................... 84
60" Mower Drive, Belt, Arbor & Blade Group ....................................................................................................... 88
48" Mower Height Adjust & Hitch Group .............................................................................................................. 92
60" Mower Height Adjust & Hitch Group .............................................................................................................. 96
48" Mower Deflector & Stone Guard Group ........................................................................................................ 100
60" Mower Deflector & Stone Guard Group ........................................................................................................ 102
48" Mower - Baffles Kit ......................................................................................................................................... 104
48" Mower Baffle & Inner Roller Group ............................................................................................................... 106
48" Mower Deck - Baffle & Inner Roller Group .................................................................................................... 108
48" Mower Deck - Baffles (Export Models) .......................................................................................................... 110
48" Mower Deck - Deflector & Stone Guard Group ............................................................................................. 112
48" Mower Deck - Drive, Belt, Arbor & Blade Group ........................................................................................... 114
48" Mower Deck - Height Adjust & Hitch Group .................................................................................................. 118
48" Mower Deck - Housing, Cover & Gauge Wheel Group ................................................................................. 122
48" Mower Deck - Roller Bar Group - (Serial No. 1 to 59999) ............................................................................ 124
48" Mower Deck - Roller Bar Group - (Serial No. 60000 and above) ................................................................. 126
48" Mower Roller Bar Group - .............................................................................................................................. 130