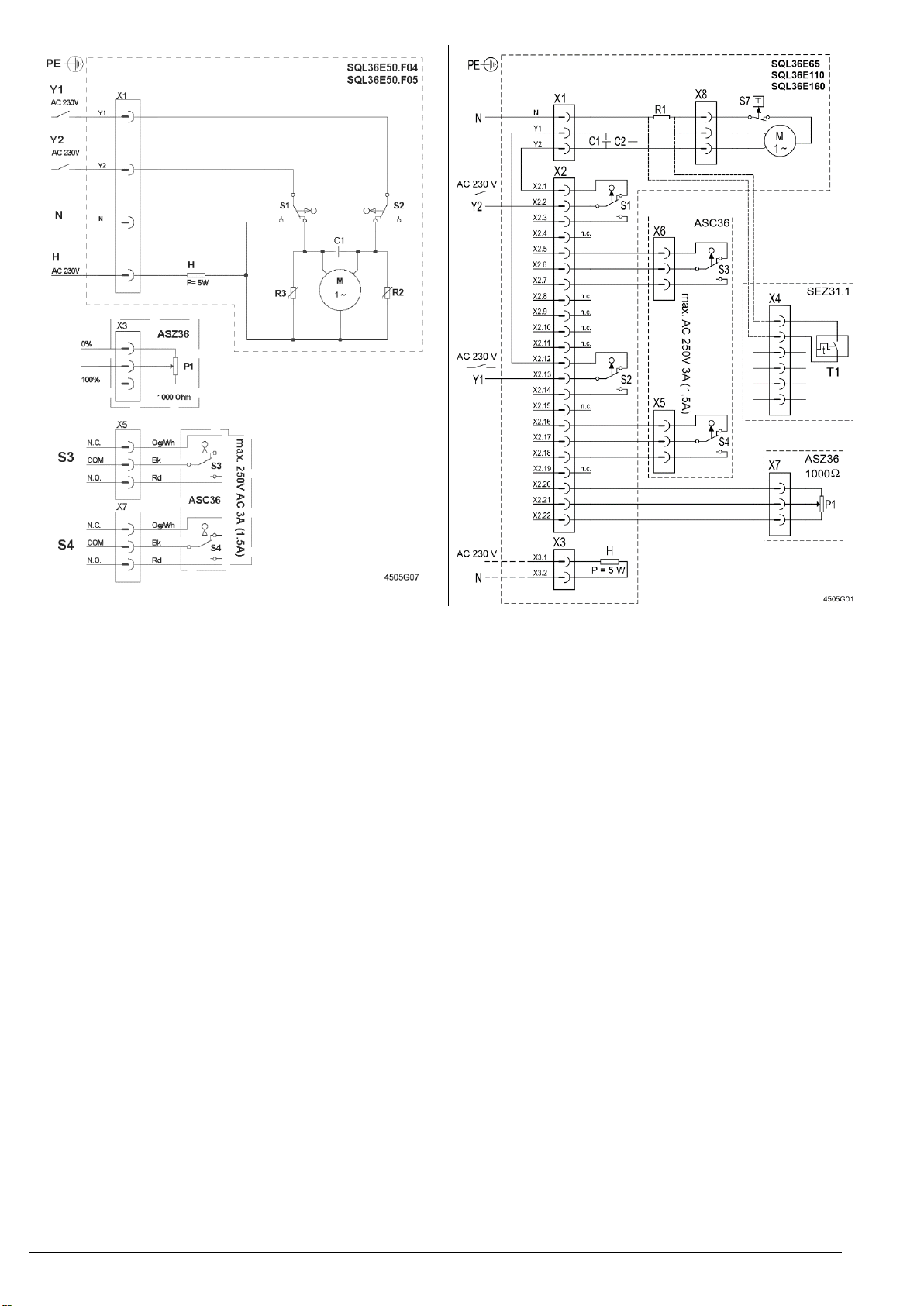
Siemens SQL36E65 Manual de usuario
Otros manuales de Controladores de Siemens

Siemens
Siemens 125-5033 Manual de usuario

Siemens
Siemens MT Series Manual del propietario

Siemens
Siemens N 543D31 Manual de usuario

Siemens
Siemens TIASTAR SFIM-7002A-0901 Manual de usuario

Siemens
Siemens acvatix SSC319 Manual de usuario

Siemens
Siemens OpenAir GIB132.1P Manual del propietario

Siemens
Siemens SINUMERIK 840D sl Manual de lista de piezas

Siemens
Siemens SINUMERIK 840DE Manual de usuario

Siemens
Siemens Simatic S7-300 Instrucciones de montaje

Siemens
Siemens SQL36E50F04 Manual de usuario

Siemens
Siemens RWD44U Guía del usuario

Siemens
Siemens LMG2 Series Manual de usuario

Siemens
Siemens OpenAir GDE141.1U Manual del propietario

Siemens
Siemens RVD230 Manual del operador

Siemens
Siemens SIMATIC S5 Manual de usuario

Siemens
Siemens SIMOCODE pro Guía del usuario

Siemens
Siemens SIRIUS 3RW40 5 Manual de usuario

Siemens
Siemens SINUMERIK 840 Manual técnico

Siemens
Siemens 81000 series Manual de usuario

Siemens
Siemens OpenAir GMA 1 Series Guía de instalación





























