1. Model ................................................................................................................................................................ 5
1.1 Model .......................................................................................................................................................... 5
1.2 How to Read the Model Label .................................................................................................................... 5
2. Names and Functions of Controller ................................................................................................................. 6
3. Mounting to the Control Panel ......................................................................................................................... 7
3.1 Site Selection .............................................................................................................................................. 7
3.2 External Dimensions (Scale: mm) .............................................................................................................. 7
3.3 CT (Current transformer) External Dimensions (Scale: mm) ..................................................................... 7
3.4 Mounting to and Removal from the DIN Rail ............................................................................................. 8
4. Wiring ............................................................................................................................................................... 9
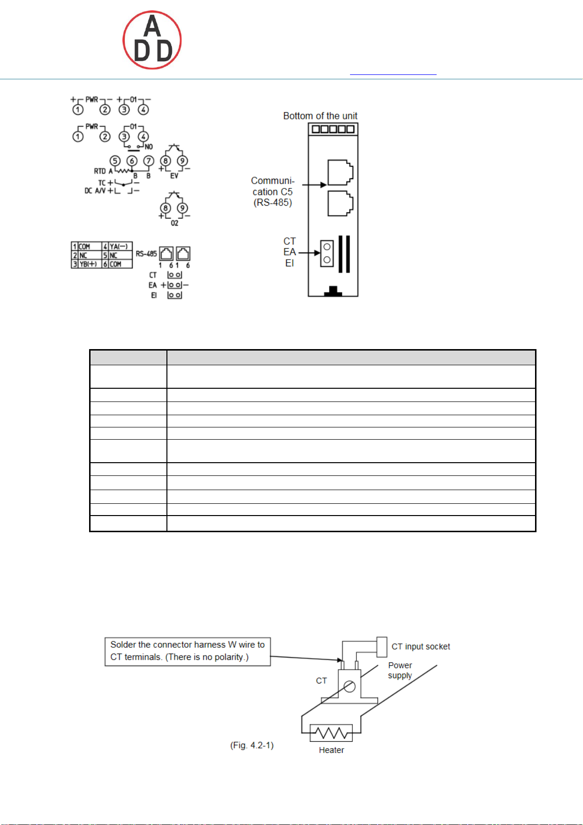
4.1 Terminal Arrangement .............................................................................................................................. 10
4.2 Heater Burnout Alarm Output (W option) ................................................................................................. 10
5. Setup .............................................................................................................................................................. 11
5.1 Main Setting Mode .................................................................................................................................... 12
5.2 Sub Setting Mode ..................................................................................................................................... 12
5.3 Auxiliary Function Setting Mode 1 ............................................................................................................ 14
5.4 Auxiliary Function Setting Mode 2 ............................................................................................................ 15
5.5Auxiliary Function Setting Mode 3 ........................................................................................................... 19
5.6 Output MV (manipulated variable) Indication ........................................................................................... 26
6. Simplified Converter Function ........................................................................................................................ 27
6.1 Fine Adjustment of Converter Output (4 to 20 mA DC) ........................................................................... 28
6.2 Converter Setting Example ...................................................................................................................... 29
7. Operation ........................................................................................................................................................ 30
8. Action Explanations ........................................................................................................................................ 31
8.1 OUT1 Action ............................................................................................................................................. 31
8.2 OUT1 ON/OFF Control Action .................................................................................................................. 31
8.3 Heater Burnout Alarm Action .................................................................................................................... 32
8.4 Alarm Action ............................................................................................................................................. 32
8.5 OUT2 (Heating/Cooling Control) Action ................................................................................................... 34
8.6 OUT2 Action (When Setting Overlap Band) ............................................................................................ 35
8.7 OUT2 Action (When Setting Dead Band) ................................................................................................ 36
9. AT (Auto-tuning) ............................................................................................................................................. 37
10. Specifications ............................................................................................................................................... 38
10.1 Standard Specifications .................................................. エラー! ブックマークが定義されていません。
10.2 Optional Specifications ........................................................................................................................... 38
11. Troubleshooting............................................................................................................................................ 44
11.1 Indication ................................................................................................................................................ 44
11.2 Key Operation ......................................................................................................................................... 45
11.3 Control .................................................................................................................................................... 46
12. Character Table............................................................................................................................................ 47
12.1 Main Setting Mode .................................................................................................................................. 47
12.2 Sub Setting Mode ................................................................................................................................... 47
12.3Auxiliary Function Setting Mode 1 ......................................................................................................... 48
12.4Auxiliary Function Setting Mode 2 ......................................................................................................... 49
12.5Auxiliary Function Setting Mode 3 ......................................................................................................... 51