6
R-610DK
R-610DW
R-610DS
OPERATION
DESCRIPTION OF OPERATING SEQUENCE
Thefollowingisadescriptionofcomponentfunctionsduring
oven operation.
OFF CONDITION
Closing the door activates the door sensing switch and
secondary interlock switch. (In this condition, the monitor
switch contacts are opened.)
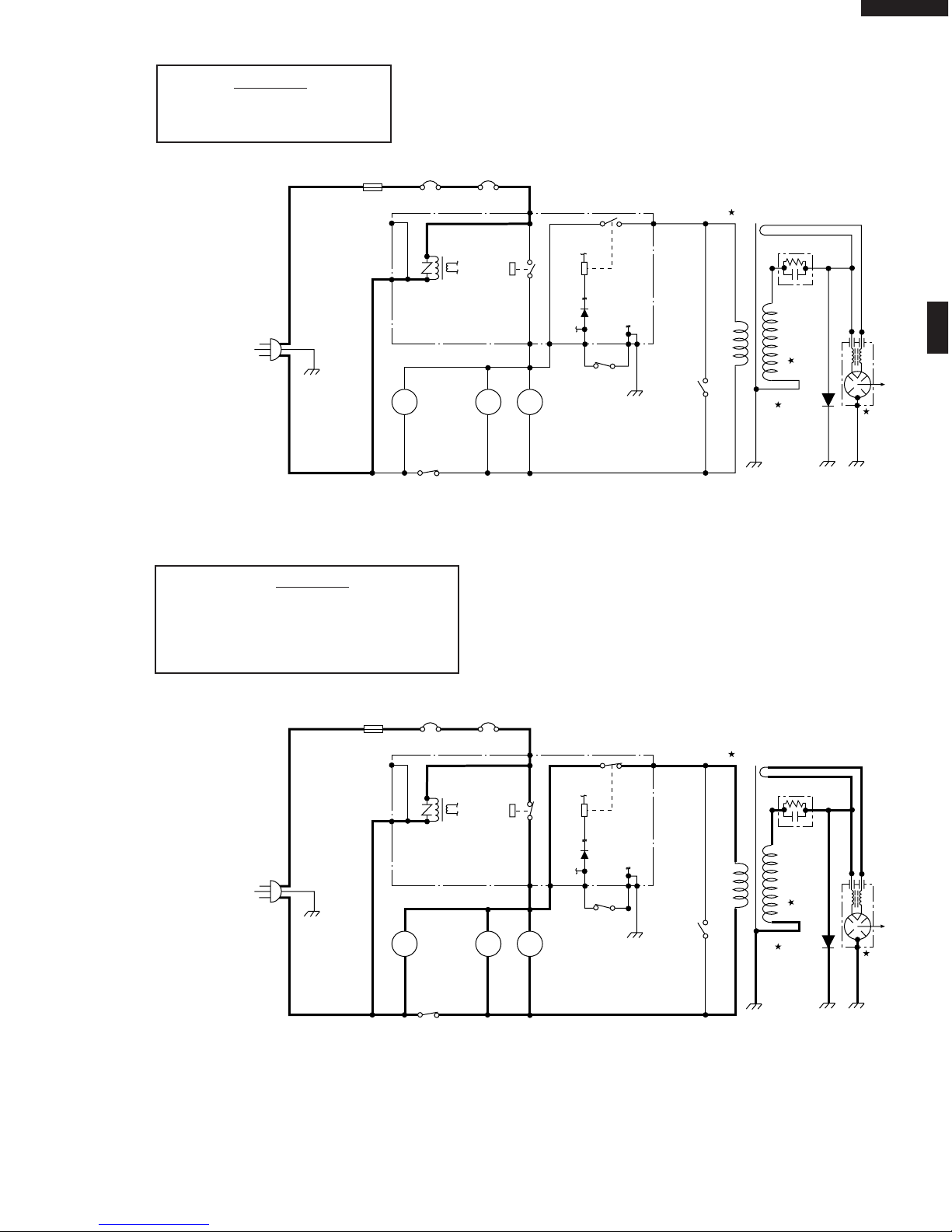
When oven is plugged in, 120 volts A.C. is supplied to the
control unit. (Figure O-1).
1. The display will show flashing "88:88".
Tosetanyprogramorsettheclock,youmustfirsttouch
theSTOP/CLEAR pad. Thedisplay will clear,and " : "
will appear.
COOKING CONDITION
Program desired cooking time by touching the NUMBER
pads. Program the power level by touching the POWER
LEVEL pad and then a Number pad.
When the START pad is touched, the following operations
occur:
1. The contacts of relays are closed and components
connected to the relays are turned on as follows.
(For details, refer to Figure O-2)
RELAY CONNECTED COMPONENTS
RY-1 oven lamp/turntable motor/fan motor
RY-2 power transformer
2. 120 volts A.C. is supplied to the primary winding of the
power transformer and is converted to about 3.3 volts
A.C. output on the filament winding, and approximately
2400 volts A.C. on the high voltage winding.
3. The filament winding voltage heats the magnetron
filamentandtheH.V.windingvoltageissenttoavoltage
doubler circuit.
4. The microwave energy produced by the magnetron is
channelled through the waveguide into the cavity feed-
box, and then into the cavity where the food is placed to
be cooked.
5. Upon completion of the cooking time, the power
transformer, oven lamp, etc. are turned off, and the
generation of microwave energy is stopped. The oven
will revert to the OFF condition.
6. When the door is opened during a cook cycle, the
monitorswitch,doorsensingswitch,secondaryinterlock
switch, relay (RY1) and primary interlock relay are
activated with the following results. The circuits to the
turntable motor, the cooling fan motor, and the high
voltage components are de-energized, the oven lamp
remainson,andthedigitalread-outdisplaysthetimestill
remaining in the cook cycle when the door was opened.
7. Themonitorswitchelectrically monitorstheoperationof
the secondary interlock switch and primary interlock
relay and is mechanically associated with the door so
that it will function in the following sequence.
(1)When the door opens from the closed position, the
primary interlock relay (RY2) and secondary interlock
switch open their contacts. And contacts of the relay
(RY1)remainsclosed.Thenthemonitorswitchcontacts
close.
(2)When the door is closed from the open position, the
monitor switch contacts open first. Then the contacts of
the secondary interlock switch and door sensing switch
close. And contacts of the relay (RY1) open.
Ifthesecondaryinterlock switchandprimaryinterlockrelay
(RY2)failwiththecontactsclosedwhenthedoorisopened,
the closing of the monitor switch contacts will form a short
circuitthroughthemonitorfuse,secondaryinterlockswitch,
relay (RY1) and primary interlock relay (RY2), causing the
monitor fuse to blow.
POWER LEVEL P-0 TO P-90 COOKING
When Variable Cooking Power is programmed, the 120
voltsA.C.issuppliedtothepowertransformerintermittently
throughthecontactsofrelay(RY-2)whichisoperatedbythe
controlunitwithina32secondtimebase.Microwavepower
operation is as follows:
VARI-MODE ON TIME OFF TIME
P-HI (100% power) 32 sec. 0 sec.
P-90 (approx. 90% power) 30 sec. 2 sec.
P-80 (approx. 80% power) 26 sec. 6 sec.
P-70 (approx. 70% power) 24 sec. 8 sec.
P-60 (approx. 60% power) 22 sec. 10 sec.
P-50 (approx. 50% power) 18 sec. 14 sec.
P-40 (approx. 40% power) 16 sec. 16 sec.
P-30 (approx. 30% power) 12 sec. 20 sec.
P-20 (approx. 20% power) 8 sec. 24 sec.
P-10 (approx. 10% power) 6 sec. 26 sec.
P-0 (approx. 0% power) 0 sec. 32 sec.
Note: The ON/OFF time ratio does not correspond with
the percentage of microwave power, because
approx. 2 seconds are needed for heating of the
magnetron filament.