
eNod3-C
Digital Transmitter
eNod3-C: User’s instructions
NU-eNod3C-E-0911_165702-I
3/22
1GENERAL PRESENTATION:.............................................................................. 4
1.1 Dimensions: ..................................................................................................................................... 4
1.2 General characteristics: ................................................................................................................... 5
2INTERFACES: ..................................................................................................... 7
2.1 Connection to the power supply: ..................................................................................................... 7
2.2 Connection to load cell(s): ............................................................................................................... 7
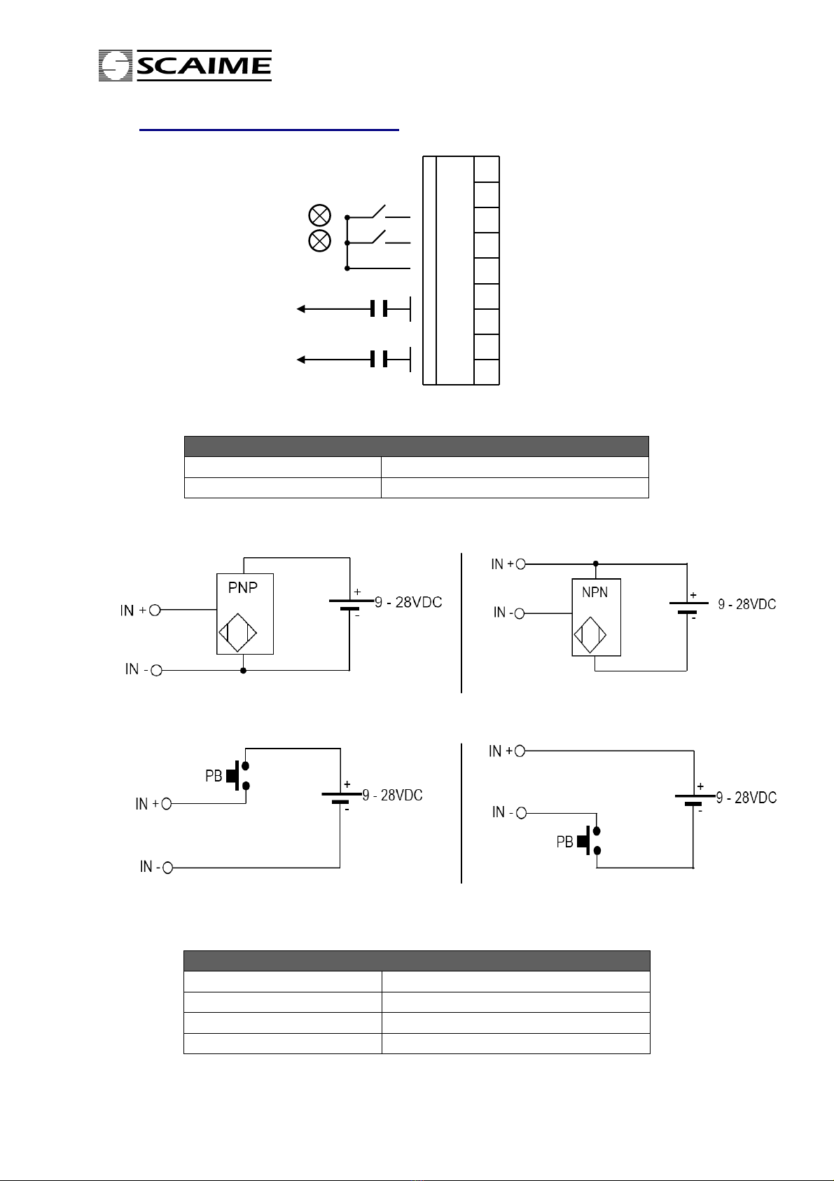
2.3 Connection of Inputs & Outputs:...................................................................................................... 8
2.3.1 Digital inputs .......................................................................................................................... 8
2.3.2 Digital outputs........................................................................................................................ 8
2.4 COMMUNICATION INTERFACES:................................................................................................. 9
3COMMUNICATION:............................................................................................. 9
3.1 ModBus RTU: ................................................................................................................................ 10
3.2 SCMBus:........................................................................................................................................ 10
3.2.1 Fast SCMBus format: .......................................................................................................... 10
3.3 CANopen®..................................................................................................................................... 10
4USE IN LEGAL FOR TRADE APPLICATIONS :............................................... 11
4.1 Introduction .................................................................................................................................... 11
4.2 Legal for trade parameters ............................................................................................................ 11
4.3 Sealing ........................................................................................................................................... 11
4.3.1 Physical sealing :................................................................................................................. 11
4.3.2 Software sealing :................................................................................................................ 11
4.4 Specific requirements : .................................................................................................................. 11
5CALIBRATION................................................................................................... 12
5.1 Calibration types: ........................................................................................................................... 12
5.2 Linearization correction:................................................................................................................. 12
6INPUTS FUNCTIONING: ................................................................................... 13
6.1 Assignment of inputs: .................................................................................................................... 13
6.2 General functions:.......................................................................................................................... 13
6.3 Functions attached to an operating mode: .................................................................................... 13
7OUTPUTS FUNCTIONING: ............................................................................... 14
7.1 Assignment of outputs: .................................................................................................................. 14
7.2 General functions:.......................................................................................................................... 14
7.3 Functions attached to an operating mode: .................................................................................... 14
8SET POINTS:..................................................................................................... 15
9FILTERS: ........................................................................................................... 16
10 TRANSMITTER OPERATING MODE:............................................................ 17
10.1 Measurement reading request:...................................................................................................... 17
10.1.1 Single measurement transmission: ..................................................................................... 17
10.1.2 Continuous measurement transmission: ............................................................................. 17
10.2 Specific commands through an input:............................................................................................ 17
10.2.1 Transmit measurement (fig. 4) ............................................................................................ 17
10.2.2 Measurement window (fig.5) ............................................................................................... 17
10.2.3 Clear .................................................................................................................................... 17
11 CHECKWEIGHER OPERATING MODE:........................................................ 17
11.1 Determination of the weight: .......................................................................................................... 18
11.2 Providing the result value : ............................................................................................................ 19
11.2.1 Outputs synchronization:..................................................................................................... 19
11.2.2 With the SCMBus protocol: ................................................................................................. 19
11.2.3 With the ModBus protocol: .................................................................................................. 19
11.2.4 With the CANopen® protocol: ............................................................................................. 19
11.3 Management of Set-points:............................................................................................................ 19
11.4 Dynamic zero ................................................................................................................................. 20
11.5 Checkweigher zero automatic correction ...................................................................................... 20
12 PEAK CONTROL OPERATING MODE:......................................................... 21
12.1 Non-triggered operating mode:...................................................................................................... 21
12.2 Triggered operating mode: ............................................................................................................ 21
12.3 Management of Set-points:............................................................................................................ 22
12.4 Other possible outputs assignments:............................................................................................. 22