-9-
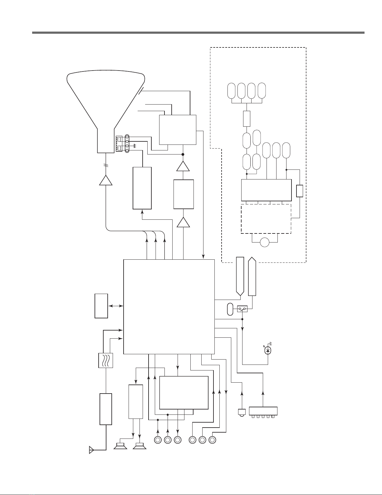
Service Adjustments with Replacing Memory IC(IC801)
(/JE0336D)
Following table shows the initial values which have been stored in the CPU ROM, and items for the service adjustments.
Service mode adjustments table in CPU ROM
No. Item Range Data Description
01 VIF VCO ADJ 0 ~ 3F 21 VIF VCO free-running frequency fine adjustment
02 STRAP ADJ 0 ~ 3F 0C SOUND trap free-running frequency fine adjustment
03 H VCO ADJ 0 ~ F 8 HORIZONTAL VCO free running frequency fine adjustment
04 SECAM BLK LEVEL (R) 0 ~ 3F 32
SECAM-(R-Y) signal black level adjustment
05 SECAM BLK LEVEL (B) 0 ~ 3F 1A
SECAM-(B-Y) signal black level adjustment
06 V SIZE 50 0 ~ 3F 10 V Ramp amplitude adjustment (Vertical Size) for PAL
07 V-SIZE 50 ZOOM 0 ~ 3F 33 V-Size for Zoom Mode PAL
08 V-SIZE 50 WIDE
0 ~ 3F
14 V-Size for Wide Mode PAL
09 V-SIZE 60
-1F ~ 20
4 V Ramp amplitude adjustment (Vertical Size) for NTSC
10 V SIZE 60 ZOOM -1F ~ 20 0 V-Size for Zoom Mode NTSC
11 V SIZE 60 WIDE -1F ~ 20 5 V-Size for Wide Mode NTSC
12 V S CORRECT 50 0 ~ 3F 23 V-S Correction control for PAL
13 V S CORRECT 60 -1F ~ 20 -07 V-S Correction control for NTSC
14 V LINEARITY 50 0 ~ 3F 20 V Linearity control for PAL
15 V LINEARITY 60 -1F ~ 20 0 V Linearity control for NTSC
16 V SHIFT 50 0 ~ F 6 V Ramp start timing point adjustment 2 line/step (V position) for PAL
17 V SHIFT 60 -7 ~ 8 -02 V Ramp start timing point adjustment 2 line/step (V position) for NTSC
18 AFC2 H PHASE 50 0 ~ 1F 11 Horizontal Phase (H-Position) adjustment for PAL
19 AFC2 H PHASE 50 ZOOM 0 ~ 1F 10 Horizontal Phase (H-Position) ZOOM adjustment for PAL
20 AFC2 H PHASE 50 WIDE 0 ~ 1F 11 Horizontal Phase (H-Position) WIDE adjustment for PAL
21 AFC2 H PHASE 60 0 ~ 1F 02 Horizontal Phase (H-Position) adjustment for NTSC
22 AFC2 H PHASE 60 ZOOM 0 ~ 1F 02 Horizontal Phase (H-Position) ZOOM adjustment for NTSC
23 AFC2 H PHASE 60 WIDE 0 ~ 1F 01 Horizontal Phase (H-Position) WIDE adjustment for NTSC
24 EHT V 0 ~ 7 0 EHT Vertical Function 0: OFF 1: Gain UP
25 EHT HSIZE 0 ~ 7 0 EHT Horizontal Size Function 0: OFF 1: Gain UP
26 EHT PARABOLA 0 ~ 7 0 EHT Parabola Function 0: OFF 1: Gain UP
27 EW STOP 0 ~ 1 0 East West Function disable 0:On 1: Off
28 E/W UP/LOW ON 0 ~ 1 1 East /West Corner
29 E/W PARABOLA 50 0 ~ 3F 13 East West Parabola 50 Adustment
30 E/W CORNER UPPER 50 0 ~ 3F 1F East West Upper Corner 50 Adustment
31 E/W CORNER LOWER 50 0 ~ 3F 1D East West Lower Corner 50 Adustment
32 E/W TRAPEZIUM 50 0 ~ 3F 25 East West Trapezium 50 Adustment
33 E/W H SIZE 50 0 ~ 3F 18 East West H-Size 50 Adustment
34 E/W PARABOLA 60 0 ~ 3F 03 East West Parabola 60 Adustment
35 E/W CORNER UPPER 60 0 ~ 3F 05 East West Upper Corner 60 Adustment
36 E/W CORNER LOWER 60 0 ~ 3F 03 East West Lower Corner 60 Adustment
37 E/W TRAPEZIUM 60 0 ~ 3F 0 East West Trapezium 60 Adustment
38 E/W H SIZE 60 0 ~ 3F 01 East West H-Size 60 Adustment
39 CONTRAST CONTROL 0 ~ 2F 06 Contrst Control (Offset Data)
40 BRIGHTNESS CONTROL 0 ~ 3F 3F Brightness Control (Offset Data)
41 TINT CONTROL TV -3F ~ 40 15 Tint Control (Offset Data) for TV
42 TINT CONTROL AV -3F ~ 40 38 Tint Control (Offset Data) for AV
43 SERVICE SW 0 ~ 1 0 Vertical Output ON/OFF Switch (Contrast Control)
44 VRAMP OFF
0 ~ 1
0 Vertical Output ON/OFF Switch ON/OFF
45 V AGC SPEED UP
0 ~ 1
0 V Ramp AGC Speed
46 Y/C TEST ON
0 ~ 1
0