
II-SEC60x-EN-R1709! ! ! ! 6!/!12!
5. Settings!before!system!start!
When!the!electric!wires!have!been!connected!to!the!controller,!the!following!points!must!be!attended!
to!before!the!regulation!starts:!
!
!
!
!
!
!
!
!
!
!
!
!
!
!
!
!
!
!
!
!
!
!
!
!
!
!
!
!
!
!
!
!
!
!
!
!
!
!
!
!
!
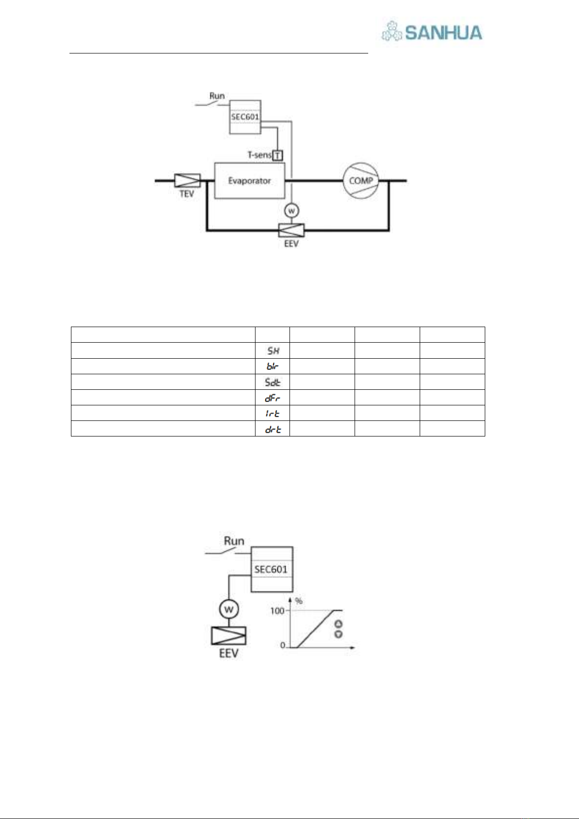
Select!refrigerant!in!menu!2!RFY!parameter.!
Currently!for!every!controller!8!kinds!of!refrigerants!
can!be!chosen:!
SEC601/SEC602:! !
22=R22,!410=R410A,!234=R1234ze,!34Y=R1234yf,!
290=R290,!404=R404A,!407=R407C,!134=R134a!
!
SEC605/SEC606:!
404=R404A,!07A=!R407A,!07F=R407F,!
448=R448A/R449A,!290=R290,!452=R452A,!744=R744,!
134=R134a!
!
3)!EEV!valve!type!
If!the!default!can't!match!your!request,!you!can!select!
the!right!parameter!in!menu3.!
Expansion!valve!excitation!type!
Expansion!valve!total!pulse!
Expansion!valve!open!pulse!
!
4)!Target!superheat!setting!
Set!the!target!superheat!of!your!system.!If!the!target!
superheat!value!is!too!small,!the!refrigerant!may!not!
If!the! value! is! too! big,! the!
evaporator!has!low!energy! efficiency.! Please! set!the!
appropriate! target! superheat! value! according!to! the!
actual!system!requirements.!
!
5)!Start!open!ratio!and!duration!time!
If! RUN! switch! is! turned! on,! valve! will! be! opened! by!
start! open! ratio.! After! that! maintain! it! during! start!
open!ratio!duration!time!and!start!to!control.!
!
6)!PID!parameter!adjustment!
According!to! the!actual!system!condition,!adjust!the!
PID!parameters!and!let!the!system!superheat!meet!to!
target!superheat.!
Set!DIP!SW!switch!according!to!the!EEV!information!
In!default!mode,all!DIP!SW!
is!OFF!
DIP!SW2:!OFF,!DIP!SW3:!OFF!
1-2!PH!excitation!
500!pulses,!30PPS!
DIP!SW2:!OFF,!DIP!SW3:!ON!
2!PH!excitation!type,!
2000!pulses,!100PPS!
DIP!SW2:!ON,!DIP!SW3:!ON!
drive!by!user!Input!at!
DIP!SW1:!OFF,!DIP!SW4:!OFF!
-Superheat!control!
-Automatic!or!use!RS485!
DIP!SW1:!ON,!DIP!SW4:!ON!
-Drive!mode!
-BY! external! signal! from! J5!
DIP!SW1:!ON,!DIP!SW4:!OFF!
DIP!SW1:!OFF,!DIP!SW4:!ON!
-!Precise!temp.!control!
!