
Installation
DH80 Recessed, FP Escutcheon
To install the DH80 with the FP Escutcheon as a recessed
sprinkler cut a 25
/
8” diameter hole in the wall as shown in Fig-
ure1. Remove temporarily the plastic protective cap, then use
the W4 wrench to tighten the sprinkler until secured in the sprin-
kler tting. This wrench can only be inserted one way. Care
must be taken not to damage the deflector during tightening.
Apply a PTFE based sealant to the sprinkler threads before in-
stalling in the tting. When inserting or removing the wrench
from the sprinkler cup, care must be taken to prevent damage
to the sprinkler. Wrench only on the square boss. DO NOT
WRENCH ON ANY OTHER PART OF THE SPRINKLER. It is
recommended that the sprinkler be protected during plastering
and painting operations by reinstalling the protective cap P/N
6802710003. Installation is completed by removing the protec-
tive cap and inserting the push-on escutcheon. Turn clockwise
to adjust the escutcheon against the wall.
DH80 Recessed, F2 Escutcheon
To install the DH80 with the F2 Escutcheon as a recessed
sprinkler cut a 2¼” diameter hole in the wall as shown in Figure
2. Thread the DH80 into the collar hand tight. Apply a PTFE
based sealant to the sprinkler threads and install in the tting.
Wrench only on the square boss. The W4 wrench can only be
inserted one way. When inserting or removing the wrench from
the sprinkler cup care must be taken to prevent damage to the
sprinkler. DO NOT WRENCH ON ANY OTHER PART OF THE
SPRINKLER. It is recommended that the sprinkler be protected
during plastering and painting operations by using the protec-
tive cap P/N 6999991009. These must be ordered separately.
Installation is completed by removing the protective cap and in-
serting the F2 Escutcheon over the collar.
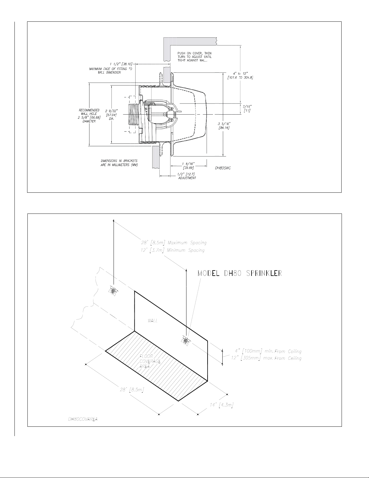
DH80 with SWC Cover Plate Concealed
To install the sprinkler, cut a 25
/
8” diameter hole into the wall
as shown in Figure1. A PTFE based thread sealant should be
applied to the sprinkler threads only. Remove the protective cap
(P/N 6802710003) and then position the W4 wrench into the
sprinkler/cup assembly until the wrench engages the flats of
the square boss and tighten the sprinkler into the pipe tting.
The W4 wrench can only be inserted one way. When insert-
ing or removing the wrench from the sprinkler/cup assembly,
care should be taken to prevent damage to the sprinkler. DO
NOT WRENCH ON ANY OTHER PART OF THE SPRINKLER.
The protective caps should be reinstalled for protection during
plastering and painting. Remove caps only when covers are be-
ing installed. The cover assembly is then pushed onto the cup.
Cover assemblies provide ½” (13mm) of adjustment. Final ad-
justment is made by turning the cover clockwise until the skirt
flange makes full contact with the wall surface. Cover removal
requires turning in the counter- clockwise direction.
Concealed cover/cup assemblies are listed only for use with
specic sprinklers. The use of any other concealed cover/cup
assembly with the Model DH80 Horizontal Sidewall Sprinkler or
the use of the concealed cover assembly on any sprinkler with
which it is not specically listed will void all guarantees, warran-
ties, listings and approvals.
Note: DH80 and DH80 Recessed Sprinklers have orange bulb
protectors to minimize bulb damage during shipping, handling,
and installation. REMOVE THIS PROTECTION AT THE TIME
THE SPRINKLER SYSTEM IS PLACED IN SERVICE FOR FIRE
PROTECTION. Removal of the protectors before this time may
leave the bulb vulnerable to damage. RASCO wrenches are de-
signed to install sprinklers when covers are in place. REMOVE
PROTECTORS BY UNDOING THE CLASP BY HAND. DO NOT
USE TOOLS TO REMOVE THE PROTECTORS.
Technical Data:
K Factor Thread
Size
Temperature
Rating Maximum
Ambient
Temperature
Sprinkler
Identification
Number
(SIN)
US Met-
ric Sprinkler SWC
Cover
8.0 115,3 ¾”
155°F
(68°C)
135°F
(57°C)
135°F
(57°C)
100°F
(38°C) RA0362
Coverage Area
Flow Rate
gpm (L/min)
Pressure
psi (bar)
Maximum Coverage Area
Width x Length
ft x ft (m xm)
40 (151,4) 25 (1,7) 28 x 14 (8,5 x 4,3)
Approval Type:
• Quick Response, Extended Coverage.
• Approved for installation in accordance with NFPA 13
for light hazard occupancies.
Maintenance
Model DH80 should be inspected and the sprinkler maintained
in accordance with NFPA 25. Do not clean sprinklers with soap
and water, ammonia or any other cleaning fluids. Remove dust
by using a soft brush or gentle vacuuming. Remove any sprin-
kler/cover assembly, which has been painted (other than factory
applied) or damaged in any way. A stock of spare sprinklers
should be maintained to allow quick replacement of damaged
or operated sprinklers. Prior to installation, sprinklers should be
maintained in their original cartons and packaging until used to
minimize the potential for damage to sprinklers that would cause
improper operation or non-operation.
2.
Note: Minimum spacing between DH80 sprinklers is 12’ (3.7m).