
GENERAL INSTALLATION & OPERATION INSTRUCTIONS
IMPORTANT SAFEGUARDS:
1. To ensure the success of the installation, be sure to read the instructions and review the diagrams thoroughly
To ensure the success of the installation, be sure to read the instructions and review the diagrams thoroughly
2. To avoid possible electric shock, be sure electricity is turned off at the main power box before wiring.
To avoid possible electric shock, be sure electricity is turned off at the main power box before wiring.
All
electrical connections must be made in accordance with local codes, ordinances and/or the National Electric
Code. If you are unfamiliar with the methods of installing electrical wiring and products, secure the services of a
qualified and licensed electrician as well as someone who can check the strength of the supportive ceiling
members and make the proper installation(s) and connections.
3. Make sure that your installation site will not allow rotating fan blades to come in contact with any object. Blades
should be at least 7 feet from floor.
4. When mounting on a ceiling outlet box, an approved box UL listed as "suitable for fan support"
"suitable for fan support"
is required. The
box and its supporting members must be able to support the moving weight of the fan's listed weight. The box
must not be able to twist or work loose. Installation on a concrete ceiling should be performed by qualified
personnel.
5. Blades should be attached after motor housing is hung and in place. Fan motor housing should be kept in the
carton until ready to be installed to protect its finish. If you are installing more than one ceiling fan, make sure
that you do not mix fan blade sets
do not mix fan blade sets
, as each blade is part of a weighted set.
6. After making electrical connections, spliced conductors should be turned upward and pushed carefully up into
outlet box. The wires should be spread apart with the common conductor and the grounding conductor on one
side of the outlet box, and the "HOT" wires on the other side.
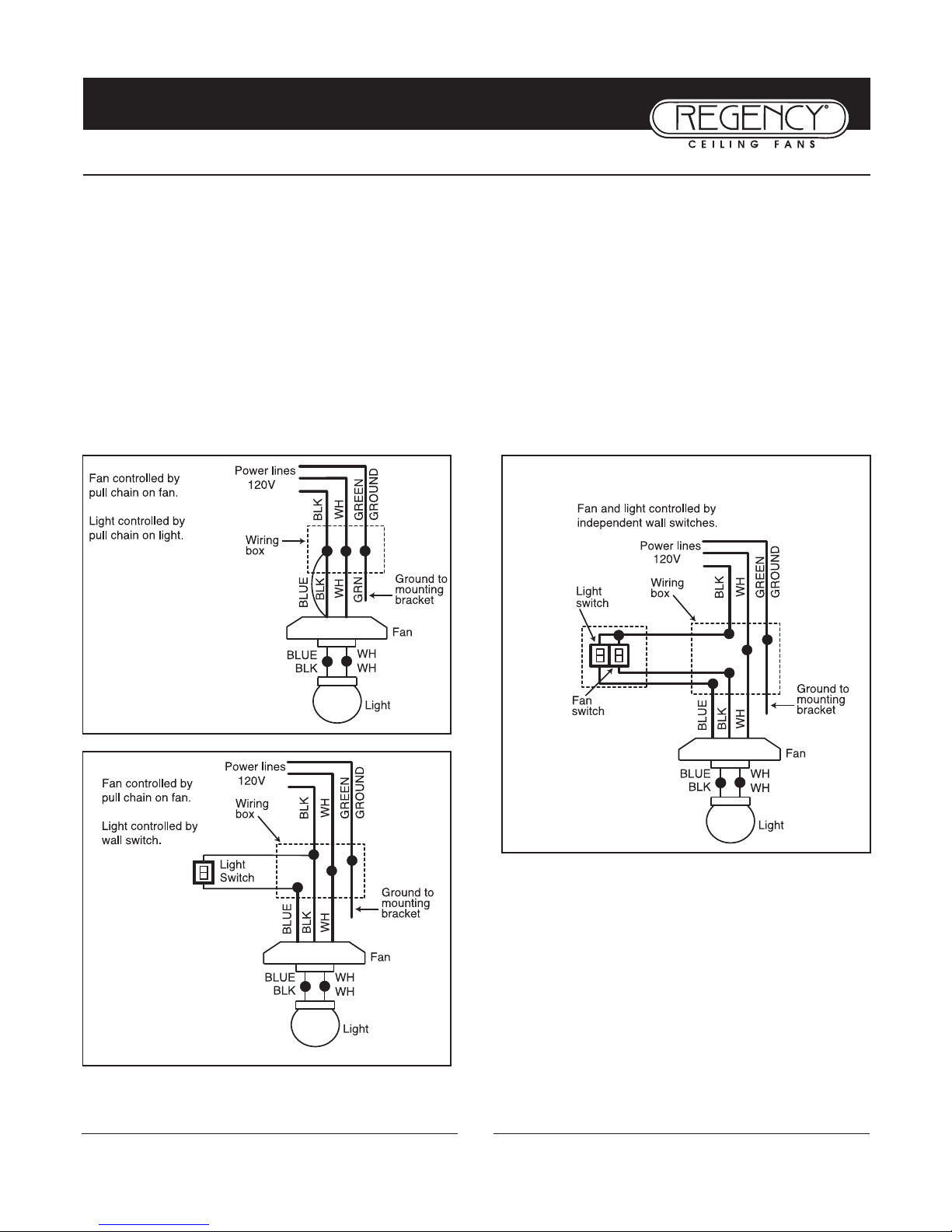
7. Electrical diagrams are for reference only.
8. After fan is completely installed, check to make sure that all connections are secure to prevent fan from falling
and/or causing damage or injury.
9. The fan can be made to work immediately after installation - the bearings are adequately charged with grease so
that, under normal conditions, further lubrication should not be necessary for the life of the fan.
10. Do not operate the reverse switch while the fan blades are in motion. The fan must be turned off and the blades
stopped before reversing the blades direction.
Notice:
This appliance is equipped with a "Wattage Limiting Device" required by the United States Department of
Energy. The device has been installed at the factory and can not be removed. Installing Lamps in excess of 190 total
watts will disable the unit's light fixture. If this should happen, you will need to reset the lighting fixture by turning
the power off to the ceiling fan and/or light fixture, reinstalling lamps totaling less that 190 watts and then turning
the power back on.
1
Weight of Fan: 15.4 Lbs