
DISPLAY RESULT OF “P” BUTTON
“Pro”<>“0” Causes the indicator to return to normal display mode. Any
changes to set-up data are permanently stored in the
E2PROM.
“Pro” <>“1” Entry into this module allows the user to select the decimal
point position, unit rounding and scaling by the method of
applying the actual signal levels to the indicator that
correspond to the programmed display values. Use this
method when the transducer is connected to the process and
the process can be brought to known levels (ie. weight, flow,
pressure, etc.). Alternately, a precision signal source may
be substituted to simulate the transducer. A second method
is available in Pro 2.
“Pro” <>“2” Entry into this module allows the user to select the decimal
point position and unit rounding, as in Pro 1, but the method
of scaling differs in that the user keys in signal levels instead
of applying signals to the indicator. Use this method when
the signal transducer is pre-calibrated with known display
values at known signal levels. An alternate method is
available in Pro 1.
“Pro” <>“3” Module #3 allows the user to program what can be accessed
from the front panel when the PGM. DIS. (Program
Disable, TBA #3) pin is connected to common. This feature
protects critical set-up data from accidental modification
while allowing access to setpoints and other functions. The
front panel lock-out menu (quick programming) includes
setpoint modification, totalizer resetting, and peak/valley
resetting.
Note: The term “Quick Programming” is used to refer to
the ability to change the information that can be
accessed from the front panel when the “PGM. DIS.”
terminal is connected to “COMM.”.
DISPLAY RESULT OF “P” BUTTON
“Pro”<>“4” Module #4 programs the digital filtering level and the
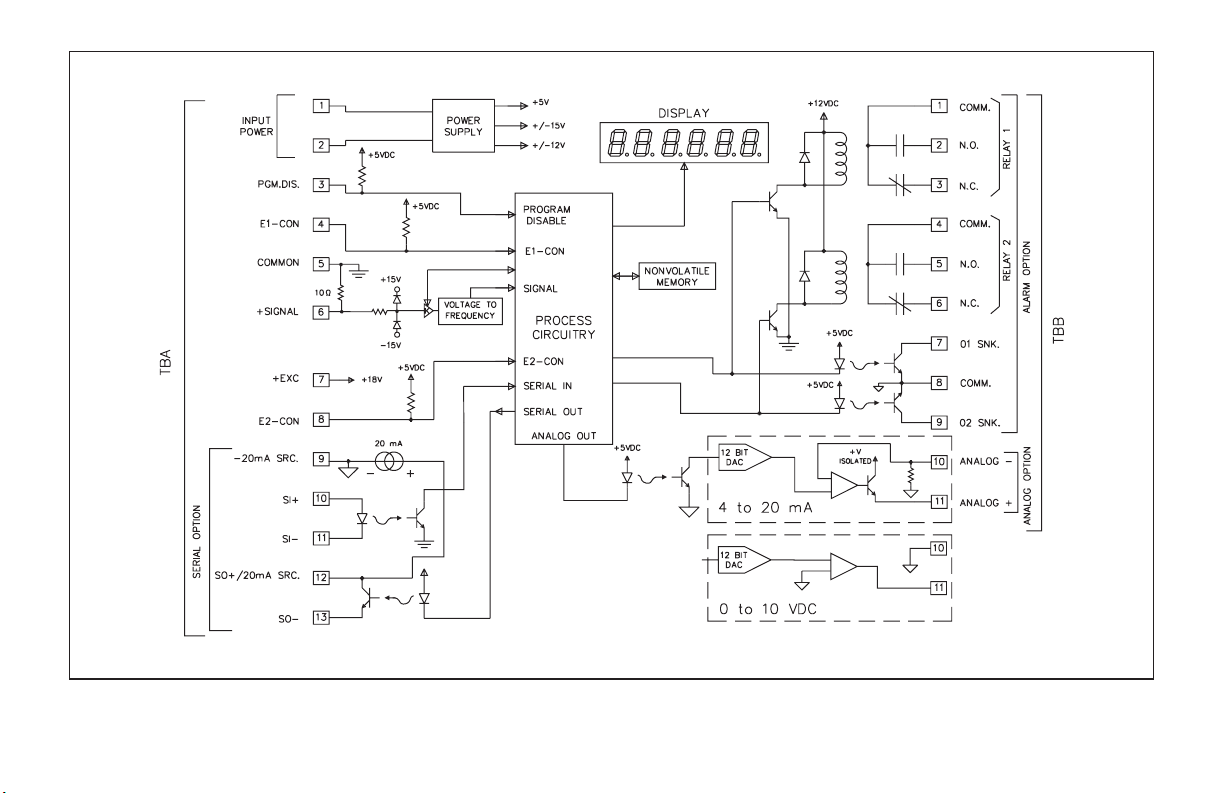
function of the remote input ”E1-CON" pin (TBA #4), and,
if the totalizer option is installed, the remote input
“E2-CON” pin (TBA #8). The functions of the remote E1
and E2 pins are the same and include display hold, peak/
valley modes, totalizer reset, alarm reset, signal re-zero
(tare), reading synchronization or print request.
“Pro” <>“5” This module sets the time base, scale factor and low signal
disable function for the optional totalizer/ integrator.
“Pro” <>“6” This module allows programming for the basic
configuration of the alarm option. The programming
includes HI/LO acting, tracking, alarm display, latched or
auto-reset, assignment to either signal or
integrator/totalizer, and alarm and hysteresis values.
“Pro” <>“7” Module #7 is the serial communication parameter
programming. Baud rate, unit address, print request
function and condensed prints are all programmable.
“Pro”<>“8” This module allows digital scaling of the retransmitted
analog output. Display values that correspond to 4 mA or 0
VDC and 20 mA or 10 VDC are keyed-in to scale the output
and it may be assigned to either the signal or the
totalizer/integrator.
“Pro”<>“9” This module is the service operations sequence and is not
normally accessed by the user. This step re-calibrates the
basic input and is used to compensate for long-term drift.
Execution of this module should be done by technicians
with the proper equipment in accordance with a
maintenance plan of yearly recalibrations. A code number
entry step is used to protect from inadvertent entries. Also,
there is a number of other access codes which provide test
and set-up changes as an aid in troubleshooting.
-5-