
Manual-4
CP 62 CONNECTION
This section covers the most basic of systems. This
product is very versatile, so variations on system hookup are
encouraged to get the most out of your application. The CP
62 chassis must be earth grounded via a wire connected from
the chassis ground screw on the rear of the unit to a known
earth ground. When first connecting the CP 62 to other
components, leave the power supply for last. That goes for
the power in all other components of the system as well. This
allows you to connect the cables and make sure they are
correct without damaging your speakers, ears and nerves.
PROGRAM INPUTS 1-3
The program inputs are conventional unbalanced RCA
phono jacks. Connect these inputs to any line level signal
source such as a CD player, cassette player, AM/FM stereo
tuner, VCR audio outputs, VDP audio outputs, TV audio
outputs or music service.
LINE 4/PRIORITY INPUT
This input uses the same connector as inputs 1-3 above
but with a priority function. When signal appears at this input,
the CP 62 automatically switches internally from whatever
PROGRAM INPUT is selected on the front panel to the LINE
4/PRIORITY INPUT. An AUTOMATIC PRIORITY OVER-
RIDE switch on the rear panel determines which zone(s) this
input overrides. When the line 4 signal is absent for more than
30 seconds, the CP 62 automatically switches back to the
previous signal source and slowly fades the audio level from
silence to normal volume (nice touch, eh?). It can be used for
Jukeboxes or any intermittent music source that gets turned
on and off. Some examples of intermittent sources would
include compact disc players, cassette decks or karaoke. If a
TV is connected, simply turning on the TV will automatically
switch the CP 62 from music to TV. Turning off the TV
defaults back to the previous program source. This feature
provides an easy switch for transparent operation.
PAGING INPUTS
There are two. The MIC input is a 3-pin balanced connec-
tor. The PHONE/LINE input is an unbalanced ¼" TS phone
jack intended to connect to the telephone system’s paging
output transformer or any other line level paging source.
ZONE OUTPUTS
These are ¼" TRS balanced phone jacks. ZONE 1
OUTPUT provides a stereo zone. The ZONE 1 MODE switch
can convert this to dual mono or stereo.
When in MONO, it is possible to use zone 1 as two mono
zones with the same source. The individual dual mono levels
are set by daisy chaining two optional R2 remote controls.
This overrides the front panel level control.
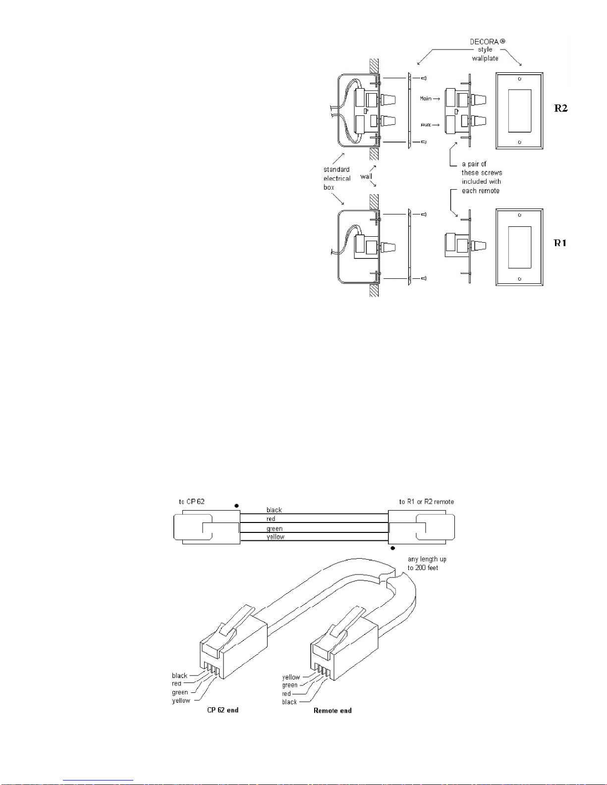
SOURCE & LEVEL REMOTE INPUTS
Two 4-pin modular jacks on the rear control source and
level remotely using an optional R2 remote control unit for
each zone.
REMOTE ZONE ASSIGN INPUT JACK
If only one paging input (MIC or PHONE/LINE) is
required, this jack needs no connection. Just set your chosen
input on the rear PAGING INPUT ASSIGN SWITCH: to the
right for MIC or to the left for PHONE/LINE. This gives zone
assign control to the front panel ZONE ASSIGN switch.
However, if two separate paging inputs are desired, this
jack must be used. There are two connection options:
1. The optional R1 remote control unit: The R1 allows
remote selection of paging ZONE 1, ZONE 2 or BOTH (just
like the front panel ZONE ASSIGN switch – only up to 200
feet away!). The R1 is selected to control either the MIC or
PHONE/LINE input via the rear PAGING INPUT ASSIGN
SWITCH. The front panel ZONE ASSIGN switch defaults to
the other input.
2. The supplied configuration adaptor: With this we hard-
wire (literally) the setting normally selected by the R1. To
select zone 1, connect the black & green wires together. To
select zone 2, connect the black & red wires together.To
select both zones, connect the black, red & green wires
together. Insulate all wires when through with this procedure.
NOTE: You must use straight copper stranded telephone
wire (not tinsel wire) for the remote hookups—200 feet
maximum of 28-26 gauge 4 conductor telephone wire.
PAGING PRIORITY INTERNAL JUMPER OPTION
If you use only one paging input, the position of this
jumper is unimportant. However, if both paging inputs are
used, this jumper determines priority if paging occurs
simultaneously. The other input is temporarily locked out
under this condition.
This feature is set from the factory in the MIC priority
position. To change priority to the PHONE/LINE input,
disconnect any power to the CP 62, remove the top cover, and
refer to the assembly diagram in this manual. Locate J21,
located in the left center of the board. Lift the jumper from
the MIC side and replace it on the PHONE side. Replace the
cover. Now the PHONE/LINE input overrides the MIC input
in case of a simultaneous page.
LINE 4 INPUT PRIORITY INTERNAL JUMPER OPTION
To defeat the automatic line 4 priority switching, discon-
nect any power to the CP 62, remove the top cover, and refer
to the assembly diagram in this manual. Locate and remove
the J22 jumper (or offset it one pin). This jumper is located
behind the MIC INPUT jack. Replace the cover. Automatic
override is defeated.