
Profelmnet |6033 WiFi | 3
Declaration of Conformity - CE
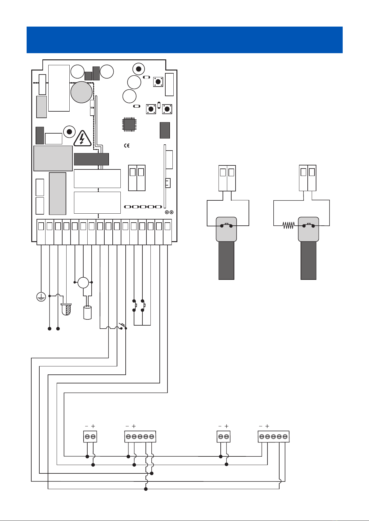
6033 WiFi control board 230VAC
SECURITY INFORMATION
6033 control board is the ideal connectivity solution for sliding and swing gates, rolling shutters and
barriers that makes access smarter and easier. The user has the possibility to make all the settings of
the automation via his mobile phone and also to manage his gate from wherever he is, using the WiFi
network.
The manufacturer L. PSARROS & SIA OE declares that the product
6033 wifi control board 230VAC is according to European Directives
requirements of RADIO EQUIPMENT DIRECTIVE (RED) 2014/53/EU
and ELECTROMAGNETIC COMPATIBILITY EMC 2004/108/EC and
satisfies all the applicable standards to the product
Carefully read the instructions before beginning to install the product. To ensure the safety of
people, it is important that the installer reads all the following installation instructions. Incorrect
installation or incorrect use of the product could cause serious harm to people.
Read and follow the instructions below:
1. The product must be used and installed in accordance with its design.
2. Save these instructions for future use.
3. Before proceeding with any connection or programming, turn off the power supply.
4. It is necessary to use 6A/30mA differential leakage relay to power the equipment.
5. Do not change or modify the automation materials, without first contacting
Profelmnet.
6. Do not allow children or pets to be near the gate when it is in operation.
7. Keep the remote controls out of the reach of children, to prevent inadvertent
operation of the door.
8. The installation, maintenance or repair of the automation shall be carried out by
qualified personnel.
9. The installation of photocells is essential for the safety of vehicles passing through.
10. It is necessary to install a safety edge contact for the safe passage of the
pedestrians.
11. In the area where the 6033 automation will be installed, the WiFi signal strength
from your router should be, at least, -60dbm. Otherwise, Profelmnet bears no
liability for failure of the product.
12. It is mandatory to install external terminal switches ( mechanical or magnetic) to
indicate the exact position of the gate.
13. It is recommended to install a visual control device (camera), to monitor the
movement of the gate in order to avoid accidents.
14. IIn case the motor is under manual release, turn off the power supply of the
automation.
15. Profelmnet, as the manufacturer, reserves the right to make changes to the product
without notice.
16. Anything not listed in these instructions is not appropriate.