Contents
1. Introduction .............................................................................................................................................................................................................. 3
1.1 Features ................................................................................................................................................................................................................... 3
2. Installation and Conguration ................................................................................................................................................................................... 5
2.1 Package Contents..................................................................................................................................................................................................... 5
2.2 Basic Conguration of Fastrax II Dome Camera System ............................................................................................................................................ 6
2.2.1 Single Multiplexer..................................................................................................................................................................................................... 7
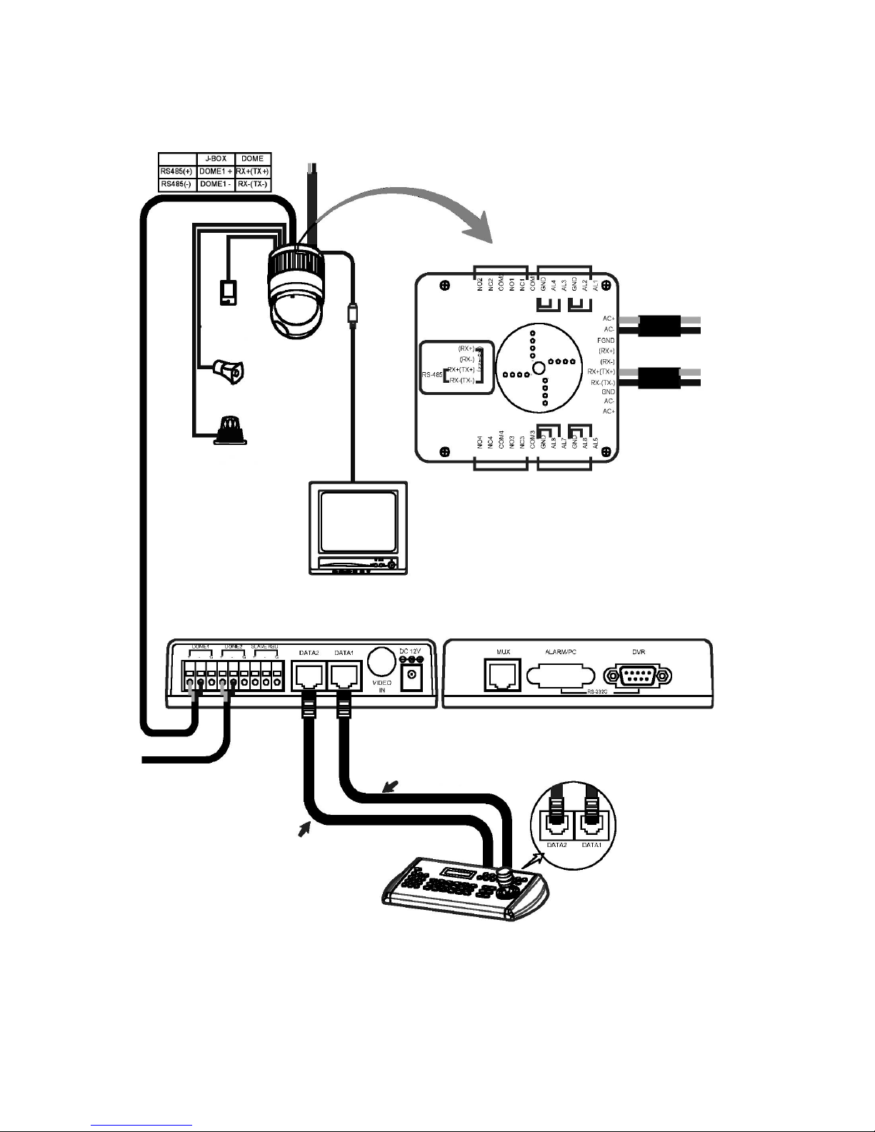
2.2.2 Single User with Two Multiplexer .............................................................................................................................................................................. 8
2.2.3 Two Multiplexer with Slave Keyboard Controller ........................................................................................................................................................ 9
2.2.4 Two Multiplexer with Slave Keyboard Controller (method 2) .................................................................................................................................... 10
2.3 Setting Unit For Termination.................................................................................................................................................................................... 11
2.4 Setting Address (ID) of Dome Camera .................................................................................................................................................................... 12
2.5 Setting Protocol of Dome Camera .......................................................................................................................................................................... 13
2.6 Connection ............................................................................................................................................................................................................ 14
2.7 Getting Started ....................................................................................................................................................................................................... 14
3. Program and Operation........................................................................................................................................................................................... 15
3.1 Selecting Dome Camera ......................................................................................................................................................................................... 15
3.2 Accessing On-Screen Menu Utility .......................................................................................................................................................................... 15
3.3 How To Control On-Screen Menu Utility................................................................................................................................................................... 15
3.4 Auto Scan............................................................................................................................................................................................................... 16
3.5 Preset..................................................................................................................................................................................................................... 17
3.6 Shortcut of Preset Program..................................................................................................................................................................................... 18
3.7 Tour ....................................................................................................................................................................................................................... 18
3.8 Pattern ................................................................................................................................................................................................................... 19
3.9 Alarm ..................................................................................................................................................................................................................... 20
3.10 Area Title ............................................................................................................................................................................................................... 20
3.11 Privacy Zone........................................................................................................................................................................................................... 21
3.12 Camera ................................................................................................................................................................................................................. 22
Focus Control ......................................................................................................................................................................................................... 22
WB (White Balance) Control .................................................................................................................................................................................... 23
AE Control............................................................................................................................................................................................................... 24
Line Lock Control.................................................................................................................................................................................................... 25
Night Shot Menu..................................................................................................................................................................................................... 25
3.13 Dome Setup ........................................................................................................................................................................................................... 26
Language Setup ..................................................................................................................................................................................................... 26
Home Function Setup ............................................................................................................................................................................................. 26
OSD Display Setup.................................................................................................................................................................................................. 27
View Direction ........................................................................................................................................................................................................ 27
Dome OSD Display ................................................................................................................................................................................................. 27
Area Display ........................................................................................................................................................................................................... 27
Panning Range ....................................................................................................................................................................................................... 27
Flip ......................................................................................................................................................................................................................... 27
Tilt Over Angle ........................................................................................................................................................................................................ 28
Initialize Data.......................................................................................................................................................................................................... 28
Origin Offset ........................................................................................................................................................................................................... 28
Dome Reset............................................................................................................................................................................................................ 28
System Information ................................................................................................................................................................................................ 28
4. Troubleshooting ...................................................................................................................................................................................................... 29
5. Glossary ................................................................................................................................................................................................................. 30
6. Short-Cut Key ......................................................................................................................................................................................................... 31
7. Specications......................................................................................................................................................................................................... 32
8. Dimensional Drawings............................................................................................................................................................................................ 34