
275AP-SB13-01 4
TROUBLESHOOTING
Whether it is operating as a 275AP/APF high-side float (Figure 5) or as a 275AF low-side float (Figure 6), the valve opens when the
liquid level drops. The operation of the 275AF will be covered first, because understanding its possible malfunctions serve as a
foundation for troubleshooting the 275AP/APF pilot float valve.
Float Valve Only (275AF)
Problem: Valve does not close fully at high liquid level.
Causes/Solutions:
Float rod bent or interference with float movement: If the valve
was supplied without a chamber (299A), the float rod (343A,
not on 275APF valves) may have been bent in shipping. It is
also possible that the valve was installed in a non-standard
chamber that does not allow full float movement. CAREFULLY
bending the float rod a small amount may correct this problem.
Jammed or worn linkage parts: Examine float and needle
movement. Verify that parts move freely and without excessive
play. Check for excessive float block (230Z) and/or lever pin
(411) wear. Remove any debris, replace worn or damaged
parts.
Needle/seat damage or debris present: Remove lever pin and
float assembly. Be careful not to disturb the setting of the
needle and the adjusting nuts. Examine needle and seat
bushing for damage and debris. A worn or damaged needle/seat
should always be replaced with a matched set from the factory.
Hole in float ball: Liquid refrigerant leaking into the float will
prevent it from rising properly with changes in liquid level.
Warming the float will cause any refrigerant inside it to
vaporize. Observe any vapor leakage from the float to confirm
a leak. To replace a defective float, unscrew the float. (Be
careful not to disturb the positions of the nuts (322, 324).)
Install new float snugly, again without disturbing the nut
positions.
Problem: Valve does not open at low liquid level.
Cause/Solution:
Jammed needle or worn linkage parts: Inspect valve as
described above. Repair or replace parts as needed.
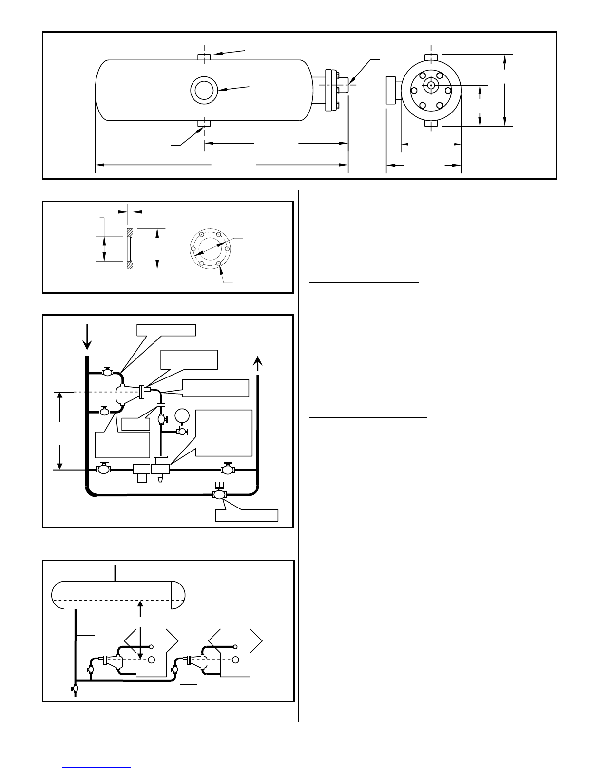
Pilot Float Valve with 700H Valve (275AP/APF)
Figure 9 shows schematically how the 275AP/APF and 700H
valves operate together. This is very similar to the arrangement
shown in Figure 6.
As the liquid level rises in the chamber, the float rises and the
needle shuts off flow to the 700H. The pressure above the
700H piston drops and the piston rises due to pressure
underneath, opening the valve port and allowing flow.
Conversely, as the liquid level drops, the 275AP opens and
pressure above the piston rises, closing the 700H port with
spring-assist.
Match the condenser condition (liquid high or low) with
pressure gauge reading (condensing or downstream pressure)
and note the possible causes given in Table 2.
Figure 9: Schematic of 275AP/700H Operation
Table 2: Troubleshooting The 275AP & 700H
(2) Pressure Gauge reads:
Approximately Downstream Pressure
Approximately Condensing Pressure
(1) Condenser Liquid Level is:
The pressure indicates that the 275AP is closed (as it
should be). Therefore the 700H may be closed due to a
malfunction. Check if the 700H is stuck partially or
completely closed by dirt/debris, or if the strainer is blocked.
Other possibilities: Operating conditions may have changed
so that (1) The 700H cannot open fully due to too strong
spring, or (2) the 700H metering plug does not have
sufficient capacity. Contact Phillips to resolve these issues.
The pressure indicates the 275AP is open (it is supposed to
be closed). Therefore the 700H is being signaled to close.
Check if 275AP float is stuck in low position, or if dirt/debris
is keeping the needle from seating.
The pressure indicates the 275AP is closed (it is supposed
to be open). Therefore the 700H is being signaled to open.
Check if the 275AP is stuck in the closed position. See
“Float Valve Only: valve does not open” Troubleshooting
Tips, above, to resolve the problem.
The pressure level indicates the 275AP is open (as it should
be). Therefore the 700H is open due to malfunction. Check if
the 700H is stuck partially or completely open by dirt/debris,
or the spring may have broken.
Other possibilities: (1) The 700H piston or body may have
worn, permitting blow-by that prevents the pressure above
piston from rising sufficiently to close the valve. (2)
Operating conditions may have changed so that the 275AP
does not have sufficient capacity to close the 700H. Contact
Phillips to resolve these issues.
H. A. Phillips & Co.
770 Enterprise Avenue
DeKalb, IL 60115 U.S.A.
Phone: (630) 377-0050
Fax: (630) 377-2706
The 275AP opens
when the liquid level
drops.
The pressure above the
piston increases when
the 275AP opens.
This closes the 700H.