
Safety 2
Important Safety Instructions
Read the Owner’s Manual and related documentation
carefully before attempting to install or operate the
PENTEK INTELLIDRIVETM
. Make sure that you have a full
knowledge of the equipment, safety information, and
instructions before using this product.
Carefully read and follow all safety instructions in this
manual and on the VFD.
This is the safety-alert. When you see this symbol
on your VFD or in this manual, look for one of the
following signal words and be alert to the potential for
personal injury:
warns about hazards that will cause
serious personal injury, death or major property damage if
ignored.
warns about hazards that cancause
serious personal injury, death or major property damage if
ignored.
warns about hazards that will or can
cause minor personal injury or property damage if ignored.
The word NOTE indicates special instructions which are
important but not related to hazards.
To avoid serious or fatal personal injury and possible
property damage, carefully read and follow the safety
instructions.
Risk of high-voltage electrical shock
from the EMI/RFI Filter if the front cover of the VFD is
open or removed while power is connected to the VFD or
the VFD is running. The front cover of the VFD must be
closed during operation.
• After allowing at least 5 minutes for the EMI/RFI Filter
to discharge and before starting any wiring or
inspection procedures, check for residual voltage with
a voltage tester.
Risk of electrical shock if VFD is
connected to the power wiring before hanging the box.
Always hang the VFD box before connecting the wires to it.
Risk of electrical shock if the VFD is
handled or serviced with wet or damp hands. Always
make sure your hands are dry before working on the VFD.
Perform all operations on the HMI with dry hands.
Risk of electrical shock and hand
injury. Do not reach into or change the cooling fan while
power is on to the VFD.
Risk of electrical shock. Do not touch
the printed circuit board when power is on to the VFD.
Fire hazard if installed with incorrect or
inadequate circuit breaker protection. To make sure of
protection in the event of an internal fault in the VFD,
install the VFD on an independent branch circuit protected
by a circuit breaker (see Table 2, Page 6 for circuit breaker
sizing), with no other appliances on the circuit.
Risk of burns.The drive can become
hot during normal operation. Allow it to cool for 10
minutes after shut-down before handling it to avoid burns.
Risk of electric shock.A means for
disconnection from the supply mains, having a contact
separation in all poles, must be incorporated in the fixed
wiring in accordance with the wiring rules.
Complex equipment. This device is not
intended for use by persons (including children) having
reduced physical, sensory or mental capabilities, or lack of
experience and knowledge.
NOTE: This VFD is classified as Class A EMC/EMI
equipment. It is intended for use in an industrial
environment. There may be potential difficulties ensuring
electromagnetic compatibility in other environments due
to conducted as well as radiated disturbances.
NOTE: The device must be supplied through a Type A
Residual Current Device (RCD) having a rated residual
operating current not exceeding 30 mA.
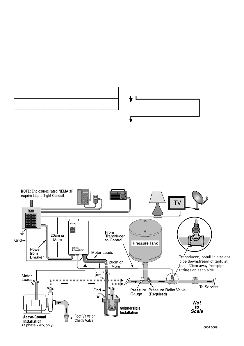
NOTE: To avoid damage to the drive or problems with the drive:
• Connect the output cables to 3-wire submersible
motors as described in Output Connections, page 7.
Any other order will reverse the motor rotation and
may damage the motor.
• Do not modify the equipment.
• Do not use power factor correction capacitors with this
VFD; they will damage both the motor and the VFD.
• Do not remove any parts unless instructed to do so in
the owner’s manual.
• Do not use a magnetic contactor on the VFD for
frequent starting/stopping of the VFD.
• Do not install or operate the VFD if it is damaged or
parts are missing.
• Before starting a VFD that has been stored for a long
time, always inspect it and test operation.
• Do not carry out a megger (insulation resistance) test
on the control circuit of the VFD.
Risk of high-voltage electrical shock
from EMI/RFI Filter inside Drive.
Make all wiring connections, then
close and fasten the cover before
turning on power to Drive.
DO NOT open the box when power is
connected to the Drive.
Before doing any service
or maintenance inside
the Drive:
1. DISCONNECT power.
2. WAIT 5 minutes for
retained voltage to
discharge.
3. Open box.
Before connecting or
disconnecting any wires
inside the Drive:
1. DISCONNECT power.
2. WAIT 5 minutes for
retained voltage to
discharge.
3. Open box.
PID_OM_2014.indd 2 24/02/2014 1:49:52 PM