
Controller Series E1000/2000/4000
NTI AG Installation: E1000/E2000/E4000 series / 16.09.2005 Page 2/12
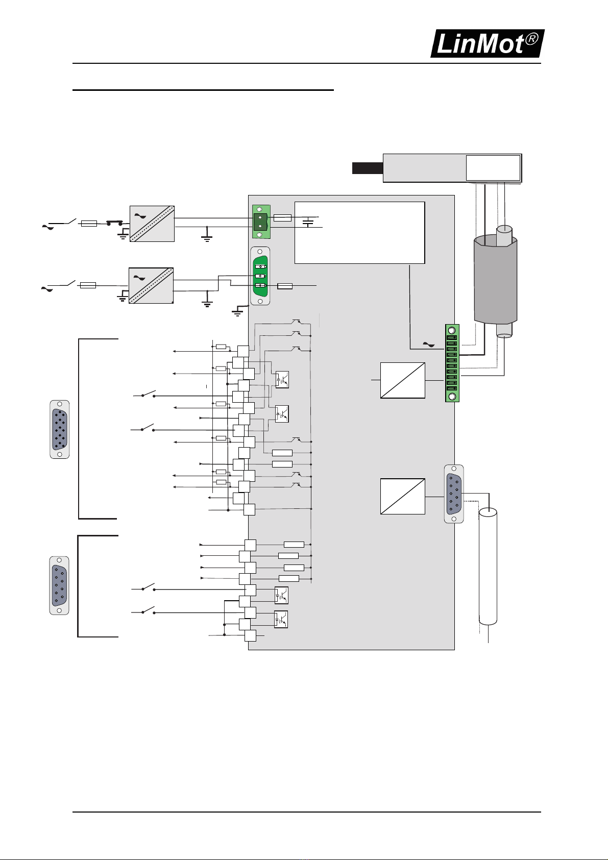
Important notes for E1000/E2000/E4000 series controllers
CAUTION !!
In order to assure a safe and error free operation, and to avoid
severe damage to system components, all system components
must be directly attached to a single ground bus that is earth or
utility grounded.
Each system component should be tied directly to the ground bus
(star pattern), rather than daisy chaining from component to
component. (LinMot motors are properly grounded through their
power cables when connected to LinMot controllers.)
All connectors must not be connected or disconnected while DC
voltage is present. Do not disconnect system components until all
LinMot controller LED’s have turned off. (Capacitors in the power
supply may not fully discharge for several minutes after input
voltage been disconnected). Failure to observe these precautions
may result in severe damage to electronic components in LinMot
motors and/or controllers.
Do not switch Power Supply DC Voltage. All power supply switching
and E-Stop breaks should be done to the AC supply voltage of the
power supply.
Do not connect or disconnect the motors from controllers with
voltage present. Wait to connect or disconnect motors until all
LinMot controller LED’s have turned off. (Capacitors may not fully
discharge for several minutes after power has been turned off).
Failure to observe these precautions may result in severe damage
to electronic components in LinMot motors and/or controllers.
© 2004 NTI Ltd
This work is protected by copyright.
Under the copyright laws, this publication may not be reproduced or transmitted in any form, electronic or mechanical, including
photocopying, recording, microfilm, storing in an information retrieval system, not even for didactical use, or translating, in whole
or in part, without the prior written consent of NTI AG.
LinMot® is a registered trademark of NTI AG.
Note
The information in this documentation reflects the stage of development at the time of press and is therefore without obligation.
NTI AG. reserves itself the right to make changes at any time and without notice to reflect further technical advance or product
improvement.