SAFETY..................................................................................................................................... 3
FORWARD................................................................................................................................ 5
SHEET PILE DRIVER APPLICATIONS..................................................................................... 5
MAINTENANCE......................................................................................................................... 6
STANDARD PRACTICES................................................................................................6
CARRIER COMPATIBILITY....................................................................................................... 7
SPECIFICATIONS..................................................................................................................... 8
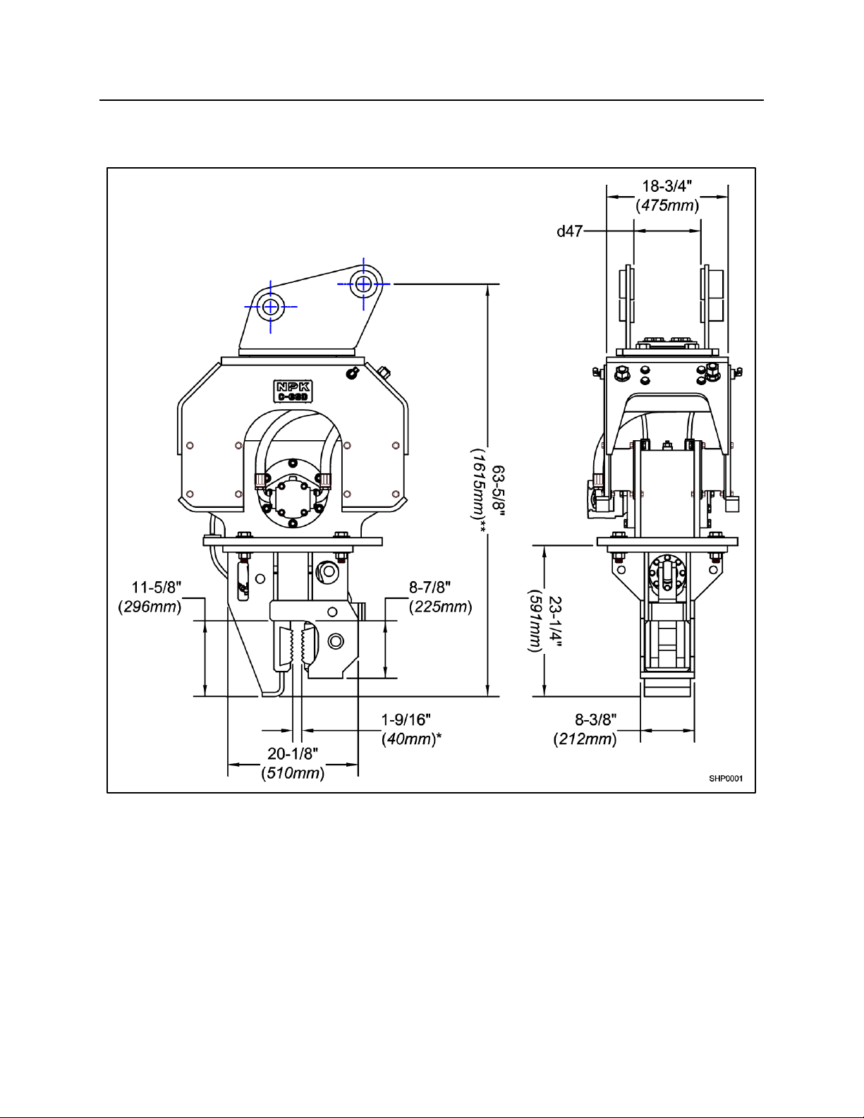
C6CSD............................................................................................................................9
C8CSD..........................................................................................................................10
C10CSD........................................................................................................................11
SHEET PILE DRIVER STRUCTURE........................................................................................12
C6CSD THROUGH C10CSD SHEET PILE DRIVERS...................................................12
SHEET PILE DRIVER SERIAL NUMBER LOCATION..............................................................15
HYDRAULIC INSTALLATION...................................................................................................16
NPK HYDRAULIC INSTALLATION KITS.......................................................................16
HYDRAULIC LINES.......................................................................................................16
SHUT-OFF VALVES......................................................................................................16
RETURN OIL.................................................................................................................17
PREVENTION OF CONTAMINATION...........................................................................18
CHANGING THE FILTER ELEMENT AND HYDRAULIC OIL.........................................18
CONTROL VALVES......................................................................................................19
CONTROL SYSTEM FOR CLAMP CYLINDER..............................................................20
HYDRAULIC QUICK DISCONNECTS...........................................................................21
NPK APPROVED CONNECTION QUICK DISCONNECTS ...........................................22
PRECAUTIONS ............................................................................................................22
MECHANICAL INSTALLATION................................................................................................24
MAINTENANCE AND INSPECTION.........................................................................................25
DAILY MAINTENANCE.................................................................................................25
SEMI-ANNUAL MAINTENANCE ...................................................................................26
REPLACE BEARING LUBRICATION OIL..........................................................26
TWENTY HOUR INSPECTION .....................................................................................27
JAW TOOTH PLATE (CHUCK) INSPECTION ...............................................................28
RUBBER MOUNT INSPECTION...................................................................................28
HOSE CONNECTIONS.................................................................................................29
LUBRICANT TERMS AND DEFINITIONS ................................................................................30
OIL CAPACITY SPECIFICATIONS...........................................................................................32
LOWER FRAME............................................................................................................32
BEFORE OPERATION.............................................................................................................33
DECIDE IF SWIVEL LOCK FEATURE WILL BE USED..................................................33
OPERATION.............................................................................................................................34
PRE-CHECKS...............................................................................................................34
CHECK FASTENERS FOR PROPER TIGHTNESS ..........................................34
JAW TOOTH PLATE (CHUCK) INSPECTION...................................................34
RUBBER MOUNT INSPECTION.......................................................................34
HOSE CONNECTIONS .....................................................................................35
CHECK SHUT-OFF VALVE POSITION.............................................................35
SHEET/PILE DRIVING AND EXTRACTING..................................................................36
SWIVEL FEATURE............................................................................................36
CHUCKING THE SHEET PILE......................................................................................38
LIFT THE SHEET PILE..................................................................................................38
POSITIONING THE SHEET PILE..................................................................................39
PILE DRIVING OPERATION.........................................................................................40
PULLING OPERATION.................................................................................................41