
Programinställningar
Programinställningen av PCS 44 kan göras via startgui-
den eller direkt i menysystemet.
Startguiden
Startguiden visas vid första uppstart efter värmepumps-
installationen, men finns även i meny 5.7.
Menysystemet
Om du inte gör alla inställningar via startguiden eller
behöver ändra någon inställning kan du göra detta i
menysystemet.
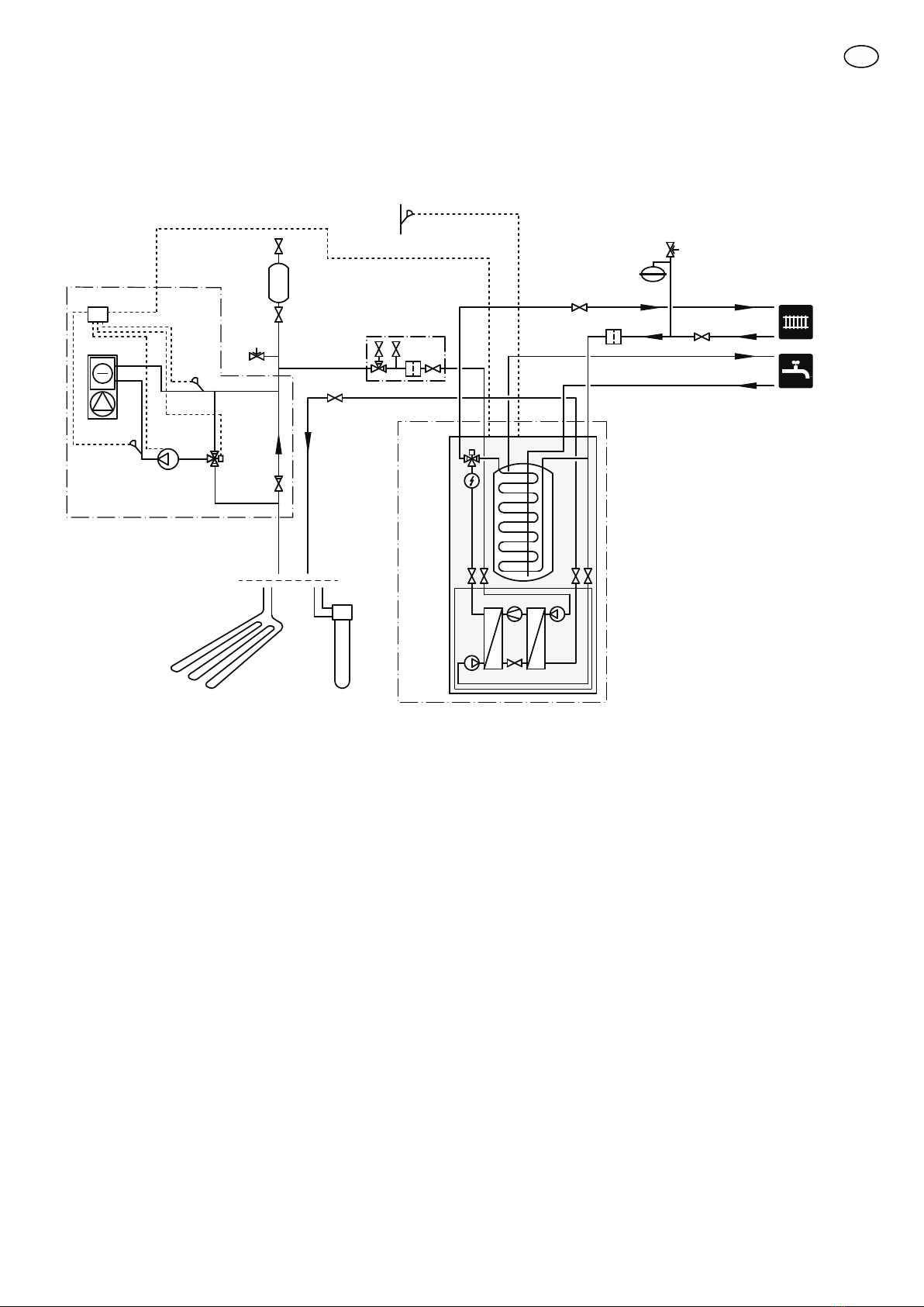
Meny 5.2 - systeminställningar
Aktivering/avaktivering av tillbehör.
Välj: "passiv kyla 4-rör"
Meny 1.1 - temperatur
Inställning av inomhustemperatur (kräver rumstempe-
raturgivare).
Meny 1.9.5 - kylinställningar
Här kan du exempelvis göra följande inställningar:
■Lägsta framledningstemperatur vid kyla.
■Önskad framledningstemperatur vid utomhustempe-
raturen +20 och +40 °C.
■Tid mellan kyla och värmedrift eller tvärt om.
■Val om rumsgivare ska styra kylan.
■Hur mycket rumstemperaturen får sjunka respektive
öka jämfört med önskad temperatur innan övergång
till värme respektive kyldrift (kräver rumsgivare).
■Diverse shuntinställningar.
Meny 4.9.2 - autolägesinställning
Om värmepumpens driftläge är satt till "auto" väljer
den själv, beroende på medelutetemperatur, när start
och stopp av tillsats samt värmeproduktion respektive
kyldrift ska tillåtas.
I denna meny väljer du dessa medelutetemperaturer.
Du kan även ställa in under hur lång tid (filtreringstid)
medeltemperaturen räknas. Väljer du 0 innebär det att
aktuell utetemperatur används.
Meny 5.6 - tvångsstyrning
Tvångsstyrning av de olika komponenterna i värmepum-
pen samt i de olika tillbehören som eventuellt är anslut-
na.
EQ1-AA5-K1: Aktivering av cirkulationspump (GP13).
EQ1-AA5-K2: Signal (stäng) till shunt (QN18).
EQ1-AA5-K3: Signal (öppna) till shunt (QN18).
EQ1-AA5-K4: Ingen funktion.
TÄNK PÅ!
Se även Installatörshandboken för
F1145/F1155/F1245/F1255.
Tekniska uppgifter
Tekniska data
PCS44
DN25Dimension på shuntventilen
9 (0,09)kPa
(bar)
Tryckfall vid 2,0 l/s
11KV-värde på shuntventilen
1 1/4'' G32Dimension på backventilen
Ø 15mmDimension på avstängnings-
ventilen inlopp
Ø 22mmDimension på avstängnings-
ventilen utlopp
PCS 4410