
20-Aug-12 3
Introduction
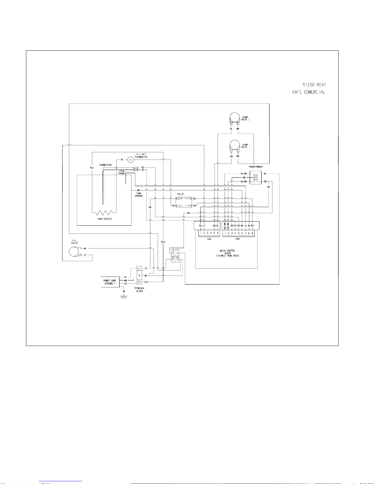
The Commercial Barista series by Café 98 incorporates the latest features in brewer control technology along with the proven
Brewing system you have come to rely on. Although providing for enhanced functionally brewer control remain intuitive and
setup of key operating parameters couldn’t be easier. Multiple brew volumes, visa-brew delay, tank temperature set point, brew
mode, filter parameters and more are all set from the front control panel using a digital display for precise control. The following
pages will explain the control features and then step through the process required to program your unit.
Brew Volume [Single Brewer] – The Commercial Barista series has two independently brew volumes denoted Brew 1 and Brew
2. The brew time has been converted to display brew volume during setting to allow for easier setting of the desired brew
volume. Either of these brew times may be turned off or set for any volume between 30 and 255 ounces for ultimate flexibility.
Actual volume delivered may vary slightly from the programmed volume due to actual brewing conditions. However the volume
delivered will be consistent from brew to brew. Simply adjust volume up or down to compensate, as you would do with a
standard time setting.
Brew Volume [Dual Brewer] – Each Side of the CBD brewer may have up to three independently programmable brew volumes
denoted by Brew 1, 2, & 3. Brew times may be set independently for each of the six brew volume selections on the brewer. Brew
time may be turned off or set for any volume between 30 seconds and 8 minutes for ultimate flexibility.
Double Dump Valve Option – If set to on, this feature will activate a second dump valve to allow for brewing larger volumes
without a corresponding increase in brew time. This will help to preserve the beverage quality on larger brew volumes.
Visa-Brew Time – Provides for additional time to flash brew light, after the water delivery portion of brew cycle, to allow for the
coffee to finish draining from the brew basket. The flashing indicator light, and the delay in the audible coffee ready signal, aid in
preventing premature removal of either the brew base or the dispenser.
Water Temperature Set Point – Allows for digitally setting the temperature of the water in the brewers tank system to any valve
between 170 and 205 Deg F. The heating circuit also incorporates a pulse heating circuit, which slows the heater as the set
point is approached, to avoid temperature overshoot.
Auto Arm – When enabled this feature ensures that the brewer is up to temperature prior to brewing to ensure proper extraction
is obtained. If the water temperature in the tank is below the water temperature set point when the brew cycle is initiated, the
water delivery portion of the brew cycle is delayed. The heating light will begin to flash indicating that the unit is in the brew
mode but is not up to temperature. At the same time, the tank heater will begin heating. When the tank reaches the preset
temperature, the brew cycle will resume. Auto Arm may be overridden by depressing the appropriate button for several seconds
until the brew cycle starts.
Pre-infusion Mode – This mode delivers a small amount of hot water over the coffee grounds and then pauses. This allows the
gasses in the coffee to escape and allows the grounds to absorb the water before continuing. After this pause the brew cycle
resumes normally. Pre-infusion can yield better extraction rates than normal brewing modes. The pause time is added to the
brew and visa-brew time. The pre-infusion times are preset at the factory. Pre-infusion for Brew 1 and 2 may be turned on or off
independently.
Pulse Brew Mode – This mode cycles the valve on or off during the brew cycle. This slows the entry of cold water into the tank
and minimizes the mixing action caused by introducing a large volume of cold water into the tank at one time resulting in an
increase in brew temperature. The additional turbulence and mixing created along with increased temperature can result in
higher extraction rates for the coffee. The time set for pulse brewing should exceed the time set for brew time. The time
difference between the pulse brew time and the brew time is the amount of time available as off time. The difference is divided
equally and distributed throughout the brew cycle to provide a pulse every 20 seconds of brewing. Pulse brew mode for Brew 1
and 2 may be turned on or off independently.
Audible Alert Mode – Provides an audible signal when coffee has finished brewing notifying everybody that fresh coffee is
available. May be turned on of off and set for 1 – 9 beeps.
Coffee Freshness Monitor – Monitors the elapsed time since the brew cycle to assure the coffee is fresh. Freshness time may
be set for 10 minutes to 2 hours. The last 10 minutes of the freshness time are counted down on the display and when the
preset time is reached a beep is sounded and the coffee monitor light begins to flash.
Filtering Flow Rate – This is the flow rate of incoming water and is used to calculate the volume of water that has been filtered.
The flow rate may be turned off or set for .25, .50, .75 or 1.00 gallon per minute flow rate. Note: A filter with a flow rate of 1 GPM
minimum is recommended.
Filter Capacity – The filtering capacity in gallons of the filter installed (optional) on the brewer may be selected here. Capacity
may be turned off or set for one of the following available values: 0, 500, 1500, 2000, or 2500 gallons.