
D716
1N4148
R756
100K R758
62K
R767
100K
6
7
8
4
IC705A
TL082BD
R764
9K1
R765
15K
R769
9K1
R770
15K
R766
10
R771
10
Q720
2SC1815
Q721
2SA1015
+20VL
C764
10u/50V
C769
10u/50V
-20VL
C767
1uF/50V
R755
220K
IC705B
TL082BD
R752
18K
R743
47K
C761
10uF/50V
C762
1uF/50V
R759
10K
D715
1N4148 R751
220K
1
2
35
R761
220K
1
VR701
6K8
R754
10K
D714
6.8V
C760
1uF/50V
D713
BAV21
D719
5V6
D717
BAV21
C717
22n/250V
C718
22n/250V
C727
22m/100V Q704
2SC1815
Q703
2SA1015
D702
BT151-500R
D703
BT151-500R
R703
1K
R715
22K
R706
100
R708
1K
R704
1K
R705
1K
R707
100 R709
22K
R710
0.025/3W 2%
R711
100 1%
Q705
2SA970
Q706
2SA970
R713
470K
FP
H1
H2
L1
L2
G
C730
22n/250V
C731
22n/250V
C720
22n/100V
C721
22n/100V
R746
0.22/1W FS
R747
0.22/1W FS
R748
0.22/1/2W FS
R749
0.22/1/2W FS
C732
22n/100V
C733
22n/100V
C734
1000u/100V
C735
1000u/100V
R716
1K
R717
1K
R722
3R3 1/2W FS
R719
1K
R718
1K
R720
1K
R724
1K
R721
1K
R730
2K 1%
R726
1K
R725
2K2
R728
5k1 1% 1W
R723
3R3 1/2W FS
R727
1K
R729
10K 1% 1W
C738
100u/100V
C742
10u/100V
C743
10u/100V
C739
100u/100V
C747
22u/80V
C744
22n
C741
47P
C740
47P
C745
22n
Q709
KSC2690
Q710
2SC2240
Q711
2SC2240
Q712
KSA1220
Q713
2SA970
D705
1N4148
D706
1N4148
D708
1N4148
D707
1N4148
C736
100u/100V
C737
100u/100V
R731
10K 1%1W
C746
22u/80V
+20VL
+V71L
-V71L
1
2
3
4
B705
DB104
1
2
3
4
B706
DB104
1
2
3
4
B703
KBU1004
1
2
3
4
B704
KBU1004
C722
22n/100V
C723
22n/100V
D704
1N5404
Q707
2SA1015 Q708
2SC1815
R714
22K
-V74L
(TRIG)
1
2
3
4
5
CB704
5PIN
1
2
3
4
5
CB703
5PIN
ISCL
R793
100 C705
0.1uF
R712
9K1 1%
+V74L
C766
22m/100V
R733
240/1% MF
R735
240/1% MF
R732
3k6/1% MF
R734
3k6/1% MF
C754
22u/50V
C755
22u/50V
C756
22N
C757
22N
IN IC703
LM317M
IN
IC704
LM337M
C750
22N
C751
22N
+20VL
-20VL
C748
2m2/50V
C749
2m2/50V
C752
10u/50V
C753
10u/50V
D709
1N4148
D710
1N4148
1
2
3
4
5
CZ71
CON3
C78
CAP
ISCL
Q701
2SC1815
R702
91K
+V71L
D616
1N4148
R656
100K
R658
62K
R667
100K
6
7
8
4
IC605A
TL082BD
R664
9K1
R665
15K
R669
9K1
R670
15K
R666
10
R671
10
Q620
2SC1815
Q621
2SA1015
+20VR
C664
10u/50V
C669
10u/50V
-20VR
C667
1uF/50V
R655
220K
IC605B
TL082BD
R652
18KR643
47K
C661
10uF/50V
C662
1uF/50V
R659
10K
D615
1N4148
R651
220K
1
2
35
R661
220K
1
VR601
6K8
R654
10K
D614
6.8V
C660
1uF/50V
D613
BAV21
D619
5V6
D617
BAV21
ISCR
C617
22n/250V
C618
22n/250V
C627
22m/100V Q604
2SC1815
Q603
2SA1015
D602
BT151-500R
D603
BT151-500R
R603
1K
R615
22K
R606
100
R608
1K
R604
1K
R605
1K
R607
100 R609
22K
R610
0.025/3W 2%
R611
100 1%
Q605
2SA970
Q606
2SA970
R613
470K
FP
H1
H2
L1
L2
G
C630
22n/250V
C631
22n/250V
C620
22n/100V
C621
22n/100V
R646
0.22/1W FS
R647
0.22/1W FS
R648
0.22/1/2W FS
R649
0.22/1/2W FS
C632
22n/100V
C633
22n/100V
C634
1000u/100V
C635
1000u/100V
R616
1K
R617
1K
R622
3R3 1/2W FS
R619
1K
R618
1K
R620
1K
R624
1K
R621
1K
R630
2K 1%
R626
1K
R625
2K2
R628
5k1 1% 1W
R623
3R3 1/2W FS
R627
1K
R629
10K 1% 1W
C638
100u/100V
C642
10u/100V
C643
10u/100V
C639
100u/100V
C647
22u/80V
C644
22n
C641
47P
C640 47P
C645
22n
Q609
KSC2690
Q610
2SC2240
Q611
2SC2240
Q612
KSA1220
Q613
2SA970
D605
1N4148
D606
1N4148
D608
1N4148
D607
1N4148
C636
100u100V
C637
100u/100V
R631
10K 1% 1W
C646
22u/80V
+20VR
+V71R
-V71R
1
2
3
4
B605
DB104
1
2
3
4
B606
DB104
1
2
3
4
B603
KBU1004
1
2
3
4
B604
KBU1004
C622
22n/100V
C623
22n/100V
D604
1N5404
Q607
2SA1015 Q608
2SC1815
R614
22K
-V74R
(TRIG)
1
2
3
4
5
CB604
5PIN
1
2
3
4
5
CB603
5PIN
ISCR
R693
100
C605
0.1uF
R612
9K1 1%
+V74R
C666
22m/100V
R633
240/1% MF
R635
240/1% MF
R632
3k6/1% MF
R634
3k6/1% MF
C654
22u/50V
C655
22u/50V
C656
22N
C657
22N
IN IC603
LM317M
IN IC604
LM337M
C650
22N
C651
22N
+20VR
-20VR
C648
2m2/50V
C649
2m2/50V
C652
10u/50V
C653
10u/50V
D609
1N4148
D610
1N4148
+V74R -V74R
1
2
3
4
5
6
7
8
9
10
CZ603
CON10
AC DET R
PROTECT
SPK A
SPK B
1
2
3
4
5
6
7
8
9
10
CZ703
CON10
AC DET L
PROTECT
SPK A
SPK B
D701
1N4148
R701
22K
C701
4.7uF/25V
D601
1N4148
R601
22K
C601
4.7uF/25V
1
2
3
4
5
6
7
8
9
10
11
12
13
14
15
16
17
18
19
20
21
22
23
24
25
26
27
28
29
30
CZ72
CON30
DGND
IR IN
IR OUT
AC INLET
PLUG AC MALE
Q601
2SC1815
R602
91K
+V71R
REV. Date
DESCRIPTION
1
2
3
4
CZ74
CON4
1
2
3
4
5
6
7
8
9
10
11
12
13
14
15
16
CZ75
CON16
1
2
3
4
5
6
7
8
9
10
11
12
13
14
15
16
CZ73
CON16
-20VL
+20VL
DGND
DGND
+20VR
-20VR
5V
DGND
TRIG+
TRIG-
C92
4700P
AC
1
AC
2
GND
3
AC 4
AC 5
EMI FILTER
EMI FILTER
+20VR
-20VR
R636
680k
R736
680k
D91
1N4148
RL91
DH12D1-O(M)
5VD
Q91
2SA1015 R92
10k
R91
10K
OP91
OPTOISO1
R95
12K
R94
22K
Q92
2SA1015 R93
2K
TRIG+
R96
10K
5VD
PROTECT
OP92
OPTOISO1
1
2
CB601
1
2
CB701
-20VL
+20VL
R97
4.7k D92
1N4148
FUNC
HDATA
HCLK
RXD
TXD
PROTECT
VOLR_STB
OPSEL_CLK
OPSEL_DATA
OPSEL_STB
VOLR_DATA
SPK A
SPK B
STBY
VOLR_CLK
VOLL_CLK
VOLL_DATA
VOLL_STB
TONE
VOLA
RXD
TXD
5VD
IR IN
IR OUT
TRIG+
TRIG-
OPSEL_CLK
HCLK
HDATA
FUNC
VOLR_STB
VOLR_DATA
VOLR_CLK
VOLL_CLK
VOLL_DATA
VOLL_STB
VOLA
TONE
OPSEL_DATA
OPSEL_STB
ZEROL
GNDL
1
P701 CON1
1
P702 CON1
1
P703 CON1
GNDR
1
P601 CON1
1
P602 CON1
1
P603 CON1
TO STB_SCH CZ906
TO FFP_SCH CZ81
TO CON_SCH CZ97
TO AMP_SCH P301 P302 P303 P304
TO AMP_SCH CZ302
TO CON_SCH CZ92
TO AMP_SCH P401 P402 P403 P404
TO AMP_SCH CZ402
TO STB_SCH CZ902
2.9V @ 4ohms/30W
11.9V
-11.9V
4.5V
0V 0V
0V
R98
100
GNDR
1
P604 CON1
GNDL
1
P704 CON1
Change C661 C761 from 1uF/50V to 10uF/50V, R652 R752 to 18K, R643 R743 to 47K, R622 R623 R722 R723 from 33R/1/4W to 3R3/1/4W,
R646 R647 R746 R747 from 0.22R/1/4W to 0.22R/1W, R648 R649 R748 R749 from 0.22R/1/4W to 0.22R/1/2W
VM1.0 2006/3/11
VM1.1 R628 R728 from 5K1 0.6W 1% to 5K1 1W 1%
R629 R631 R729 R731 from 10K 0.25W 1% to 10K 1W 1% 2006-5-24
R622 R623 R722 R723 From 3R3 0.25W RF to 3R3 0.5 W RF
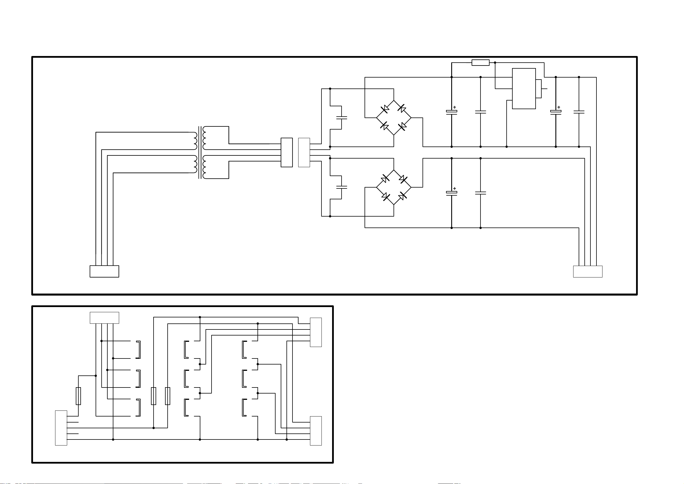
R channel main transformer
117VAC
117VAC
DUAL 68/22VAC DUAL 50/40VAC
L channel main transformer
117VAC
117VAC
DUAL 68/22VAC DUAL 50/40VAC
POWER SWITCH
1
2
3
S1
CON3
R672
4R7 1% 0.25W
D620
1N4148
D621
1N4148
R673
4R7 1% 0.25W
D622
1N4148
D623
1N4148
R772
4R7 1% 0.25W
D720
1N4148D721
1N4148
R773
4R7 1% 0.25W
D723
1N4148
D7221N4148
ADD R672 R673 R772 R773 4.7OHM 0.25W
ADD D620 D621 D622 D623,D720 D721 D722 D723 1N4148
VM1.2 2006-6-5
2006-5-24
1
J602
20mm Jumper
1
J603
10mm Jumper
1
J701
10mm Jumper
1
J702
20mm Jumper
-V74L
1
J703
10mm Jumper
C666 C 627 C766 C727 from 22m/80V to 22m/100V
5V
5VD
POWER SUPPLY ASSEMBLIES