MEZS6-45V15ABLDCDRIVER –5V–45V, 3-PHASE BLDC MOTOR CONTROLLER/DRIVER
MEZS6-45V15ABLDCDriver Rev. 1.0 www.MonolithicPower.com 2
6/17/2020 MPS Proprietary Information. Patent Protected. Unauthorized Photocopy and Duplication Prohibited.
© 2020 MPS. All Rights Reserved.
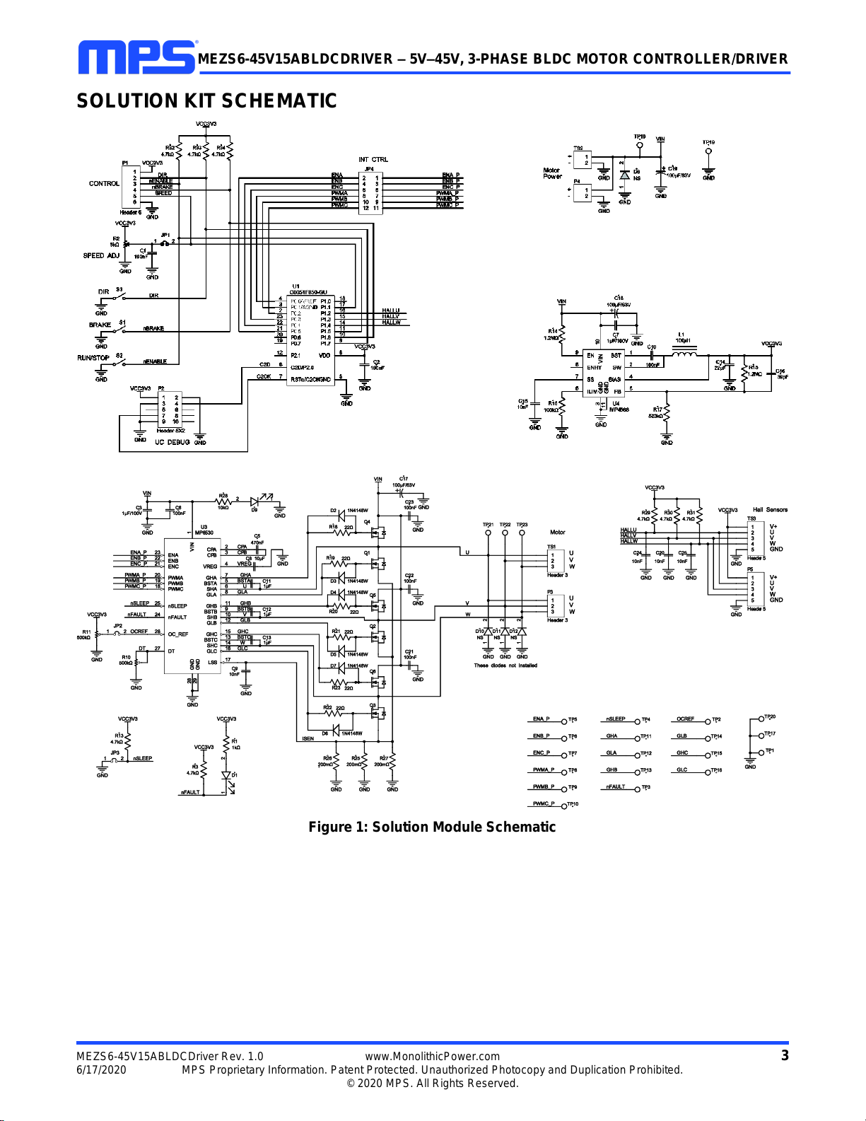
QUICK START GUIDE
To quickly start using the MEZS6-45V15ABLDCDriver brushless DC (BLDC) motor driver board, follow
the steps below:
1. Connect the U, V, and W wires of a BLDC motor to the MOTOR connector on the board.
2. Connect the motor Hall sensors to the HALL connector on the board.
3. Connect a power supply (between 5V and 45V) to the VIN and GND pins.
4. Slide the DIR switch to “FWD” or “REV” to control the direction of the motor.
5. Slide the “RUN/STOP” switch to the right to run the motor.
6. Slide the “BRAKE” switch to the right to apply short braking to the motor.
7. Adjust the motor speed by turning the SPEED pot.
8. Pay careful attention to the correct input polarity connection to avoid damage due to a reversed
connection.
9. R25, R26, and R27 (each 200mΩ) limit the peak output current to about 7.5A because of the 0.5V
LSS OCP trigger threshold. Using a lower resistance value can provide a larger output current.