
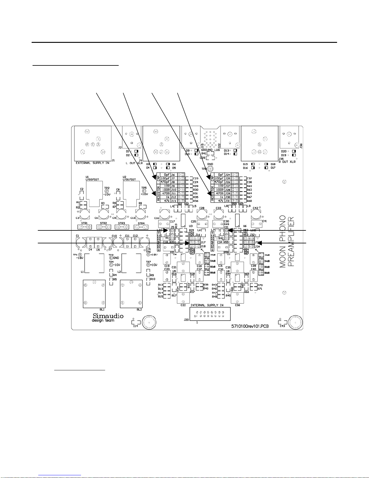
MOON LP5.3 Phono Preamplifier
Important Safety Instructions (cont’d)
The lightning flash with the arrowhead symbol, within an equilateral triangle, is
intended to alert the user to the presence of uninsulated “dangerous voltage” within
the product’s enclosure that may be of sufficient magnitude to constitute a risk of
electric shock to persons.
The exclamation point within an equilateral triangle is intended to alert the user to the
presence of important operating and maintenance (servicing) instructions in the
literature accompanying the appliance.
Marking by the “CE” symbol (shown left) indicates compliance of this device with the
EMC (Electromagnetic Compatibility) and LVD (Low Voltage Directive) standards of the
European Community
Please read all instructions and precautions carefully and completely before
operating your Simaudio MOON LP
5.3 Phono Preamplifier.
1. ALWAYS disconnect your entire system from the AC mains before connecting or disconnecting any cables,
or when cleaning any component.
2. The MOON LP5.3 must be terminated with a three-conductor AC mains power cord which includes an earth
ground connection. To prevent shock hazard, all three connections must ALWAYS be used. Connect the
MOON LP 5.3 only to an AC source of the proper voltage; Both the shipping box and rear panel serial
number label will indicate the correct voltage. Use of any other voltage will likely damage the unit and void
the warranty.
3. AC extension cords are NOT recommended for use with this product.
4. NEVER use flammable or combustible chemicals for cleaning audio components.
5. NEVER operate the MOON LP 5.3 with any covers removed. There are no user-serviceable parts inside. An
open unit, especially if it is still connected to an AC source, presents a potentially lethal shock hazard. Refer
all questions to authorized service personnel only.
6. NEVER wet the inside of the MOON LP 5.3 with any liquid. If a liquid substance does enter your MOON LP
5.3, immediately disconnect it from the AC mains and take it to your MOON dealer for a complete check-up.
7. NEVER spill or pour liquids directly onto the MOON LP5.3.
8. NEVER block air flow through ventilation slots or heatsinks.
9. NEVER bypass any fuse.
10. NEVER replace any fuse with a value or type other than those specified.
11. NEVER attempt to repair the MOON LP5.3. If a problem occurs contact your MOON dealer.
12. NEVER expose the MOON LP5.3 to extremely high or low temperatures.
13. NEVER operate the MOON LP5.3 in an explosive atmosphere.
14. ALWAYS keep electrical equipment out of reach of children.
15. ALWAYS unplug sensitive electronic equipment during lightning storms.
____________________________________________________________________________________