
Pagina 3
INDICAZIONI GENERALI PER LA SICUREZZA
ATTENZIONE Prima d’iniziare l’installazione di questa macchina, leggere attentamente e
comprendere le seguenti indicazioni di sicurezza.
L'installazione dell'apparecchio ed eventuali riparazioni devono essere eseguite da
personale tecnico competente e qualificato.
Sacchetti di plastica, polistirolo, piccole minuterie metalliche quali chiodi, graffette, ecc. non
devono essere lasciati alla portata dei bambini perché potenziali fonti di pericolo.
L’apparecchio non è destinato a essere usato da persone (bambini compresi) le cui capacità
fisiche,sensoriali o mentali siano ridotte, oppure con mancanza di esperienza o di
conoscenza, a meno che esse abbiano potuto beneficiare, attraverso l’intermediazione di
una persona responsabile della loro sicurezza, di una sorveglianza o di istruzioni riguardanti
l’uso dell’apparecchio.
Prima di collegare l'apparecchio, verificare che l'alimentazione elettrica da voi utilizzata
abbia le stesse caratteristiche indicate nell'etichetta dati tecnici, applicata all'apparecchio.
Questa macchina è destinata solo ed esclusivamente all'uso per il quale è stata concepita
ed il costruttore non può essere ritenuto responsabile per danni dovuti ad un uso improprio.
L’attuatore è destinato all’installazione interna. Per ogni applicazione speciale si raccomanda
di consultare preventivamente il costruttore.
Non lavare l’apparecchio con solventi o getti d’acqua.
Non immergere l’apparecchio in acqua.
Richiedere sempre ed esclusivamente l'impiego di ricambi originali. Il mancato rispetto di
questa regola può compromettere la sicurezza ed annulla i benefici della garanzia applicata
all'apparecchio.
Su serramenti con apertura a vasistas c’è il pericolo di lesioni prodotte dalla caduta
accidentale della finestra.
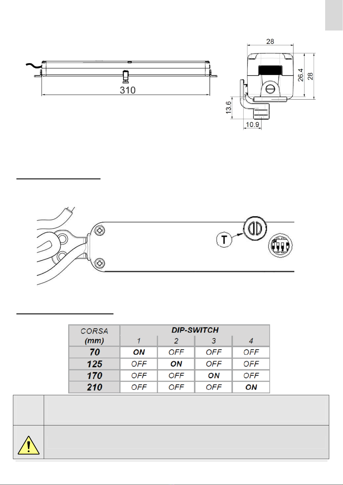
Verificare che la selezione del fine corsa permetta l’apertura della finestra senza incontrare
impedimenti di qualsivoglia natura.
L'installazione dell'apparecchio va fatta seguendo le istruzioni del costruttore. Il mancato
rispetto di tali raccomandazioni può compromettere la sicurezza. L'esecuzione dell'impianto
elettrico d’alimentazione va eseguita nel rispetto delle norme in vigore.
Pericolo di schiacciamento o di trascinamento. Durante il funzionamento, quando l’attuatore
chiude il serramento, esso esercita una forza di 200N sulle battute dell’infisso; tale pressione
è sufficiente a schiacciare le dita in caso di distrazione.
Verificare che la selezione del fine corsa sia inferiore di almeno un centimetro al bloccaggio
di fermi meccanici, limitatori di corsa oppure da eventuali impedimenti fisici all’apertura
dell’anta.
Nel caso di guasto o di mal funzionamento, spegnere l'apparecchio dall’interruttore generale
e far intervenire un tecnico qualificato.
ITA