
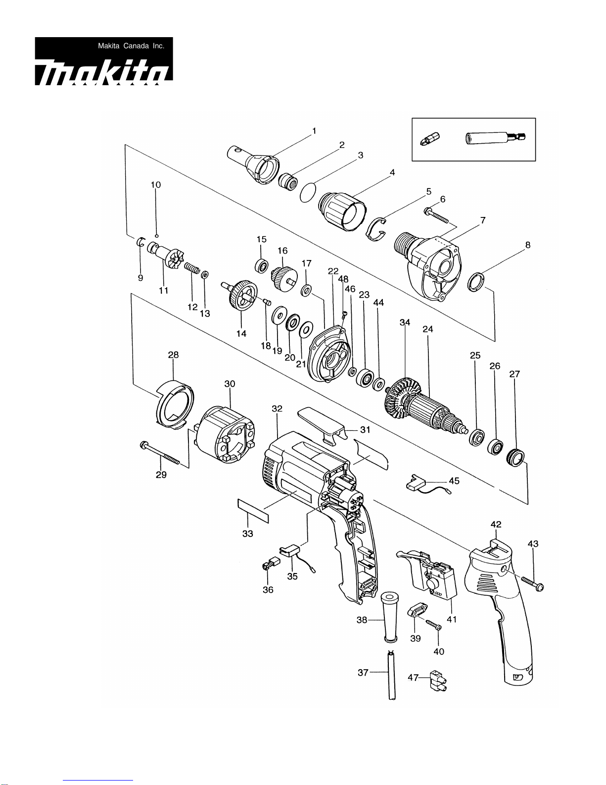
2 Model 6823
2 Model 6824
2 Model 6824TP
2 Model 6825
2 Model 6825TP
Item Part No.
No. No. Used Description Item Part No.
No. No. Used Description
1151726-8 1Locator Com.
2421631-6 1Dust Seal Ring
3213373-4 1O Ring 22
4416994-3 1Lock Ring
5232154-7 1Leaf Spring
6265999-8 3Tapping Screw 4x25 (6824, 6824TP,
6825, 6825TP)
266050-7 3Tapping Screw 4x30 (6823)
7151719-5 1Gear Housing Com. (6823)
151720-0 1Gear Housing Com.
(6824, 6824TP, 6825, 6825TP)
8421766-3 1Ring 20 (Old 421710-0)
9232050-9 1Leaf Spring
10 216001-0 1Steel Ball 3.5
11 151788-6 1Spindle Com.
12 233257-0 1Compression Spring 8
13 267202-3 1-2 Flat Washer 8
14 151789-4 1Gear Com. (6823)
151790-9 1Gear Com. (6824, 6824TP)
151791-7 1Gear Com. (6825, 6825TP)
15 211014-6 1Ball Bearing 606 (6823)
16 226133-5 1Gear Com. 17-35 (6823)
17 267017-8 1Flat Washer 8 (6823)
18 256467-2 3Pin 4 (Old 256439-7)
19 216213-5 1Washer 824
20 216415-3 1Thrust Needle Gauge 821
21 216212-7 1Washer 821
22 *1Gear Housing Cover Com. (6823)
151722-6 1Gear Housing Cover Com.
(6824, 6825, 6825TP)
151724-2 1Gear Housing Cover Com. (6824TP)
23 210007-0 1Ball Bearing 608VV
24 517321-8 1Armature Assy (Includes Items 23, 25,
26, 34 & 44) (6823, 6824, 6824TP)
517326-8 1Armature Assy (Includes Items 23, 25,
26, 34 & 44) (6825, 6825TP)
25 681636-0 1Insulation Washer
26 211021-9 1Ball Bearing 607LLB
27 421479-6 1Rubber Ring 19
28 416993-5 1Baffle Plate
29 266147-2 2Tapping Screw 4x55
30 633441-1 1Field
31 417625-7 1Hook (Old 416996-9)
32 151960-0 1Motor Housing Com. (6825)
(Old 151793-3)
151810-9 1Motor Housing Com. (Includes
818572-9 - Earth Mark Label)(6825TP)
151811-7 1Motor Housing Com. (Includes
818572-9 - Earth Mark Label)(6824TP)
183285-4 1Motor Housing (6823, 6824)
(Old 416982-0, 417168-9)
33 819063-3 1Makita Label
34 240022-0 1Fan 22
35 643948-9 2Brush Holder (6824, 6824TP, 6825,
6825TP)
643952-8 1Brush Holder (6823)
36 191927-6 2Carbon Brush CB-407 (2pcs/Set)