Kitronik 2180 Manual

CREATE YOUR OWN SPEAKER DOCK WITH THIS
ESS
ENTIAL INFORMATION
BUILD INSTRUCTIONS
CHECKING YOUR PCB & FAULT-
FINDING
MECHANICAL DETAILS
HOW THE KIT
WORKS
Version 1.0

Deluxe Stereo Amplifier Essentials
www.kitronik.co.uk/2180
Build Instructions
Before you start, take a look at the Printed Circuit Board (PCB). The components go in the side with the writing on
and the solder goes on the side with the tracks and silver pads.
Start with the five resistors. The text on the PCB shows where R1, R2 etc go.
Ensure that you put the resistors in the right place.
It does not matter which way round they go.
Once you are happy with them, solder in place.
PCB Ref
Value
Colour Bands
R1 & R2
1
k
Ω
Brown,
black
,
red
R3 & R4
100
Ω
Brown, black,
brown
R6
330
Ω
Orange, orange, brown
There are two ceramic disc capacitors (as shown right). These should be soldered into C1 and
C2. It does not matter which way round they go.
SOLDER THE ELECTROLYTIC CAPACITORS
4
SOLDER
THE RESISTOR
S
1
Now solder in the three electrolytic capaci
tors (an example is shown right).
They should be soldered into C3, C4 and C5. Make sure that the capacitors are the
correct way round. The capacitors have a ‘-‘ sign marked on them, which should match
the same sign on the PCB.
SOLDER THE SWITCH
5
SOLDER
THE
CERAMIC DISK CAPACITORS
2
Solder the
PCB Mount Right Angled On / Off Switch into SW1. The row of three pins
that exits the back of the switch must be soldered, but it doesn’t matter if you can’t
solder the other two pins.
SOLDER THE LED
3
Solder the LED into the PCB where it is labelled LED1. When putting it into the board,
make sure that the flat edge on the LED matches the outline on the PCB.

Deluxe Stereo Amplifier Essentials
www.kitronik.co.uk/2180
The kit is supplied with a meter of twin cable. This cable will be used to connect the two
speakers. You will need to cut this to the required length for each speaker in your enclosure
design.
Take each piece of wire that you have cut off and strip the ends of the wire. Solder one end
of each wire to the two terminals on the speaker (shown right). Solder the other end of
each wire to the terminals on the PCB marked ‘SPEAKER1’ and ‘SPEAKER2’, after feeding it
through the strain relief hole. It does not matter which way around these connections go.
The power leads (from either the battery cage or the USB power lead) should be
attached to the terminals labelled ‘POWER’. Solder the red wire to ‘+’ and solder
the black wire to ‘-’ after feeding it through the strain relief hole.
The
stereo Jack lead
should be
soldered
to the ‘INPUT’ terminal. First
,
feed the wires through the strain relief hole. The black wire should be
soldered to the terminal labelled ‘BLK’. The other two can go the either of
the two remaining inputs.
ATTACH THE BATTERY CAGE
OR
USB POWER LEAD
8
CONNECT THE AUDIO CABLE
9
CONNECT THE SPEAKERS
7
SOLDER THE DUAL POTENTIOMETER
6
Solder the potentiometer into the PCB where it is labelled R5. Make sure the volume
knob is facing away from the PCB.

Deluxe Stereo Amplifier Essentials
www.kitronik.co.uk/2180
Checking Your PCB
Check the following before you insert the batteries:
Audio equipment may become damaged if connected to an incorrectly built amplifier.
Check the bottom of the board to ensure that:
All holes (except the large mounting holes) are filled with the lead of a component.
All these leads are soldered.
Pins next to each other are not soldered together.
Check the top of the board to ensure that:
The four wires are connected to the right place (power, stereo input, 2 x speaker).
The ‘-‘ on the electrolytic capacitors match the same marks on the PCB.
The colour bands on R1 and R2 are Brown, Black, Red.
The colour bands on R3 and R4 are Brown, Black, Brown.
The colour bands on R6 are Orange, Orange, Brown.
C1 and C2 match the outline on the PCB.
The battery lead red and black wires match the red and black text on the PCB.
The flat edge on the LED matches the outline on the PCB.

Deluxe Stereo Amplifier Essentials
www.kitronik.co.uk/2180
NO
NO
YES
CHECK
For dry joints on the power, input
and speaker connectors.
The input connector is in the right
place and the black wire is in the
correct hole.
For dry joints or shorts on C1, C2,
R1, R2 and R5.
Are the speakers
making any kind
of sound?
Is the sound coming
out of both
speakers?
YES
Which speaker is
there NO sound
from?
CHECK
For dry joints on the
speaker 1 connections.
For dry joints on the ‘In1’
and ‘Blk’ input connections.
C1, C2 and R3 are in the
correct locations.
SPEAKER 1
SPEAKER 2
START
Power up the board with it
connected to a music source
CHECK
For dry joints on the
speaker 2 connections.
For dry joints on the ‘In2’
and ‘Blk’ input connections.
C1, C2 and R4 are in the
correct locations.
Is the
power
LED on?
YES
NO
CHECK
The power switch is on.
For dry joints on the power
connectors, power switch, LED1
and R6.
The battery lead red and black
wires are the correct way round.
GO TO NEXT PAGE

Deluxe Stereo Amplifier Essentials
www.kitronik.co.uk/2180
FINISH
CHECK
R1, R2, C1 and C2
are in the correct
positions.
For short circuits
on C3 and C4.
Are the speakers
playing the music
clearly?
CHECK
R1, R2, R3, R4, C1
and C2 are in the
correct positions.
Speaker wires are
not crossed over.
YES
Is one of the
speakers very
quiet?
NO
–
LOUD OR
DISTORTED
YES
NO
FROM PREVIOUS PAGE
CHECK
R6 has orange,
orange, brown
colour bands
.
Is the power LED
dim?
YES
NO

Deluxe Stereo Amplifier Essentials
www.kitronik.co.uk/2180
Designing the Enclosure
When you design the enclosure, you will need to consider:
The size of the PCB (below left, height including components = 26mm).
How big the batteries are.
How to mount the two speakers (below right).
How to allow the audio cable out of the box.
Are you making the amplifier for a particular MP3 player, if so, should the MP3 player go in the box?
Position of the volume control, switch and LED.
These technical drawings of the amplifier PCB and speaker should help you plan for this (all dimensions in mm).
Mounting the PCB to the enclosure
The drawing to the left shows how a hex spacer can be used with
two bolts to fix the PCB to the enclosure.
Your PCB has four mounting holes designed to take M3 bolts.

Deluxe Stereo Amplifier Essentials
www.kitronik.co.uk/2180
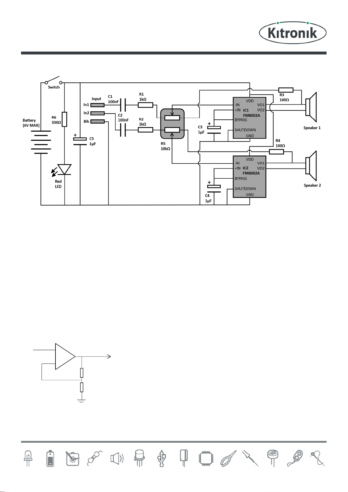
How the Circuit Works
The deluxe stereo amplifier circuit is comprised of two identical mono amplifier circuits, with one taking ‘In1’ as an
input and then sending amplified audio out to Speaker 1, and the other taking ‘In2’ as an input and sending amplified
audio out to Speaker 2. At the centre of each mono amplifier circuit is an audio amplifier Integrated Circuit or IC.
Inside the IC are lots of transistors, which are connected together to allow the small input signal to be amplified into
a more powerful output that can drive a speaker.
All amplifiers need to use feedback to ensure that the amount of gain stays the same. This allows the output to be an
exact copy of the input, just bigger. The gain is the number of times bigger the output is compared to the input. So, if
an amplifier has a gain of 10 and there is 1 volt on the input, there will be 10 volts on the output. An operational
amplifier has two inputs, these are called the inverting (-) and non-inverting (+) inputs. The output of the operational
amplifier is the voltage on the non-inverting input less the voltage on the inverting input, multiplied by the
amplifier’s gain. In theory, an operational amplifier has unlimited gain so if the non-inverting input is a fraction
higher than the inverting input (there is more + than -), the output will go up to the supply voltage. Change the
inputs around and the output will go to zero volts. In this format the operational amplifier is acting as a comparator,
it compares the two inputs and changes the output accordingly.
With an infinite gain the amplifier is no good to amplify audio, which is
where the feedback comes in. By making one of the inputs a percentage of
the output the gain can be fixed, which allows the output to be a copy of the
input but bigger. Now when the two inputs are compared and the output is
adjusted, instead of it going up or down until it reaches 0 volts or V+, it stops
at the point when the two inputs match and the output is at the required
voltage.
90%
Input
10%
Output
Amplifier
X10 gain

Deluxe Stereo Amplifier Essentials
www.kitronik.co.uk/2180
Looking at the circuit diagram for the audio amplifier, it can be seen that the feedback path is via resistors R3 and R4,
then through the potentiometer R5 (from VO1 to -IN on the FM8002A amplifier IC). To make the gain useful in our
application, the variable potentiometer R5 can be used to adjust the ratio of the feedback to input resistors, which in
turn varies the gain and therefore the output volume.
The gain of the amplifier is calculated using the following formula:
𝐺𝑎𝑖𝑛 = 2 × 𝑅
𝑅
Where Rf is the feedback resistor (R3 or R4 + part of R5), and Ri is the input resistor (R1 or R2 + part of R5).
Therefore, the minimum and maximum gain of each mono amplifier section can be found to be:
𝑀𝑖𝑛𝑖𝑚𝑢𝑚 𝐺𝑎𝑖𝑛 = 2 × 𝑅3
𝑅1 + 𝑅5
𝑀𝑖𝑛𝑖𝑚𝑢𝑚 𝐺𝑎𝑖𝑛 = 2 × 100
1000 + 10000
𝑴𝒊𝒏𝒊𝒎𝒖𝒎 𝑮𝒂𝒊𝒏 = 𝟎. 𝟎𝟐
𝑀𝑎𝑥𝑖𝑚𝑢𝑚 𝐺𝑎𝑖𝑛 = 2 × 𝑅3 + 𝑅5
𝑅1
𝑀𝑎𝑥𝑖𝑚𝑢𝑚 𝐺𝑎𝑖𝑛 = 2 × 100 + 10000
1000
𝑴𝒂𝒙𝒊𝒎𝒖𝒎 𝑮𝒂𝒊𝒏 = 𝟐𝟎. 𝟐
C5 is connected across the supply to make sure that it remains stable. The other capacitors have a filtering role,
either to cut out high frequency noise or get the best out of the speaker.
A power switch is inserted in the positive (+V) power line, which is used to turn the amplifier on and off. There is also
a power LED that lights up when the power switch is on. R6 is used to limit the current flowing into this LED, which
stops it drawing too much power, which over time will damage the LED.

Online Information
Two sets of information can be downloaded from the product page where the kit can also be reordered from. The
‘Essential Information’ contains all of the information that you need to get started with the kit and the ‘Teaching
Resources’ contains more information on soldering, components used in the kit, educational schemes of work and so
on and also includes the essentials. Download from:
www.kitronik.co.uk/2180
Every effort has been made to ensure that these notes are correct, however Kitronik accept no responsibility for
issues arising from errors / omissions in the notes.
Kitronik Ltd - Any unauthorised copying / duplication of this booklet or part thereof for purposes except for use
with Kitronik project kits is not allowed without prior consent from Kitronik.
This kit is designed and manufactured in the UK by Kitronik
Tabla de contenidos
Otros manuales de Amplificador de Kitronik
























