JETI model SPS 20 Manual de usuario

Elektronic Switch
®
User Manual ............................ 26User Manual ............................ 26User Manual ............................ 26
Bedienungsanleitung ............. 51Bedienungsanleitung ............. 51Bedienungsanleitung ............. 51
EN
DE
Elektronic SwitchElektronic Switch
SPS 20, DPS 40SPS 20, DPS 40
µSW 15 µSW 15
DSM10DSM10
Elektronic Switch
SPS 20, DPS 40
µSW 15
DSM10
Uživatelský manuál ................ 02Uživatelský manuál ................ 02Uživatelský manuál ................ 02
CZ

Elektronic Switch
1. SPS 20, DPS 40......................................................................................... 04
1.1 Úvod .............................................................................................. 04
1.2 Zapojení elektronického vypínače .......................................... 05
1.2.1 Magnetický spínač ............................................................ 06
1.2.2 Zapojení SPS20 .................................................................. 08
1.2.3 DPS40 v zapojení dvoupólového vypínače .................. 09
1.2.4 DPS40 v zapojení jednopólového vypínače ................ 10
1.2.5 Nabíjení akumulátorů ..................................................... 10
1.3 Instalace ........................................................................................ 12
1.4 Bezpečnostní zásady pro manipulaci s magnetem ............. 12
1.5 Technické údaje elektronického vypínače ............................. 13
1.6 Záruka ........................................................................................... 13
2 μSW 15 .................................................................................. 14
2.1 Úvod .............................................................................................. 14
2.2 Způsob zapojení .......................................................................... 14
2.3 Ovládání vypínače ..................................................................... 15
2.4 Nabíjení akumulátoru ............................................................... 15
2.5 Technické parametry ................................................................. 16
2.6 Záruka ........................................................................................... 16
Česky
2

Elektronic Switch
3 DSM 10 .................................................................................. 17
3.1 Úvod .............................................................................................. 17
3.2 Zapojení DSM 10 ......................................................................... 18
3.3 Ovládání magnetickým spínačem ......................................... 19
3.4 Nabíjení akumulátorů ............................................................... 21
3.5 Instalace ........................................................................................ 22
3.6 Bezpečnostní zásady pro manipulaci s magnetem ............. 23
3.7 Technické údaje ........................................................................... 24
3.8 Záruka ........................................................................................... 24
3

Elektronic Switch
DPS40 (dvojitý el. vypínač) a SPS20 (jednoduchý el. vypínač)
jsou elektronické vypínače určené zejména pro zapínání
napájecího napětí pro přijímače, regulátory, turbínová
čerpadla a podobně. Velkou výhodou elektronického
vypínače je obecně vyšší spolehlivost než u vypínačů
mechanických, a to zejména z hlediska vlivu vibrací. Další
výhodou, kterou přináší elektronický vypínač, je prakticky
neomezený počet cyklů sepnutí a rozepnutí. Protože
elektronické spínání neobsahuje žádné mechanicky
pohyblivé prvky, kontakty atd., mají tyto spínače i větší
životnost. Elektronické vypínače mají na rozdíl od
mechanických vypínačů i tu výhodu, že nemůže dojít k
samovolnému vypnutí. V zapnutém stavu se elektronický
vypínač vyznačuje minimálním přechodovým odporem.
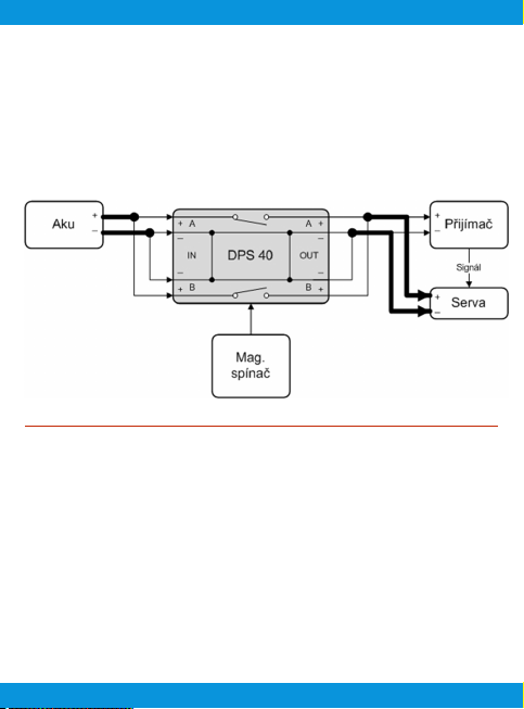
1 SPS 20, DPS 40
A
B
OUTOUTOUTINININ
A
B
®
Doublepoleelectronicswitch
2x20A/3.5-14V
DPS40
1.1 Úvod
CZ
4

Elektronic Switch
Ovládání vypínačů DSP40 a SPS20 je realizováno pomocí
magnetického spínače, který lze umístit na trup letadla. Po
přiložení speciálního magnetu, dle obrázku v kapitole 2,
dochází k zapnutí nebo vypnutí systému.
Vypínače DSP40 a SPS20 jsou sice primárně určeny pro
spínání napájení přijímačů a serv, ale své uplatnění najdou i
v jiných aplikacích, kde je potřeba spínat stejnosměrné
napájení.
Zdroj spínaného napětí se k DPS40 připojuje pomocí dvou
vodičů o průřezu 1mm2. Standardně dodáváno bez
konektorů. Výstupní napětí je vyvedeno dvěma vodiči o
průřezu 1mm2, které se připojí k přijímači a servům. SPS20
má dva páry výstupních vodičů o průřezu 0,5mm2, které
jsou opatřeny JR konektory.
DPS40 má možnost připojení dvou vstupů a výstupů, pro
které je „- pól“ galvanicky společný. SPS20 obsahuje jeden
vstup a výstup. Elektronické vypínače jsou pomocí
třívodičového kabelu spojeny s magnetickým spínačem.
1.2 Zapojení elektronického vypínače
CZ
5

Elektronic Switch
Pozor na správné zapojení vstupu IN a výstupu OUT!! V
případě záměny může dojít k nevratnému poškození
vypínače!! Na vstup IN zapojujte vždy jen akumulátory
a na výstup OUT přijímače, serva atd.
Varování!
A
B
OUTOUTOUTINININ
A
B
®
Doublepoleelectronicswitch
2x20A/3.5-14V
DPS40
Accu A
Accu B
ON
ON/OFF
Magnetický
spínač
Dbejte správného připojení vstupních a výstupních
vodičů, kde vodiče s červenou bužírkou jsou určeny pro
připojení ke kladnému pólu a vodiče s černou bužírkou
pro připojení k zápornému pólu.
Upozornění!
Výstup A
(přijímač, serva)
Výstup B
(přijímač, serva)
1.2.1 Magnetický spínač
Magnetický spínač je určen k zapínání nebo vypínání
DPS40/SPS20. Pro zapnutí DPS40/SPS20 je nutné přiložit
dodávaný magnet v nosiči na terčík tak, aby klíč nosiče a klíč
na magnetickém spínači byly souhlasně orientovány.
CZ
6

Elektronic Switch
ON
ON/OFF
Magnetický spínač obsahuje zelenou LED indikující stav
„zapnuto“.
LED zapnuto - blikáním signalizuje dosah magnetu
- trvalým svitem je signalizován zapnutý stav
klíč
terčík
LED On
Při přiložení magnetu dle daného klíče se po časovém
intervalu 1s rozsvítí zelená LED trvale a elektronický vypínač
je zapnut. Vypínání probíhá obdobným způsobem, kdy po
opětovném přiložení magnetu a po intervalu 1s zhasne
zelená LED a systém se vypne.
Systém vypínače si uchovává informaci o tom, jestli byl
naposledy zapnut nebo vypnut. Pokud systém zapnete
mag. spínačem a následně odpojíte napájecí
akumulátor a znovu připojíte elektronický vypínač k
akumulátoru, automaticky se zapne. Z bezpečnostních
důvodů vždy před odpojením napájecích akumulátorů
vypněte systém magnetickým spínačem.
Upozornění!
CZ
7

Elektronic Switch
Při zapínání elektronického vypínače připojte všechny
akumulátory a až poté zapněte systém magnetickým
spínačem. Pro vypínání dodržujte stejné pravidlo.
Nejprve systém vypněte magnetickým spínačem a až
poté odpojte akumulátory.
Upozornění!
1.2.2 Zapojení SPS20
Oba dva výstupy mají společné napájení, tedy „–pól“ i
„+pól“:
Výstupní proud je rozdělen do dvou párů výstupních
kabelů, kde každý pár je určen pro výstupní trvalý proud
max. 5A.
CZ
8

Elektronic Switch
1.2.3 DPS40 v zapojení dvoupólového vypínače
Elektronickým vypínačem DPS40 lze spínat 2 vstupy s
různým napěťovým potenciálem:
V zapojení se dvěma akumulátory nesmí být spojeny „+
póly“ výstupů A a B!
Upozornění!
CZ
9

Elektronic Switch
1.2.5 Nabíjení akumulátorů
Nabíjení akumulátoru lze provádět při zapojeném
elektronickém vypínači (ve vypnutém stavu – zelená LED
nesvítí), avšak nesmí dojít k rozpojení akumulátoru. Nabíjecí
napětí se připojuje přímo na akumulátor (popř. na vstup
vypínače), nikoliv na výstup vypínače!! Pokud je potřeba
rozpojit akumulátor, nejprve odpojte nabíjecí napětí!
Nedodržením těchto zásad se může elektronický vypínač
zničit!
1.2.4 DPS40 v zapojení jednopólového vypínače
Většího výstupního proudu, až 1x40A, můžeme docílit
spojením dvou vstupů a výstupů A, B elektronického
vypínače DPS40. Průřez přívodních vodičů v místě
dvojnásobného proudu pak musí odpovídat zvětšenému
proudovému zatížení:
CZ
10
Este manual sirve para los siguientes modelos
3
Tabla de contenidos
Idiomas:
Otros manuales de Cambiar de JETI model


















