3009-dva.ib.doc Page 5 of 8 06.05.2003
Technical Description
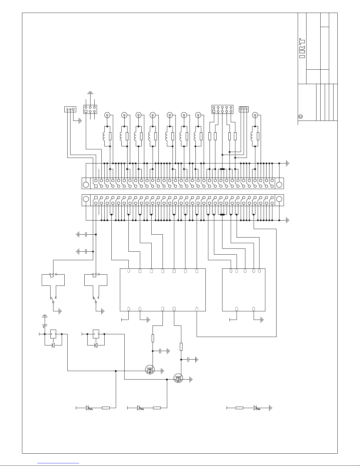
The DVA-3009 consists of two identical circuits. The input circuits of the DVA-3009 consists of an adaptive cable
equaliser IC, which automatically adapts to equalise any cable length from zero metres to lengths that attenuate the
signal by 40 dB at 135 MHz. This corresponds to 300 metres of Belden 8281 cable. When link LK3 is closed, for
input circuit A, or link LK4 is closed, for input circuit B, equalisation is reduced to approx. 200 metres for use in
noisy environments or when a short input cable is used. A carrier detect and output mute circuit is used to mute the
output when no signal is present. The DVA-3009 is insensitive to the pathological patterns that can be present in
the serial digital video signal.
The outputs of the input stages are coupled to cable driver circuits to provide the two sets of three isolated in phase
outputs from the DVA-3009.
The input cable equaliser circuits U1 & U4 incorporate a carrier detection circuit to mute the output when no
signal is applied to the unit. The carrier detect signal energises relays, RL1 via a transistor Q1, for input A, and
RL2 via a transistor Q2, for input B, when carrier is present. The relay contacts are connected to SK10 on the rear
panel to give a failure alarm in the form of a make (or break) to ground on failure as set by links LK1 & LK2, on
the circuit board.
The dual AC inputs are rectified and then regulated by a switch mode regulator circuit to provide the +5V
operating voltage for the unit.
Installation
Handling:
The DVA-3009 contains static sensitive devices and proper static free handling precautions should be observed.
When individual modules are stored, they should be placed in antistatic bags and proper antistatic procedures
should be followed when inserting and removing cards from these bags.
Power:
Ensure that the voltage selection of the IRT mounting frame used to house the DVA-3009 and the local AC mains
supply voltage match and that the correct rating fuse is installed in the mounting frame power supply.
Earthing:
Chassis earth connection of the equipment-mounting frame is via the earth connection on the three pin (IEC) AC
mains supply inlet. This is a safety earth and must be connected.
Installation in frame or chassis:
See details in separate manual for selected frame type.
LK1 & LK2 are factory set for a contact make to ground on signal failure at SK10 pins 3 & 2 on the rear panel,
move LK1 & LK2 from the normally closed (N.C.) to the normally open (N.O.) position for a break to ground on
signal or power loss.
Links LK3 & LK4 closed reduces the input equalisation to approx. 200m for use in noisy environments or when
short input cable is used.
The presence of signal is indicated by the ‘SIGNAL PRESENT’ front panel LED (green).
The presence of the internal +5 Vdc supply is indicated by the front panel LED (green).
It is recommended that unused outputs on the rear panel be terminated with 75 ohm termination plugs.