
-
9
-
«Traduit à partir des instructions originales»
CE MANUEL VOUS DONNE LES INDICATIONS POUR
L’INSTALLATION, L’UTILISATION ET L’ENTRETIEN DE
LA SOUPAPE, IL EN FAIT DONC PARTIE INTÉGRANTE
ET DOIT ÊTRE LU ATTENTIVEMENT AVANT DE TOUTE
ACTIVITÉ ET CONSERVÉ SOIGNEUSEMENT.
RESPECTER RIGOUREUSEMENT LES INSTRUCTIONS
CONTENUES DANS CE MANUEL POUR UN EMPLOI EN
SÉCURITÉ ET EFFICACE DE LA SOUPAPE.
LE NON-RESPECT DE CES INSTRUCTIONS PEUT
CAUSER DES PANNES PRÉMATURÉES ET
PROVOQUER DES SITUATIONS DE DANGER. DE
PLUS, CELA ENTRAÎNE LA PERTE DE VALIDITÉ DE LA
GARANTIE.
1- INFORMATIONS GÉNÉRALES
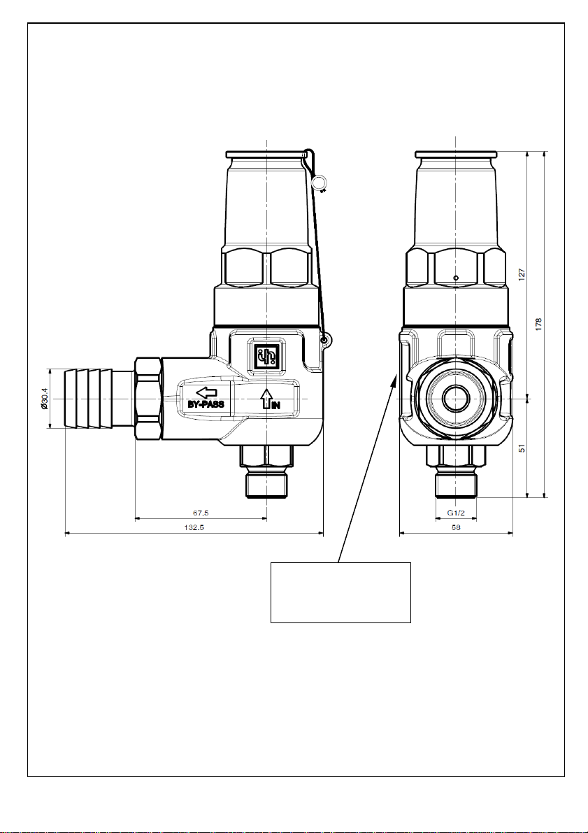
1.1- La soupape de limitation de la pression S723 est un
dispositif à tarage manuel et actionné à la pression qui, en
fonction du réglage, évacue l’excédent d’eau quand la
pression à l’intérieur de la pompe/installation dépasse la
valeur de tarage, ainsi réduisant la pression. Le
rétablissement des conditions d’utilisation normales se
produit en arrêtant et ensuite en actionnant de nouveau
l’installation.
1.2- Puisque la soupape S723 est utilisée avec une
pompe/installation pour eau à haute pression, qu’on
appellera ci de suite seulement « installation », la mise en
place et l’utilisation doivent être appropriées au type
d’installation utilisé et se conformer aux normes de sécurité
en vigueur dans le pays où la soupape est utilisée.
1.3- Avant d’utiliser la soupape, s’assurer que l’installation
avec laquelle celle-ci est utilisée a été déclarée conforme
aux dispositions des Directives et/ou normes relatives.
1.4- Avant d’installer et d’utiliser la soupape pour la
première fois, on conseille de contrôler que celle-ci n’est
pas endommagée et de vérifier que les caractéristiques
nominales correspondent à celles d’utilisation. Dans le cas
contraire, n’utilisez pas la soupape et contactez le service
après-vente de Interpump Group pour avoir des
renseignements.
2- EMBALLAGE
2.1- Effectuer la manutention des emballages en respectant
les instructions indiquées sur les emballages mêmes et/ou
fournies par le constructeur.
2.2- Au cas où la soupape n’est pas utilisée
immédiatement, il faut la stocker dans son emballage
intégral et la ranger à l’abri des intempéries, de l’humidité
excessive et de la lumière directe du soleil. Il est
conseillable aussi d’interposer des palettes en bois ou autre
matériel entre le sol et l’emballage, afin d’éviter le contact
direct avec le sol.
2.3- Éliminer les parties de l’emballage conformément aux
dispositions des lois en vigueur.
3- INSTRUCTIONS POUR L’INSTALLATION :
3.1- La pression de tarage SP est réglée et fixée par
scellement par Interpump Group et ne peut pas être
changée. Les valeurs de la pression de tarage et de la
pression maximum de fonctionnement conseillée WP
sont indiqués sur la soupape.
3.2- Le débit maximum dépend de la pression de tarage et
est compris entre 41 et 230 l/min. La valeur exacte est
indiquée sur la soupape.
3.3- La pression de tarage SP est la pression à la quelle la
soupape s’ouvre, qui correspond à la valeur maximum de
pression que l’installation peut atteindre.
3.4- L’installation doit être effectuée par un personnel
qualifié et autorisé, ayant la compétence nécessaire pour
travailler à des installations à haute pression et qui aient
connaissance des instructions d’utilisation et de sécurité
indiquées dans ce mode d’emploi.
3.5- Le système de fixation et d’étanchéité de la soupape
S723 est conçu pour des pompes et/ou des produits
Interpump Group.
ATTENTION: Pendant l’utilisation, ne jamais
dépasser les valeurs maximums de pression,
débit et température indiquées dans le mode
d’emploi et/ou sur la soupape.
ATTENTION: Pour une utilisation correcte de
la soupape, il faut installer celle-ci dans le
secteur de l’installation qui atteint la pression
la plus haute pendant l’utilisation. De plus, on
conseille de la placer près de la pièce qui doit
être protégée le plus des pics de pression.
CARACTÉRISTIQUES TECHNIQUES
DÉBIT
DOMAINE DE LA
PRESSION DE TARAGE
-SP-
max PRESSION DE
FONCTIONNEMENT
-WP-
TEMP.
max MASSE
min - max min - max °C °F kg lbs
15 – 230
3,9 – 60,8
l/min
g.p.m.
(USA)
6 – 84
60 – 840
870 – 12180
MPa
bar
p.s.i.
70
700
10150
MPa
bar
p.s.i.
60 140
1,7 3,8