
7
Operating Instructions/Troubleshooting
Please read the disposer operating instructions and
train your personnel before operating the disposer.
The operating instructions include:
• Disposer operation
• How to restart the disposer after a jam condition
PERSONAL INJURY
• Allow only trained personnel to operate disposer.
• Use baffles and guarding to avoid splashing and
ejection of materials.
• Do not put fingers or hands into the disposer.
• When attempting to remove objects from a
disposer, use long-handled tongs or pliers.
• Turn power off before clearing a jam, removing
an object from the disposer or pressing the red
reset button.
ELECTRICAL SHOCK/PROPERTY DAMAGE
• Troubleshooting other than what is recommended
in this section should only be performed by
qualified service personnel.
• Further troubleshooting performed by untrained
personnel could result in electric shock or damage
to the control center.
• All electrical checks must be performed by a
qualified professional.
OPERATING INSTRUCTIONS
TO START
1. Check to ensure disposer is free of
foreign objects.
2. Ensure power is on.
3. Push start button. Disposer motor will run and
water will flow into the disposer.
TO STOP
1. Push stop button. Disposer motor and water
will stop
TROUBLESHOOTING
This control center was inspected and tested under
operating conditions before shipment from the factory.
In case of trouble, check the items listed below
A. Disposer motor will not start and water
does not flow.
1. No incoming line power, turn line power on.
B. Disposer motor stops while grinding but water
continues to flow.
1. Disposer is jammed. Press stop button and
follow directions for unjamming.
2. Disposer motor overload protector has tripped.
Follow instruction in C1.
C. Disposer will not start but water flows.
1. Overload protector on the disposer may have
tripped. Press stop button. Locate red reset
button on front of disposer electrical cover.
Press to reset. If motor had been running, wait
five minutes for the motor and overload to cool
down before starting.
2. Disposer is jammed. Press stop button and
follow directions for unjamming that were
supplied with the disposer.
D. Water flows constantly before start button
is pushed.
1. Water solenoid valve is installed backward.
Water flow should be in the direction of the
arrow on valve.
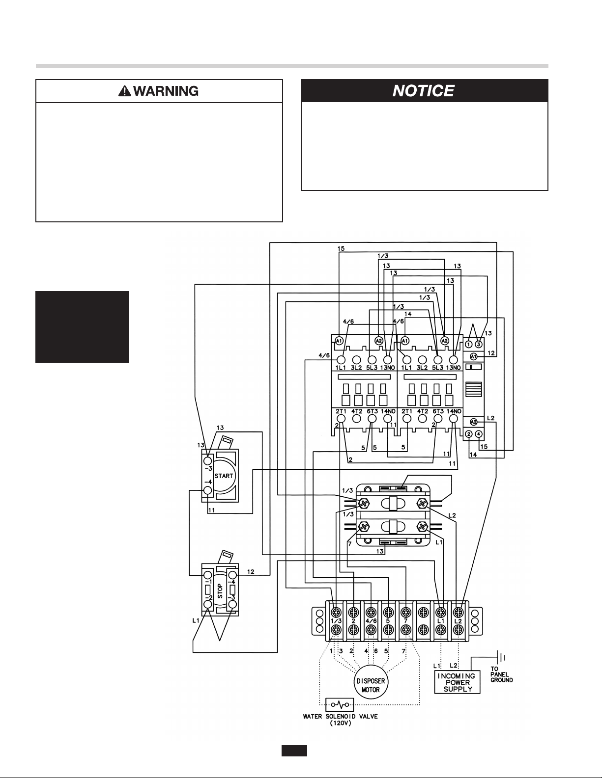
2. Water solenoid valve is wired incorrectly.
Recheck wiring diagram
E. Overload trips frequently.
1. Do not overload disposer with excess amounts of
food waste and water (see disposer instruction
for recommended water flows).
If trouble still persists, call your nearest
InSinkErator Authorized Service Agency.
For the location of your nearest service
agency, call toll-free 1-800-845-8345.