impro IXP904-1-0-GB Series Manual de usuario

MODEL NUMBER: IXP904-1-0-GB-XX
IXP905-1-0-GB-XX
IXP906-1-0-GB-XX
XEA901-1-0-GB-XX
XEA902-1-0-GB-XX
xea
IXP110 CONTROLLER
ImproX IXP110 Controller
INSTALLATION MANUAL
SPECIFICATIONS
Working Environment .................
Designed to work in an indoor (dry)
environment similar to IP40. The Controllers
are NOT sealed against water.
Power Requirements
Input Voltage using a Sealed
Lead Acid Backup Battery,
Connected to the Battery Input
and or Strike Lock Connected
to the Power Output...............
14 V AC to 18 V AC.
18 V DC to 24 V DC.
Input Voltage NOT using a
Sealed Lead Acid Backup
Battery and or Strike Lock......
9 V AC to 18 V AC.
9 V DC to 24 V DC.
NOTE: Battery Charging Voltage and
Power Output Voltage are set at
between 13.6 V DC and 13.8 V DC.
NOTE: This current is measured using
18 V DC Input Voltage.
IXP110 with two Antenna
Readers Connected...............
135 mA (2.43 W).
NOTE: Each Relay draws an extra
120 mA.
NOTE: The IXP110 current limits the
charging current into the Sealed
Lead Acid Battery to a maximum of
350 mA.
NOTE: The maximum size Sealed Lead
Acid Battery that can connect to the
Battery Input is 12 V, 7 Ahr.
NOTE: The maximum current that can be
drawn from the Power Output is
250 mA. (If using a Maglock or
high current Strike Lock, connect
the Lock to a separate power
supply).

IXP343-0-0-GB-07
April 2009
Page 2
Ethernet Port
Configuration..........................
Standard Ethernet RJ45 connector.
10/100 Mbps, half or full duplex.
RS232 Port
Configuration..........................
9-Way, D-type, male connector at 115 200
Baud.
USB Port
Configuration..........................
USB, Type-B, female connector, USB 2.0
compliant 12 Mbps.
Relays
Relay Output..........................
2 Relays, each with NO, COM and NC
contacts.
Relay Contact Ratings ...........
5 A at 28 V DC,
1.5 A at 220 V AC,
5 A at 120 V AC.
Digital Inputs
DOS Input..............................
Dry contact, non-potential sensing or 4 V to
30 V potential sensing. Input protection to
50 V DC (continuous).
RTE Input...............................
Dry contact, non-potential sensing. Input
protection to 50 V DC (continuous).
Figure 1: End of Line (EOL) Sensing Circuit
NOTE: These Inputs can be individually configured to have End of Line (EOL)
Sensing in the Software via the Communications Protocol. With End of Line
Sensing active, the Input detects when the input line has gone open or
closed circuit. Connect a 1 kOhm Resistor either in series with, or in parallel
to, the Dry Contact, mounted as close as possible to the Dry Contact for
effective End of Line Sensing.
The recommended connection of the Resistor for Normally Closed (NC) and
Normally Open (NO) contacts is shown in Figure 1. For Normally Closed
Dry Contacts, connect the 1 kOhm Resistor in series with the contact; while
for Normally Open contacts connect the Resistor in parallel with the contact,
see Figure 1.

IXP343-0-0-GB-07
April 2009
Page 3
Controller Interfaces
Status LED.............................
Green LED (externally visible).
Antenna Reader Interfaces
Status Indicator
Status LED .....................
Bi-colour, Red or Green LED.
Buzzer
Volume and Tone...........
4-Step adjustable volume, single tone.
INSTALLATION INFORMATION
Accessories
Find the following when unpacking the ImproX IXP110 Controller:
An IXP110 Controller housed in a Black, Aluminium extruded Cabinet. The
Cabinet consists of a Top Cover, a Base and two End Plates. Each End Plate is
attached with four Thread Cutter Screws (2.2 x 5 mm).
One copy of IXP110 Software on CD.
A 3 V Lithium Battery (CR2032).
CAUTION: DO NOT use the Metal-oxide Varistors (25 Vrms, 500 A, 77 V max
clamping) with mains power applications.
Two Metal-Oxide Varistors, 25 Vrms, 500 A, 77 V max clamping.
Four Wood Screws (3.5 mm x 25 mm).
Four Wall Plugs (7 mm).
IXP905-1-0-GB-XX includes a standard 2 m (7 ft) USB Printer Cable. The USB
Cable will have a Type ‘A’ plug fitted at one end and a Type ‘B’ plug fitted at the
other end.
IXP906-1-0-GB-XX includes a MAC Address Label.
An extra Fixed Address Label.
General
Remember the following when installing your IXP110 Controller:
Communications Distance
The Ethernet version of the Controller plugs into an Ethernet Switch or Hub (or
other network device), cable runs for this must conform to ethernet cabling
specifications.
The RS232 communications distance between the IXP110 Controller and the
connected Host PC MUST NOT exceed 25 m (82 ft). Achieve this by using good
quality screened 4-core cable.
The USB communications distance between the Host PC and the IXP110
Controller MUST NOT exceed 5 m (16 ft). Please note, however, the SUPPLIED
CABLE CANNOT BE EXTENDED.

IXP343-0-0-GB-07
April 2009
Page 4
EARTH Connection
Connect the IXP110 Controller to a good EARTH point. Using the Power Input Port,
connect the EARTH Lead to the ‘ETH’ Terminal. Mains EARTH can be used, but
electrical noise may exist.
Antenna Readers
Antenna Reader Distance
The ideal cable distance between the IXP110 Controller and its Antenna Reader
ranges between 2 m to 16 m (7 ft to 53 ft). Optimal performance is not guaranteed
outside of this range. Achieve optimal performance using a good quality shielded multi-
strand **3-pair twisted cable. The cross-sectional area of the cable must not be less
than 0.2 mm2(0.0003 in2).
NOTE: **When installing an ImproX RA, use 1-pair twisted cable.
Cable Specifications
The cable specifications should be similar to the following:
Conductor Resistance: < 2 ohms.
Capacitance, Core to Earth: < 160 pF/m.
Capacitance, Core to Core: < 100 pF/m.
Distance between Antenna Readers from the SAME Controller
To avoid mutual interference install the Antenna Readers no closer than 150 mm (6 in)
apart.
Distance between Antenna Readers from DIFFERENT Controllers
To avoid mutual interference install the Antenna Readers no closer than 500 mm
(20 in) apart.
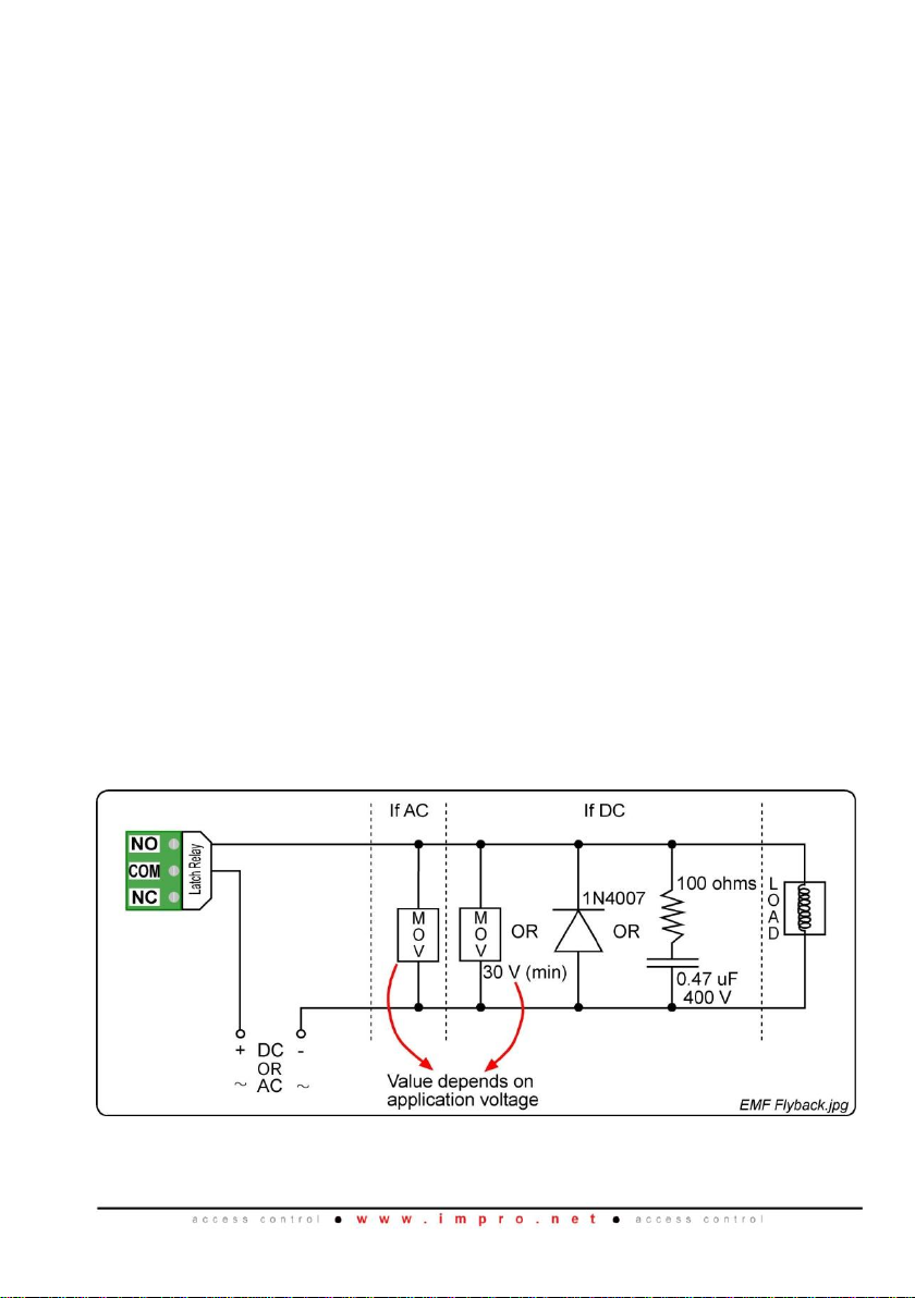
Arc Suppression
Snubber devices are recommended for EMF Flyback and Arc Suppression when
driving an inductive load with the Relay, see Figure 2.
Figure 2: EMF Flyback

IXP343-0-0-GB-07
April 2009
Page 5
Mounting the Controller
CAUTION: Make certain that you mount the Controller on a vibration-free
surface.
Select the mounting position of the IXP110 Controller, considering accessibility, routing
of wires and visibility of the LED.
Secure the Base to the mounting surface, using four suitable screws and wall plugs
(supplied), nuts and bolts or rivets.
Top Cover Release Mechanism
1. Remove the top two Thread Cutter Screws (2.2 x 5 mm) from each of the End
Plates.
2. Insert a flat head screwdriver (maximum 7 mm) into the cut out in either of the two
End Plates. Swivel the screwdriver until the Top Cover makes a click sound.
3. Insert the screwdriver in the gap (on the side of the IXP110 Controller) between the
Top Cover and the Base. Swivel the screwdriver again, to release the Top Cover
from the Base.
Figure 3: Front End Plate
Figure 4: Back End Plate
Blank Space

IXP343-0-0-GB-07
April 2009
Page 6
Installing the Real Time Clock (RTC)/RAM Backup Battery
CAUTION: When handling the Real Time Clock (RTC)/RAM Backup Battery, be
careful NOT to touch the Positive and Negative Poles
simultaneously. Doing so will discharge the Battery.
The Battery Holder is located on the left-hand side of the Controller’s Printed Circuit
Board (PCB), alongside the RTE Input Terminal Block (see Figure 5).
First Time Use
1. Remove the Controller’s Top Cover.
2. Slide the supplied 3 V, CR2032, Lithium cell Battery under the metal clip of the
Battery Holder, with the "+" Terminal facing UP.
3. Press the Battery firmly into the Battery Holder.
4. Attach the Controller’s Top Cover.
Replacement
1. Remove the Controller’s Top Cover.
2. Remove the old 3 V, CR2032, Lithium cell Battery from the Battery Holder by
pulling the plastic retaining clip horizontally AWAY from the Battery Holder. The
Battery Holder is spring-loaded, and will raise the Battery out of the Holder.
3. Slide the new 3 V, CR2032, Lithium cell Battery under the metal clip of the Battery
Holder, with the "+" Terminal facing UP.
4. Press the new Battery firmly into the Battery Holder.
5. Attach the Controller’s Top Cover.
ELECTRICAL CONNECTIONS
Controller Layout
Figure 5: Key Component Positions

IXP343-0-0-GB-07
April 2009
Page 7
Connecting the IXP110 Controller
Figure 6: Input and Power Connections

IXP343-0-0-GB-07
April 2009
Page 8
Figure 7: Antenna Reader and Relay Connections

IXP343-0-0-GB-07
April 2009
Page 9
IXP110 System Maintenance
Deleting the Database
If it becomes necessary to clear all Tagholders, including all Tagholder settings, follow
these steps:
Figure 8: Deleting the Database
Restore Factory Defaults
If it becomes necessary to return the IXP110 System to its factory default settings,
follow these steps:
Figure 9: Restoring Factory Defaults
Blank Space

IXP343-0-0-GB-07
April 2009
Page 10
Power-on Self-test
The Power-on Self-test tests the RAM, Flash-ROM checksums and RTC.
Fixed Address Label
Once the IXP110 is installed, sketch a rough site plan. Attach the loose (extra Fixed
Address Label packaged with the Controller) Fixed Address Label in the position of the
Controller on the sketched site plan. When the system installation is complete and all
the units are represented on the site plan by their Fixed Address Labels, file the site
plan for future reference.
The Fixed Address is also used for system maintenance functions, including: deleting
the database and restoring factory defaults.
MAC Address
The MAC Address identifies the Lantronix® XPort™component placed in each
Ethernet version of the IXP110 Controller (IXP906-1-0-GB-XX).
The MAC Address and description of the Controller’s location are required by the
Software Installer to enable an IP Address to be assigned to the Controller.
We recommend that you attach the MAC Address Label to the site plan in the
Controller’s installed location.
GUARANTEE OR WARRANTY
CAUTION: We reserve the right to nullify the products guarantee or warranty
where you have not properly installed the Metal-oxide Varistors.
This product conforms to our Guarantee or Warranty details placed on our Web Site, to
read further please go to www.impro.net.
USER NOTES
Este manual sirve para los siguientes modelos
6
Tabla de contenidos
Otros manuales de Controladores de impro



















