
Table of Contents
PAGE
1. Product Outline ............................................................................................................................................ 3
2. Handling Precautions ................................................................................................................................... 3
3. Specification ................................................................................................................................................ 4
3.1.General Specification ....................................................................................................................................... 4
3.2.Camera Output Signal Specification .................................................................................................................. 5
3.3.Spectral Response (Representative Value) ......................................................................................................... 6
4. Connector ..................................................................................................................................................... 7
4.1.Connector P1 .................................................................................................................................................. 7
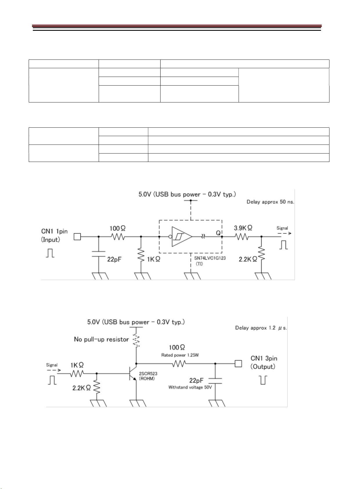
4.2.Connector CN1 ............................................................................................................................................... 7
5. Timing Chart ................................................................................................................................................ 8
5.1.USB3.0 Normal Shutter Mode ........................................................................................................................... 8
5.2. USB3.0 Fixed Trigger Shutter Mode .................................................................................................................. 8
5.3.USB2.0 Normal Shutter Mode ........................................................................................................................... 9
5.4.USB2.0 Fixed Trigger Shutter Mode ................................................................................................................... 9
5.5.Output Format .............................................................................................................................................. 10
5.6.Fixed Trigger Shutter Mode ............................................................................................................................ 11
6. Scan Mode .................................................................................................................................................. 12
6.1. Partial Scan Mode .................................................................................................................................. 12
7. Binning Mode ............................................................................................................................................. 14
8. VGA Mode ................................................................................................................................................... 14
9. QVGA Mode ................................................................................................................................................ 15
10. UVC Extension Units (USB) Function ........................................................................................................ 16
11. Function Setting ......................................................................................................................................... 16
12. Dimensions................................................................................................................................................. 19
13. Initial Setting ............................................................................................................................................. 20
14. Cases for Indemnity (Limited Warranty) .................................................................................................. 21
15. CMOS Pixel Defect ..................................................................................................................................... 21
16. Product Support ......................................................................................................................................... 21