
Hamtronics, Inc.; Hilton NY; USA. All rights reserved. Hamtronics is a registered trademark. evised:
GENERAL INFORMATION.
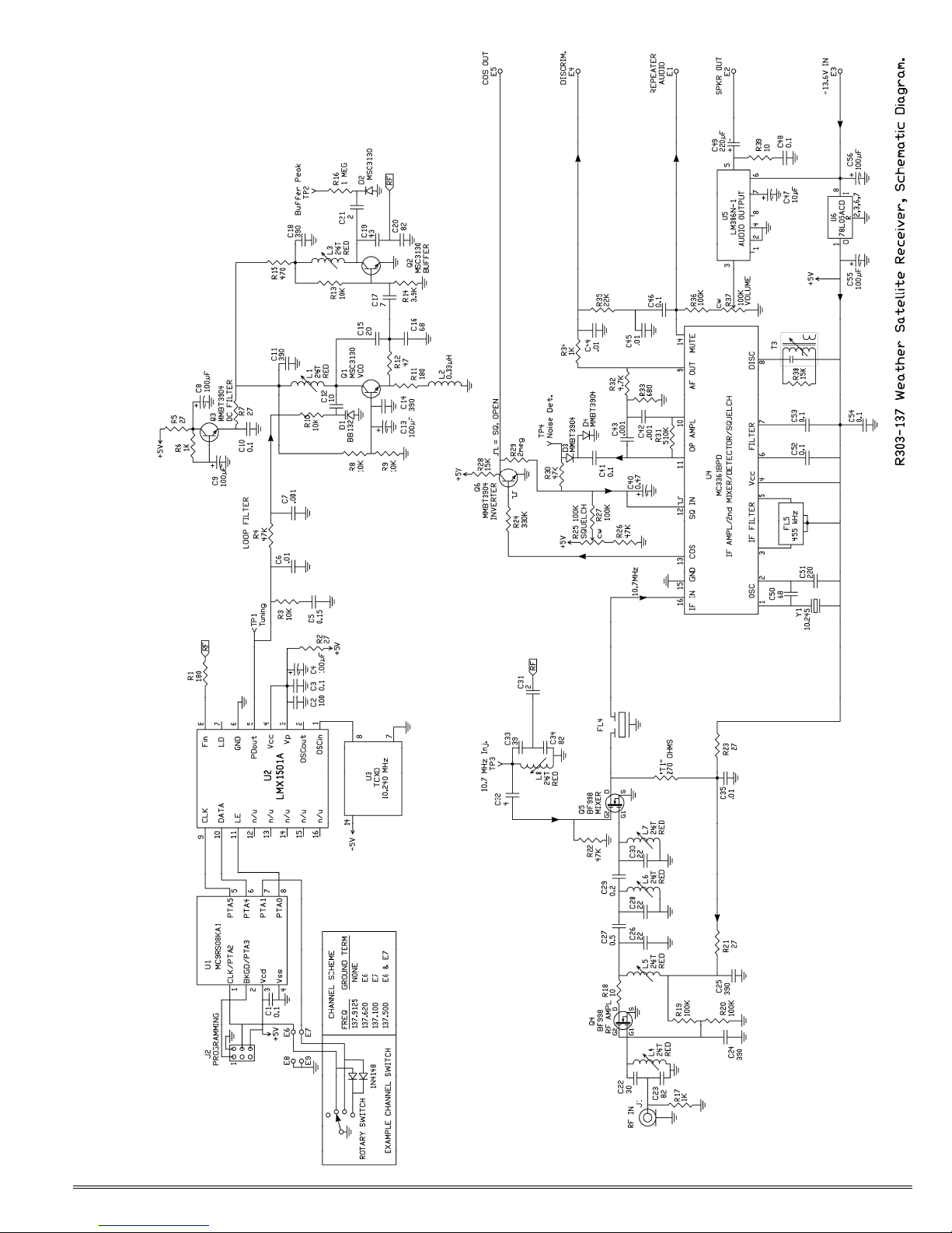
The R303-137 is a commercial-grade,
four-channel, frequency synthesized vhf fm
receiver optimized for operation on the 137
M z weather satellite channels. All four
NOAA satellite frequencies are installed in
the receiver. It features wide i-f filters (38
k z modulation acceptance to accommodate
the wide deviation used for APT), low-noise
dual-gate FET rf amplifier and mixer stages,
and an integrated circuit i-f strip.
The receiver is powered by 12Vdc. An ac
adapter is available as an option.
SPECIFICATIONS.
•Channels supplied: 137.100, 137.500,
137.620, & 137.9125M z NOAA APT
Satellites.
•Commercial grade tcxo for tight frequency
accuracy: 2ppm -30 to +60°C.
•Sensitivity (12dB SINAD): 0.2µV
•Squelch Sensitivity: 0.15µV
•Normal satellite signal bandwidth: ±15 k z
deviation
•Modulation Acceptance: ±18 k z
•Speaker Audio Output: 1 Watt (8 ohms).
•igh impedance output for computer
sound system input (1Vp-p with 9k z de-
viation on input signal)
•Operating Power: +13.6Vdc at 38-100 mA,
depending on audio level.
•Size: 4 in. W x 2-1/2 in. D
CHANNELS.
You can select which satellite channel
you want to hear with a jumper on the pc
board. For convenience, you may want to
install a switch on your cabinet, and we will
tell you later how to do that.
Following is a quick reference chart
showing which pc board terminals to ground
for each channel. This scheme allows the
most popular channels to be selected with
the simplest jumpers. Note that terminals E8
& E9 provide handy ground terminals if you
just want to install a jumper on the board.
Note that we can provide programming
for other nearby frequencies on special or-
der, with a total of four frequencies possible.
Channel Ground Terminal(s)
137.9125 None
137.620 E6
137.100 E7
137.500 E6 & E7
INSTALLATION.
Mounting.
Assuming you will mount the pc board in
a cabinet of some sort, the best method is to
use 4-40 screws and threaded standoffs in
the mounting holes in the corners of the
board. We sell an A26 Mounting Kit which is
handy for the purpose. Use metal mounting
hardware such as this so that the ground
plane of the board is connected well to the
cabinet. That way, all your ground returns
for power and audio can simply be con-
nected to the metalwork of the cabinet.
Connecting to the Board.
The pc board has pads where wires to
external connections can be made. Nor-
mally, #22 solid hookup wire should be used
with wires soldered on the bottom of the
board.
DC Power.
The R303-137 Receiver is designed to
operate on +12 to +18Vdc. It requires about
38 mA of current with no audio output and
up to 100 mA with audio turned all the way
up. Ideally, the receiver only needs 12Vdc.
You can operate from any 12Vdc regulated
power supply if you wish.
If you purchased a 12Vdc power adapter,
the actual voltage will be higher than 12Vdc,
but the receiver is designed to accommodate
the voltage of the adapter. 12Vdc power
adapters are not regulated, and typically put
out 18-20Vdc with no load, dropping to
12Vdc only with their full rated load.
The power supply or 12Vdc power
adapter should be connected with its posi-
tive lead soldered to E3 and its negative lead
connected anywhere on the ground plane,
such as under a mounting screw. You can
also use ground terminals E8 & E9 for ground
connections to the board.
If you are using the 12Vdc adapter, cut
about an inch off the end of the cable to get
to clean copper never exposed to the air.
Then, separate the two leads about an inch
and strip them 1/8 inch. The lead with the
small grooves molded into it is positive, and
the smoother lead is negative.
WARNING: REVERSE POLARITY WILL
DAMAGE T E RECEIVER.
Audio Output.
There are 2 audio output terminals: E1
and E2. As with power, the ground return
can be connected to the ground plane at any
of the mounting screws; or you can use
ground terminals E8 & E9 for that purpose.
E2 is the speaker output, with the vol-
ume controlled by VOLUME control R37 on
the board. SQUELC control R25 controls
the squelch opening threshold. The output ic
in the R303-137 can provide up to 1 watt of
audio to a load of 8Ω or more. (A lower load
impedance might cause distortion or over-
heating at high volume levels.)
E1 is a high impedance output with a
fixed level (nominal 1Vp-p) which can be
used with the line input on your computer’s
sound system. Or if you prefer, you can use
the speaker output from E2 and set the level
to whatever works best.
Antenna Connection.
The success of reception is very much
dependent on having a good antenna. The
ARRL Weather Satellite Handbook is a good
source of information on building antennas.
Good quality, low-loss 50Ω coax should be
used between the antenna and the receiver
because the satellite signals are weak.
The antenna connection should be made
to the pc board with an RCA plug of the low-
loss type made for rf. We sell good RCA
plugs with cable clamp. See A5 plug on
website.
If you want to extend the antenna con-
nection to a panel connector, we recom-
mend using a short length of RG-174/u coax
with the plug and keep the pigtails very
short. This allows you to use flexible cable to
connect to the board and still use heavier,
low-loss coax for the connection to the an-
tenna up on the roof.
If you use a preamp, such as our LNK-
137, you can overcome some cable losses by
installing the preamp right up at the antenna.
This establishes a low noise figure before
going through the loss of the cable.
Channel Switching.
If you plan to use only one channel nor-
mally, you can simply install jumper(s) on the
board as outlined in the table at the left.
owever, to easily switch channels without
jumpers, you may want to add a channel
switch on the front panel of your cabinet.
The schematic diagram suggests a way to do
this. Basically, you need to ground E6 and/or
E7 to use channels 2-4. You can do this with
a toggle switch for each terminal, or you can
use a rotary switch with two 1N4148 diodes
for the fourth channel as shown. A sug-
gested switch is Digikey #CKN9450-ND.
ALIGNMENT.
If you do any repairs which require re-
alignment, refer to procedure in the R303
manual on our website. (L1 should be ad-
justed to +2Vdc with receiver on 137.500
M z.) Otherwise, do not disurb the factory
adjustments. Also refer to that online man-
ual for theory of operation and troubleshoot-
ing hints.
HAMTRONICS
R303-137 WEATHER SATELLITE RECEIVER:
INSTALLATION, OPERATION, & MAINTENANCE