
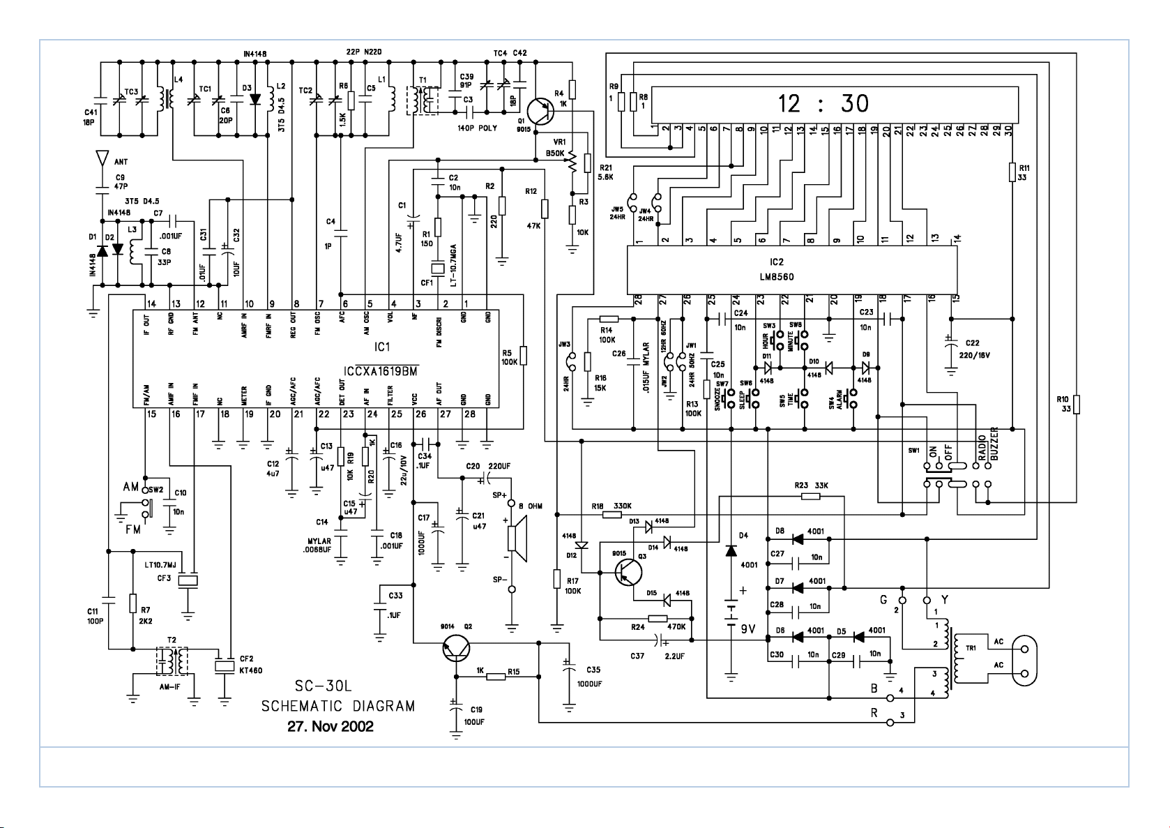
Sonoclock 30 SC 3340 LW
ǵ
Signal Source
1. AM signal generator (AM SG)
2. FM signal generator (FM SG)
3. Sweep generator (10.7 Mhz for FM)
utput Indicator
1. SSVM
2. scilloscope
3. Frequency Counter
General preparation
1. Check source voltage.
2. Set function switch to band being aligned
3. Turn volume control to minimum (unless noted otherwise)
4. Connect low side of signal and output indicator to chassis ground unless otherwise specified.
Keep ground connection close to high side connection.
5. Keep signal inout as low as possible to avoid AGC and AFC action
(set output indicator to high sensitivity.)
6. Standard modulation is 1000 Hz AT 30% amplitude for AM (1000 Hz at 22.5 kHz deviation for FM)
AM IF ALIGNMENT
Step Signal source (AM RF Gen) Connect
to Set signal to Aligment indicator connect to
scilloscope or SSVM Set radio dial to Adjust Adjust for Remarks
1 A standard radiation loop 455 KHz TP3 Detector utput Terminal Quiet point T2 Maximum Volume control min
position
2 Repeat for maximum output
AM RF ALIGNMENT
Signal source (AM Signal Gen.)
connect to Set signal to Alignment indicator Connect to Set radio dial to Adjust Adjust for Remarks
1515 KHz
(modulated) 515 KHz
(lowest end) T1 ( sc,
coil)
21745 KHz
(modulated) 1745 KHz
(Highest end) C3 ( sc,
trim)
3600 KHz
(modulated) 600 KHz L4 (ant coil)
41440 KHz
(modulated) 1400 KHz C4 (ant trim)
5 Repeat Steps 3 and 4 as necessary to minimize tracking error. Also repeat steps 1 and 2 if necessary.
FM ALIGNMENT PROCEDURE
Step Signal source (FM RF Gen.)
Set signal to Alignment Indicator connect to
Set Radio dial
Adjust Adjust for Remarks
1 T2 Maximum Symmetrical response
2 T4 (det. Coil) Symmetrical response centered
10.7Mhz
3 Repeat Step 1 and 2 as necessary to obtain S curve linearity , with maximum output
FM RF ALIGNMENT
Step Signal source (FM Signal Gen.)
Set signal to Alignment indicator (oscilloscope ,
Set radio dial to Adjust Adjust for Remarks
187 MHz
*87MHz (lowest
L1 ( sc, coil)
2109 MHz
109MHz
C2 ( sc,
390 MHz
modulated 90MHz L2
RF coil
stretch or
4106 MHz
106MHz C1 (RF trim)
5 repeat steps 3 and 4 as necessary to minimum tracking error. Also repeat steps 1 and 2 if necessary.
* UK models must not be able to tune below 87.5 MHz.
BATTERY SENTINEL LEN ADJUSTMENT SETTING OF the 2 pin of IC2 (FOR SWITCH -ON POINT)
1. Plug unit into an AC outlet.
2. Set clock as described in owner's manual
3. Connect a DC power supply to the battery snap (inside battery compartment - no battery connected.)
Connect to DC voltmeter across battery snap.
4. Set DC power suply to 8.2 volts. Adjust 27 pin of IC2 to the point where the Battery Sentinel just turns on. Disconnect DC power supply and voltmeter.
5. Connect to a new battery . (Battery Sentinel Indicator will automatically be reset.)
A standard radiation loop antenna Across speaker voice coil Maximum Volume control max-
position
Volume control min-
position
TP 1, GND (Test point) through
matching network if necessary Across speaker voice coil Maximum Volume control Max-
position
TP2 and GND Sweep
centered 10.7
MHz
TP4 Detector utput Terminal Quiet point