
2
English (US)
English (US) Installation and operating instructions
Original installation and operating
instructions.
CONTENTS Page
1. Limited warranty
Products manufactured by GRUNDFOS PUMPS
CORPORATION (Grundfos) are warranted to
the original user only to be free of defects in
material and workmanship for a period of
24 months from date of installation, but not more
than 30 months from date of manufacture.
Grundfos' liability under this warranty shall be
limited to repairing or replacing at Grundfos'
option, without charge, F.O.B. Grundfos' factory
or authorized service station, any product of
Grundfos' manufacture. Grundfos will not be
liable for any costs of removal, installation,
transportation, or any other charges which may
arise in connection with a warranty claim.
Products which are sold but not manufactured
by Grundfos are subject to the warranty
provided by the manufacturer of said products
and not by Grundfos' warranty. Grundfos will not
be liable for damage or wear to products caused
by abnormal operating conditions, accident,
abuse, misuse, unauthorized alteration or repair,
or if the product was not installed in accordance
with Grundfos' printed installation and operating
instructions.
To obtain service under this warranty, the
defective product must be returned to the
distributor or dealer of Grundfos' products from
which it was purchased together with proof of
purchase and installation date, failure date, and
supporting installation data. Unless otherwise
provided, the distributor or dealer will contact
Grundfos or an authorized service station for
instructions. Any defective product to be
returned to Grundfos or a service station must
be sent freight prepaid; documentation
supporting the warranty claim and/or a Return
Material Authorization must be included if so
instructed.
GRUNDFOS WILL NOT BE LIABLE FOR ANY
INCIDENTAL OR CONSEQUENTIAL
DAMAGES, LOSSES, OR EXPENSES ARISING
FROM INSTALLATION, USE, OR ANY OTHER
CAUSES. THERE ARE NO EXPRESS OR
IMPLIED WARRANTIES, INCLUDING
MERCHANTABILITY OR FITNESS FOR A
PARTICULAR PURPOSE, WHICH EXTEND
BEYOND THOSE WARRANTIES DESCRIBED
OR REFERRED TO ABOVE.
Some jurisdictions do not allow the exclusion or
limitation of incidental or consequential
damages and some jurisdictions do not allow
limit actions on how long implied warranties may
last. Therefore, the above limitations or
exclusions may not apply to you. This warranty
gives you specific legal rights and you may also
have other rights which vary from jurisdiction to
jurisdiction.
1. Limited warranty 2
2. Symbols used in this document 3
3. Installation 3
3.1 Mechanical installation 3
3.2 Electrical installation 3
4. Operation and maintenance 4
5. Troubleshooting 4
6. Approvals 4
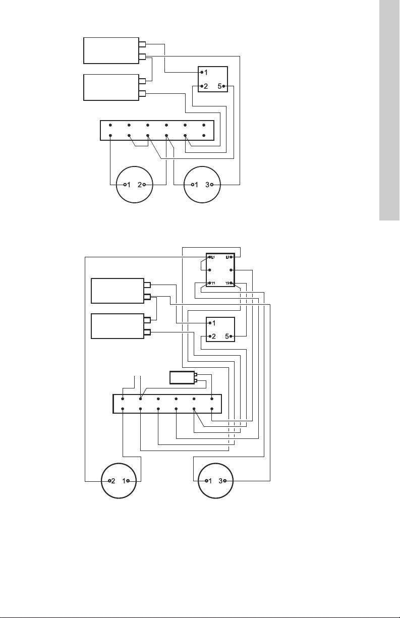
7. Wiring diagrams 5
8. Disposal 9
Warning
Prior to installation, read these
installation and operating
instructions. Installation and
operation must comply with local
regulations and accepted codes of
good practice.
This booklet should be left with the
owner of the pump for future
reference and information
regarding its operation.
Warning
The use of this product requires
experience with and knowledge of
the product.
Persons with reduced physical,
sensory or mental capabilities
must not use this product, unless
they are under supervision or have
been instructed in the use of the
product by a person responsible
for their safety.
Children must not use or play with
this product.
To reduce the risk of electric
shock, disconnect power before
servicing unit. Failure to properly
disconnect power could result in
fire, serious injury, or death.