
M
MD
D2
22
27
78
8
H
Hi
ig
gh
h
P
Pe
er
rf
fo
or
rm
ma
an
nc
ce
e
M
Mi
ic
cr
ro
os
st
te
ep
pp
pi
in
ng
g
D
Dr
ri
iv
ve
er
r
V
V1
1.
.0
0
2
Table of Contents
1. Introduction, Features and Applications ···································································2
2. Specifications and Operating Environment ······························································3
3. Driver Connectors P1 and P2 ···················································································4
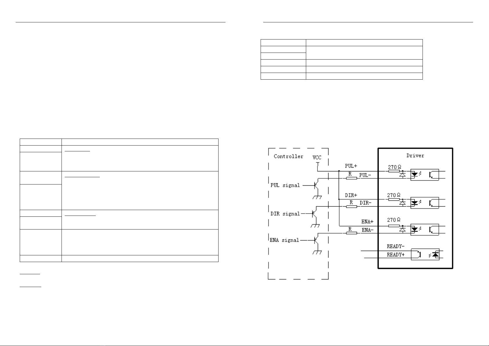
4. Control Signal Connector (P1) Interface ····································································5
5. Driver Connection to Motors (P2) ············································································6
6. Power Supply and Driver Voltage and Current···························································9
7. Selecting Microstep Resolution and Driver Current Output········································11
8. Protection Functions··································································································12
9. Connection Diagram for Driver, Motor, Controller ····················································13
10. Control Signal Waveform and Timing······································································13
11. Wire Connection······································································································14
Appendix: Limited Warranty ·························································································15
1. Introduction, Features and Applications
MD2278 are high performance microstepping drivers incorporating the most advanced
technology in the world today. They are suitable for driving any 2-phase and 4-phase
hybrid step motors(current 7.8A/3.9A). By using advanced bipolar constant-current
chopping technique, they can produce more motor torque at high speed than other
drivers. The microstep capability allows stepping motors run at higher smoothness,
less vibration and lower noise. The 3-state current control feature leads to lower motor
heating.
Features of this driver
High quality, low price
Low heating for motor & driver
Supply voltage AC80-250V
TTL compatible inputs
Automatic idle-current reduction
Output current up to 7.8A peak (RMS 5.57A)
Input frequency up to 400KHz
Opto-isolated inputs
Microstep resolution pulse per rotation selectable vary from 400, 500, 600, 800, 1000,
1200, 1600, 2000, 2400, 3200, 4000, 5000, 6000, 6400, 8000 and 10000
Suitable for any 2-phase stepping motor with 4,6,8 leads
DIP switch current setting
CW/CCW mode available (optional)
M
MD
D2
22
27
78
8
H
Hi
ig
gh
h
P
Pe
er
rf
fo
or
rm
ma
an
nc
ce
e
M
Mi
ic
cr
ro
os
st
te
ep
pp
pi
in
ng
g
D
Dr
ri
iv
ve
er
r
V
V1
1.
.0
0
3
Applications of this driver
Applicable for automated machinery and equipment, for instance, air-driven
inscription machines, labeling machines, cutting machines, laser engraving,
plotter, medical instruments, and pick-place devices.
2. Specifications and Operating Environment
Electric Specifications (Tj = 25℃)
MD2278
Parameters Min. Typical Max. Unit
Output Current 0.42 (RMS0.3A) - 7.8 Amps
Supply voltage (DC) 80 180 250 VAC
Logic signal current 7 10 16 mA
Pulse input frequency 0 - 400 Khz
Isolation resistance 500 MΩ
Operating Environment and Parameters
Cooling Natural cooling or forced convection
Space Avoid dust, oil frost and corrosive gas
Temperature 0°- 50℃
Humidity 40 -90%RH
Environment
Vibration 5.9m/s2Max
Storge Temp. -20℃-125℃
Weight Approx. 1.16 kg (41 oz)
Mechanical Dimensions (unit:mm, 1 inch = 25.4 mm)
FrontView SideView
Figure 1: Mechanical dimensions
*Recommended to use side mounting for better heat dissipation