
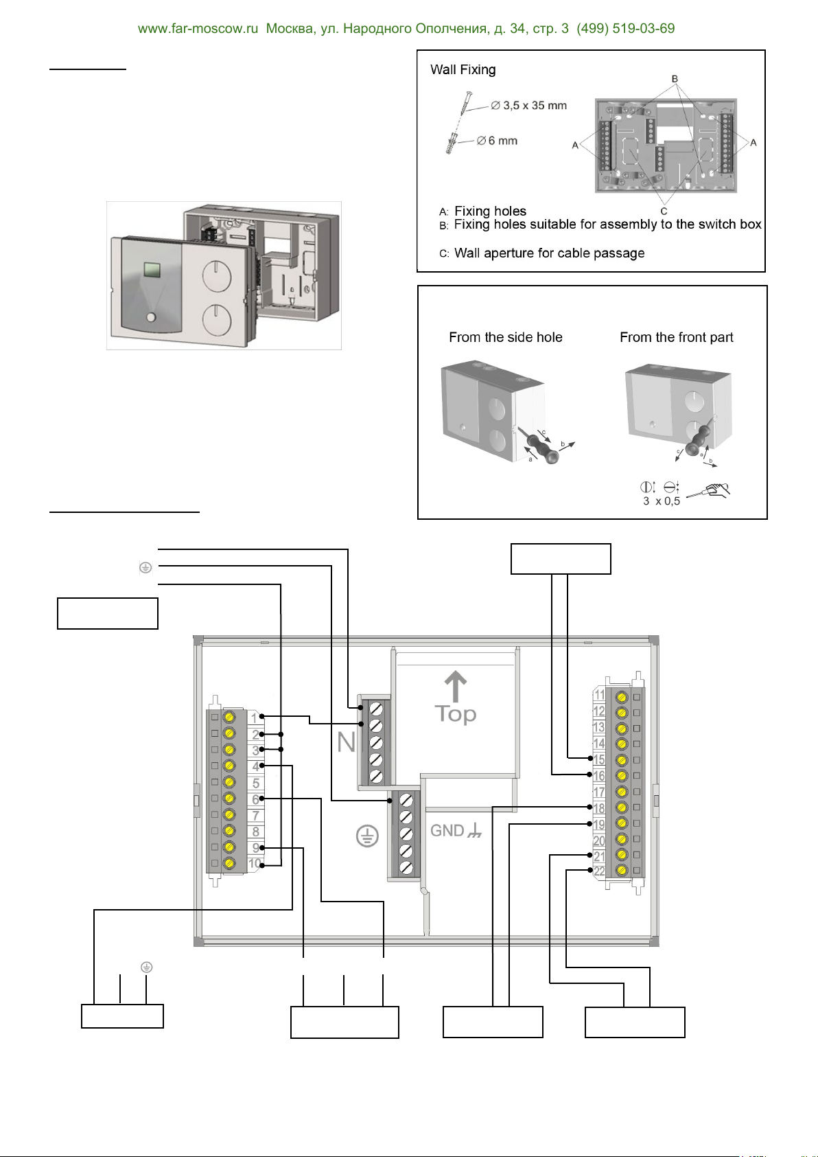
ELECTRICAL CONNECTIONS SUMMARY:
Terminal 1
Terminals 2-3-10
Terminal 4
Terminal 6
Terminal 9
Terminals 15-16
Terminals 18-19
Terminals 21-22
N - feed voltage 230V
L - feed voltage 230V
Pump control
Mixing valve closing control
Mixing valve opening control
Room thermostat
Supply T probe
External T probe
•
•
•
•
•
•
•
•
IMPORTANT!
The electrical connections must be carried out
by skilled personnel. An uncorrect connection
to the power source could damage the system.
It is necessary to preset all electric and
electromechanical devices to guarantee the
safety of the system.
WARNING!
• relative humidity higher than 90% or condensing.
• heavy vibrations or shocks.
• exposure to continuous jet of water.
• exposure to aggressive and polluting environments (for ex.:sulphurous and ammoniac gases, saline mist, smoke) to
avoid corrosion and/or oxidation.
• high magnetic and/or radio interferences.
• exposure of controllers to direct solar radiation and to atmospheric agents in general.
Avoid installation of control units in following conditions:
• use appropriate cable-terminals suitable to the terminals used.
• slaken each screw and insert the wire terminals, then tighten the screws again and check.
• keep separate the cables of sensors and digital inputs from the inductive and power cables,to avoid interference.
When connecting control units you must:
Putting the control unit into service:
Once the electrical connections have been made, it is necessary to position the main selector on the symbol and
power up the unit; both the version and the index of the software installed will be displayd for an instant. After this the
controller is ready for operation.
IMPORTANT!
To effect the controller RESET it is necessary to turn off the power for a few seconds and then power up again pressing
the button OK. During this operation the letters “EE” must appear on the display.
Turn the main selector to the RUN position, in order to put controller into service.
Operating mode:
Before putting the controller into service, a check of the preset values is recommended - adjusting them to the kind of
functions required:
Parameter description Range Default value
Not provided.
With external probe: nominal room T.
Fixed point: not provided.
Manual operation/test.
BUS address.
Mixing valve dynamics.
With external probe: max supply T.
Fixed point: nominal supply T.
With external probe: heating curve.
Fixed point: not provided.
- -
5 - 40°C
- -
01 - 15
05 - 25
20 - 110°C
20 - 110°C
0,0 - 3,0
- -
00 - 03
- -
20°C
- -
01
12
80°C
40°C
1,2
- -
00
3
www.far-moscow.ru Москва, ул. Народного Ополчения, д. 34, стр. 3 (499) 519-03-69