
7700 MultiFrame Manual
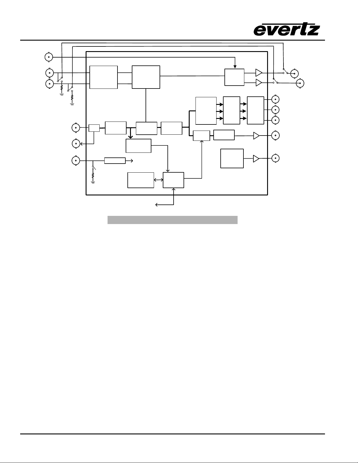
7730DAC Component D to A
8.6.7. Setting the PbPr Offset ......................................................................................................... 27
8.6.8. GBR Sync on Video .............................................................................................................. 27
8.6.9. H Blanking............................................................................................................................. 27
8.6.10. VBI Processing...................................................................................................................... 27
8.6.11. Y Filter Selection...................................................................................................................28
8.6.12. Wideband Y Frequency Response ....................................................................................... 28
8.6.13. Chroma Filter Selection......................................................................................................... 28
8.7. CONFIGURING THE BAR GRAPH CONTROLS (-A4) ................................................................... 28
8.7.1. Selecting the Bar Graph Operating Mode............................................................................. 29
8.7.2. Setting the Headroom ........................................................................................................... 30
8.7.3. Setting the Bar Graph Type .................................................................................................. 30
8.7.4. Setting the PPM Mode and Ballistics .................................................................................... 31
8.7.5. Setting the VU Display Range............................................................................................... 32
8.7.6. Setting The Phase Bar Graph Type...................................................................................... 32
8.7.7. Setting the Bar Graph Error Region......................................................................................32
8.7.8. Setting the Bar Graph Warning Region................................................................................. 33
8.7.9. Setting the Level Bar Graph Scale Position.......................................................................... 33
8.7.10. Setting The Phase Bar Graph Scale Position .......................................................................33
8.7.11. Setting The Window And Bar Graph Positions ..................................................................... 33
8.7.12. Setting the Colours of the Bar Graphs ..................................................................................34
8.7.12.1. Setting the Level Bar Graph Region Colour ........................................................34
8.7.12.1.1. Selecting a Bar Graph Region Custom Colour........................................... 34
8.7.13. Setting The Level Bar Graph Size......................................................................................... 35
8.7.14. Setting the Transparency (Opacity) of Bar Graph Background............................................. 35
8.7.15. Setting the Transparency (Opacity) of the Bar Graph Bars ..................................................35
8.8. CONFIGURING THE ON-SCREEN DISPLAY CONTROLS ............................................................ 35
8.8.1. Descriptions of the On Screen Windows...............................................................................36
8.8.1.1. Video/Audio Status.............................................................................................. 36
8.8.1.2. Time Code Window ............................................................................................. 36
8.8.1.3. Fault Message Windows ..................................................................................... 37
8.8.2. Setting the Position of On Screen Windows ......................................................................... 37
8.8.2.1. Setting the Horizontal Position of On Screen Windows ...................................... 37
8.8.2.2. Setting the Vertical Position of On Screen Windows........................................... 37
8.8.3. Setting the Position of the Bar Graphs.................................................................................. 37
8.8.3.1. Setting the Horizontal Position of the Bar Graphs............................................... 38
8.8.4. Setting the Vertical Position of the Bar Graphs..................................................................... 38
8.8.5. Selecting What Bar Graphs And Windows To Display.......................................................... 38
8.8.6. Setting the Text Window Attributes.......................................................................................38
8.8.6.1. Turning on the Text Window Backgrounds ......................................................... 39
8.8.6.2. Setting the Text Window Background Colours.................................................... 39
8.8.6.3. Setting the Text Window Background Opacity .................................................... 39
8.8.6.4. Setting the Text Window Text Opacity ................................................................ 39
8.8.6.5. Setting the Time Code Window Font Size...........................................................40
8.8.6.6. Setting the Status Window Mode ........................................................................ 40
8.8.7. Setting the Fault Window Attributes......................................................................................40
Revision 1.1
Grey background indicate un-implemented or un-tested features