
7700 MultiFrame Manual
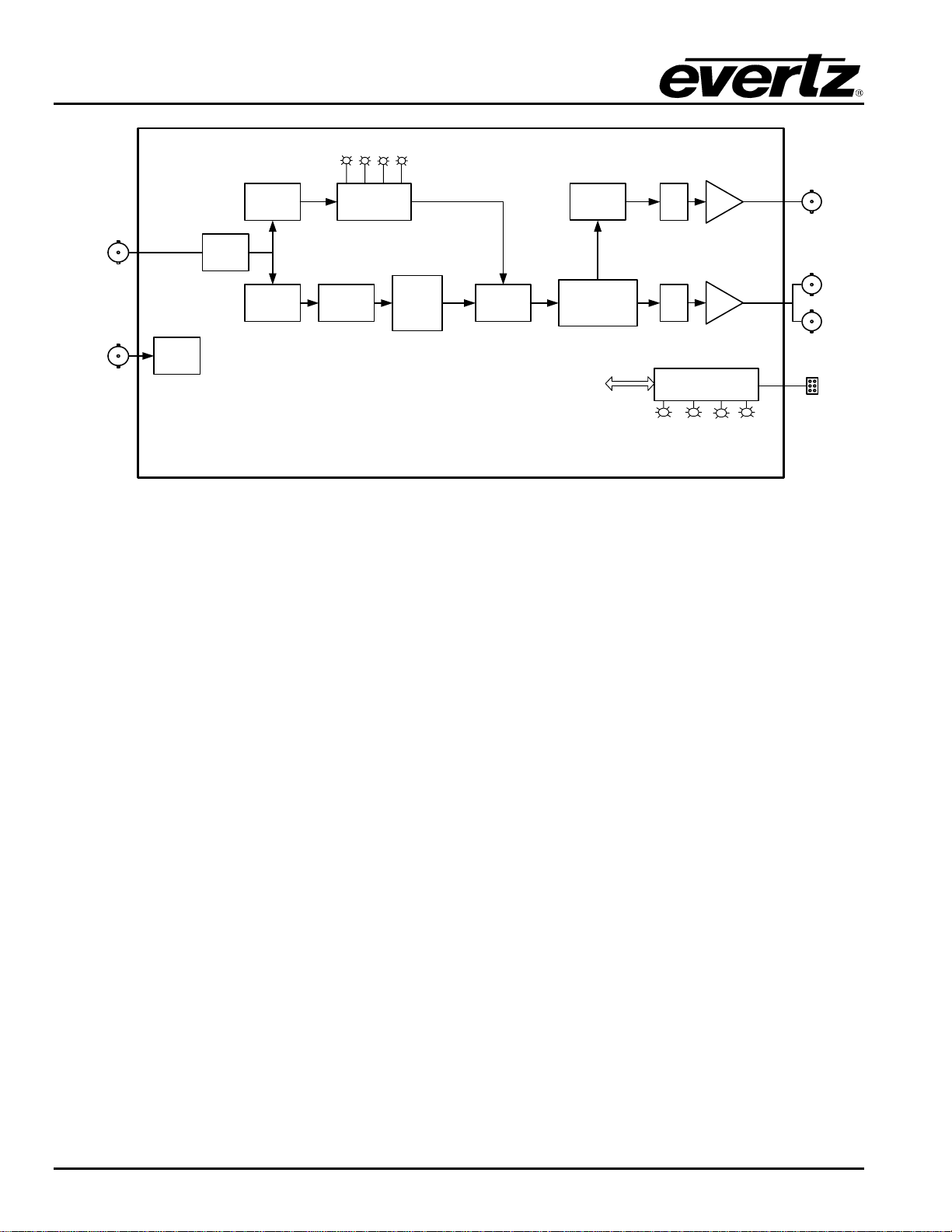
7710NR-HD HD/SD Noise Reducer
Revision 1.1
6.3.3. Blanking Line 21 Captions for SD Video Inputs ............................................................ 12
6.3.4. Setting the VITC Reader Line for SD Video Inputs....................................................... 12
6.3.5. Setting the VITC Writer Line for SD Video Inputs ......................................................... 13
6.3.6. Setting the Action to Take when Input Video Is Missing ............................................... 13
6.3.7. Calculating the Delay through the Noise Reducer ........................................................ 13
6.3.7.1. Force Minimum Delay..................................................................................... 13
6.3.8. Setting up the Video Output Timing .............................................................................. 13
6.3.8.1. Selecting the Video Reference Source........................................................... 14
6.3.8.2. Setting the Vertical Phase of the Output Video.............................................. 14
6.3.8.3. Setting the Horizontal Phase of the Output Video.......................................... 14
6.4. CONFIGURING THE VIDEO PROCESSING FUNCTIONS...................................................... 15
6.4.1. Enabling RGB Clipper................................................................................................... 16
6.4.2. Enabling Gamma Adjust................................................................................................ 16
6.4.3. Setting the Gain Levels................................................................................................. 16
6.4.4. Setting the DC Offset ....................................................................................................16
6.4.5. Setting the Hue.............................................................................................................. 16
6.4.6. Setting the Gamma Level.............................................................................................. 17
6.4.7. Enabling Image Enhancement...................................................................................... 17
6.4.8. Setting the Luma Floor.................................................................................................. 17
6.4.9. Setting the Detail Noise Floor........................................................................................ 17
6.4.10. Setting the Enhancement Limit ..................................................................................... 17
6.4.11. Setting the Horizontal Band........................................................................................... 17
6.4.12. Setting the Vertical Intensity..........................................................................................18
6.4.13. Setting the Detail Gain .................................................................................................. 18
6.5. CONFIGURING THE VIDEO NOISE REDUCER...................................................................... 18
6.5.1. Turning on the Noise Reduction.................................................................................... 19
6.5.2. Turning on the Side-by-Side Comparison Window ....................................................... 19
6.6. CONFIGURING THE AUDIO SETTINGS ................................................................................. 20
6.6.1. Selecting the Audio Groups Destined for the De-embedders ....................................... 20
6.6.2. Selecting the Audio Groups That Will Be Embedded.................................................... 21
6.6.3. Selecting the Audio Delay............................................................................................. 21
6.6.4. Configuring the SRC Mode ........................................................................................... 21
6.7. CONFIGURING THE AUDIO PROCESSING FUNCTIONS...................................................... 22
6.7.1. Configuring the Output Audio Channel Sources ........................................................... 23
6.7.2. Setting Gain for Each Audio Channel............................................................................ 23
6.8. CONFIGURING CLOSED CAPTIONING.................................................................................. 23
6.8.1. Enabling Closed Captioning.......................................................................................... 24
6.8.2. Setting the HD Write Line.............................................................................................. 24
6.9. UTILITIES................................................................................................................................. 24
6.9.1. Storing and Recalling Configurations to the User Presets or the Factory Preset.......... 25
6.9.1.1. Recalling Configurations from the User Presets............................................. 25
6.9.1.2. Storing Configurations from the User Presets................................................ 25
6.9.2. Displaying the Status Window on the OSD Output ....................................................... 26
6.9.3. Initiating a Software Upgrade........................................................................................ 26
6.9.4. Auto Preset Recall when the Video Standards or Format Changes ............................. 26
6.9.5. Recall presets via GPIs................................................................................................. 27