
10
Manual de instrucciones
Interruptores de seguridad SGA...
Utilización correcta
Los interruptores de seguridad de la serie SGA son
dispositivos de enclavamiento sin bloqueo (tipo2). El
actuador cuenta con un nivel de codicación bajo. En
combinación con un resguardo móvil y el sistema de
control de la máquina, este componente de seguridad
evita que la máquina ejecute funciones peligrosas
mientras el resguardo esté abierto. Si el resguardo
se abre durante el funcionamiento peligroso de la
máquina, se emite una orden de parada.
Esto signica que:
flas órdenes de arranque que provoquen un funcio‑
namiento peligroso de la máquina solo podrán ser
efectivas si el resguardo está cerrado;
fla apertura del resguardo provoca una orden de
parada;
fel cierre de un resguardo no puede por sí mismo
provocar el inicio de una función peligrosa de la má‑
quina, sino que para ello debe producirse una orden
de arranque independiente. Para conocer las ex‑
cepciones a estas reglas, consulte ENISO12100
o las normas C relevantes.
Antes de utilizar el dispositivo es preciso realizar una
evaluación de riesgos en la máquina, por ejemplo,
conforme a las siguientes normas:
fENISO13849‑1
fENISO12100
fIEC62061
La utilización correcta incluye el cumplimiento de los
requisitos pertinentes de montaje y funcionamiento,
especialmente conforme a las siguientes normas:
fENISO13849‑1
fENISO14119
fEN60204‑1
¡Importante!
fEl usuario es el único responsable de la integra‑
ción correcta del aparato en un sistema global
seguro. Para ello, el sistema completo debe
validarse, por ejemplo, conforme a la norma
EN ISO 13849‑2.
fSi para determinar el nivel de prestaciones (PL)
se utiliza el procedimiento simplicado según
ENISO13849‑1:2015, apartado6.3, es posible
que el PL se reduzca si se conectan en serie
varios dispositivos.
fEn determinadas circunstancias es posible co‑
nectar en serie contactos seguros hasta un nivel
de prestaciones PLd. Para más información al
respecto, consulte ISOTR24119.
fSi el producto va acompañado de una cha de
datos, tendrá prioridad la información contenida
en dicha hoja en caso de divergencias respecto
al manual de instrucciones.
Indicaciones de seguridad
ADVERTENCIA
Peligro de muerte por montaje o alteración (ma‑
nipulación) inadecuados. Los componentes de
seguridad garantizan la protección del personal.
fLos componentes de seguridad no deben puen‑
tearse, desconectarse, retirarse o quedar inope‑
rativos de cualquier otra manera. A este respecto,
tenga en cuenta sobre todo las medidas para
reducir las posibilidades de puenteo que recoge
el apartado7 de la norma ENISO14119:2013.
fEl proceso de activación debe iniciarse siempre
a través del actuador especialmente previsto
para ello.
fAsegúrese de que no se produce alteración alguna
mediante actuadores de repuesto. Para ello, limite
el acceso a los actuadores y, por ejemplo, a las
llaves de desbloqueo.
fEl montaje, la conexión eléctrica y la puesta en
marcha solo deben ser realizados por personal
especializado autorizado y con conocimientos
especícos sobre el manejo de componentes
de seguridad.
Función
El interruptor de seguridad supervisa la posición de
los resguardos móviles. Al introducirse/extraerse el
actuador, se accionan los contactos de conmutación.
Estados de conmutación
Los estados de conmutación detallados de los
interruptores se muestran en la Fig. 2. También
se describen todos los elementos de conmutación
disponibles.
Resguardo abierto
Los contactos de seguridad están abiertos.
Resguardo cerrado
Los contactos de seguridad están cerrados.
Selección del actuador
AVISO
Daños en el dispositivo si se utiliza un actuador
inadecuado. Asegúrese de elegir el actuador ade‑
cuado (consulte la tabla de la Fig. 3).
Tenga también en cuenta el radio de puerta y las
posibilidades de jación (consulte la Fig. 4).
Existen las siguientes variantes:
factuador S para interruptores de seguridad sin
embudo de entrada;
factuador L para interruptores de seguridad con
embudo de entrada.
Montaje
AVISO
Daños en el dispositivo por montaje incorrecto y
condiciones ambientales inadecuadas.
fEl interruptor de seguridad y el actuador no deben
utilizarse como tope.
fConsulte los apartados 5.2 y 5.3 de la norma
ENISO14119:2013 para la jación del interruptor
de seguridad y el actuador.
fConsulte el apartado 7 de la norma
ENISO14119:2013 para reducir las posi‑
bilidades de puenteo de los dispositivos de
enclavamiento.
fProteja la cabeza del interruptor de daños y de
la entrada de cuerpos extraños, como virutas,
arena, abrasivos, etc.
fEl grado de protección IP indicado solo es aplica‑
ble si los tornillos de las carcasas, las inserciones
de cable y los conectores están correctamente
apretados. Tenga en cuenta los pares de apriete.
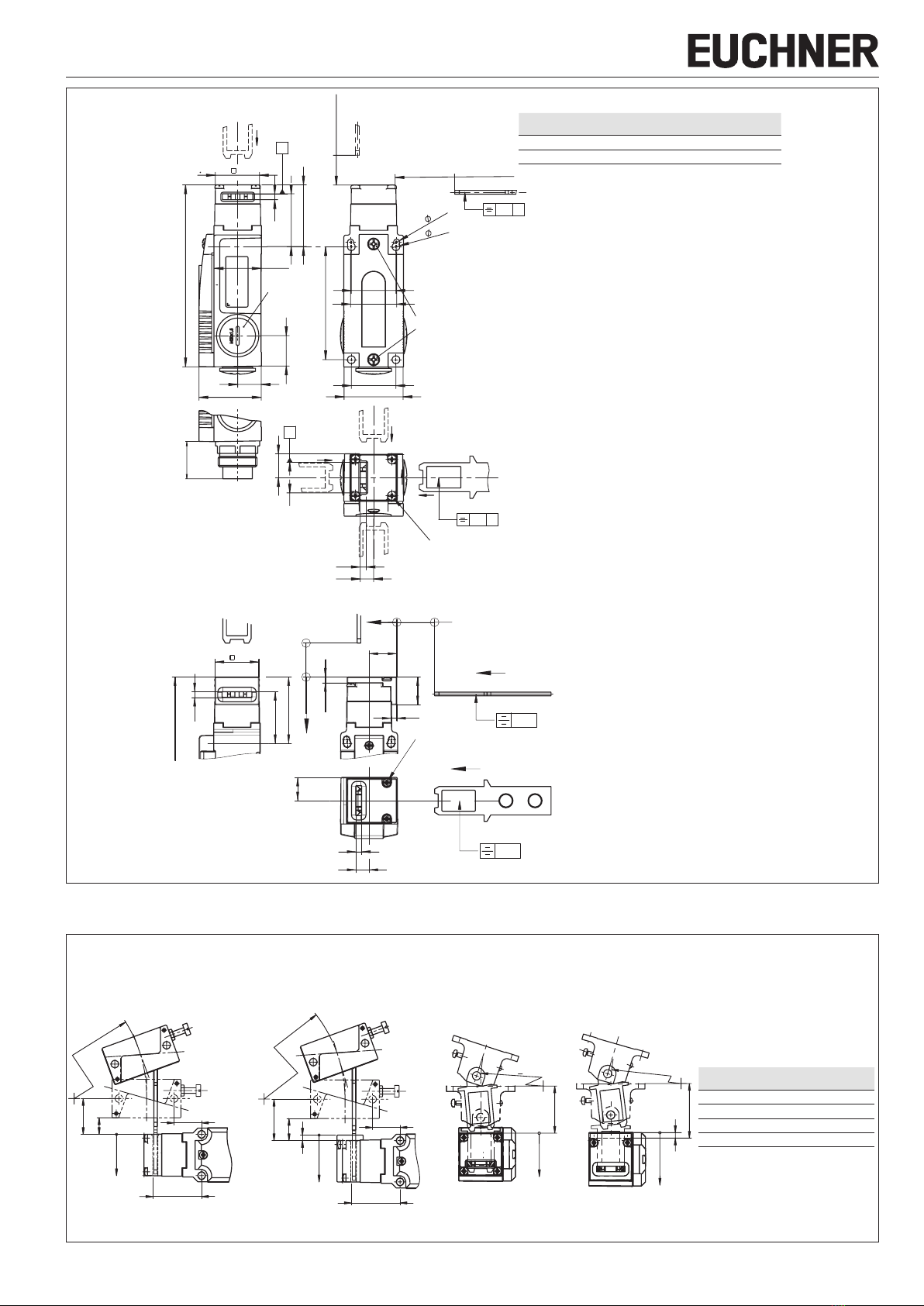
Cambio de la dirección de
accionamiento
D
B
C
Fig. 1: Cambio de la dirección de accionamiento
1. Aoje los tornillos del cabezal actuador.
2. Ajuste la dirección deseada.
3. Apriete los tornillos con 0,8 Nm.
4. Cierre la ranura de accionamiento no utilizada
con la tapa para ranuras suministrada.
Conexión eléctrica
ADVERTENCIA
Pérdida de la función de seguridad debido a una
conexión errónea.
fPara las funciones de seguridad, utilice únicamen‑
te contactos de seguridad ( ).
fAl elegir el material de aislamiento o los hilos
conductores, tenga en cuenta las resistencias
térmica y mecánica necesarias.
fPele el aislamiento de los hilos individuales
6±1mm para garantizar un contacto seguro.
Para dispositivos con conector:
fCompruebe la estanqueidad del conector.
Para dispositivos con entrada de cable:
1. Abra la inserción de cable deseada con una
herramienta apropiada.
2. Monte un prensaestopas de cable con un grado
de protección adecuado.
3. Apriete las conexiones y bornes con 0,5Nm
(para la asignación de contactos, consulte la
Fig. 2).
4. Compruebe la estanqueidad de la entrada de
cable.
5. Cierre la tapa y atorníllela (par de apriete
0,8Nm).
Comprobación de funcionamiento
ADVERTENCIA
Lesiones mortales por fallos durante la comproba‑
ción del funcionamiento.
fAntes de comprobar el funcionamiento, asegúrese
de que no haya personas en la zona de peligro.
fTenga en cuenta la normativa vigente en materia
de prevención de accidentes.
Tras la instalación y tras cada error, compruebe el
buen funcionamiento del dispositivo.
Proceda de la siguiente manera:
Comprobación mecánica del funcionamiento
El actuador debe poder introducirse con facilidad en
el cabezal actuador. Para realizar la comprobación,
cierre varias veces el resguardo.
Comprobación eléctrica del funcionamiento
1. Conecte la tensión de servicio.
2. Cierre todos los resguardos.
¨ La máquina no debe ponerse en marcha auto‑
máticamente.
3. Ponga en marcha la máquina.
4. Abra el resguardo.
¨ La máquina debe desconectarse y no debe ser
posible ponerla en marcha mientras el resguardo
esté abierto.
Repita los pasos2‑4 para cada resguardo.
Controles y mantenimiento
ADVERTENCIA
Peligro de lesiones graves por pérdida de la función
de seguridad.
fEn caso de daños o de desgaste, el interruptor
debe sustituirse entero junto con el actuador.
No está permitido el cambio de piezas sueltas
o de módulos.
fA intervalos regulares y tras cada error, comprue‑
be el buen funcionamiento del dispositivo. Para
conocer los intervalos posibles, consulte la norma
ENISO14119:2013, apartado 8.2.
Para garantizar un funcionamiento correcto y du‑
radero es preciso realizar los siguientes controles:
ffuncionamiento correcto de la función de conmu‑
tación;
fjación segura de todos los componentes;
fdaños, suciedad, depósitos y desgaste;