5
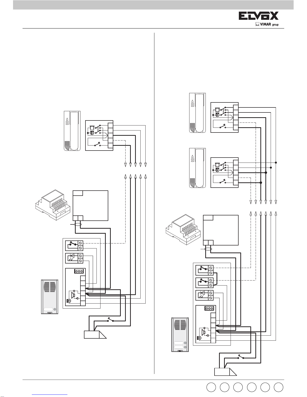
A- TARGA ESTERNA AUDIO
SERIE 1200, 1300, 8000, 3300, 8100, PATA-
VIUM, PORTALETTERE
B- PULSANTE SUPPLEMENTARE SERRATURA
C- SERRATURA ELETTRICA 12V~
D- POSTO ESTERNO ART. 930G
E- PULSANTI
G- LED DI ILLUMINAZIONE CARTELLINO
PORTANOMI
A- ENTRANCE PANEL
SERIE 1200, 1300, 8000, 3300, 8100, PATA-
VIUM, MAIL BOX
B- ADDITIONAL PUSH-BUTTON FOR LOCK
C- 12V A.C. ELECTRIC LOCK
D- SPEECH UNIT ART. 930G
E- PUSH-BUTTONS
G- NAME-TAG LIGHTING LED
A- PLAQUE DE RUE
SERIE 1200, 1300, 8000, 3300, 8100, PATA-
VIUM, BOÎTE AUX LETTRES
C- POUSSOIR SUPPLÉMENTAIRE GÂCHE
D- GÂCHE ÉLECTRIQUE 12V C.A.
B- POSTE EXTERNE ART. 930G
E- POUSSOIRS
G- LED D’ÉCLAIRAGE PORTE-NOMES
A- TÜRSPRECHSTELLE
SERIE 1200, 1300, 8000, 3300, 8100, PATA-
VIUM, BRIEFKASTEN
C - ZÜZATZTLICHE TÜRÖFFNERTASTE
D - ELEKTRISCHER TÜRÖFFNER 12V~
B- AUSSENSTELLE ART. 930G
E- TASTEN
G- BELEUCHTUNGSLED DES NAMENSCHILDS
A- PLACA SERIE 1200, 1300, 8000, 3300, 8100,
PATAVIUM, BUZÓN
C - PULSADOR SUPLEMENTARIO CERRADURA
D- CERRADURA ELÉCTRICA 12V~
B - APARATO EXTERNO ART. 930G
E- PULSADORES
G- LED DE ILUMINACIÓN DE LA TARJETA
A- BOTONEIRA
SERIE 1200, 1300, 8000, 3300, 8100, PATA-
VIUM, CAIXA DE CORREIO
C- BOTÃO SUPLEMENTAR DE TRINCO
D- TRINCO ELÉCTRICO 12V~
B - POSTO EXTERNO ART. 930G
E- BOTÕES
G- LED DE ILUMINAÇÃO DO CARTÃO
PORTANOMES
Sezione conduttori - Conductor section - Sections des conducteurs
Leiterquerchnitt - Secciones conductores - Secção condutores
Conduttori-Conductors Ø fino a 50 m-Ø up to 50 m Ø fino a 100 m-Ø up to 100 m Ø fino a 200 m-Ø up to 200 m
Conductors-Leitungslänge Ø jusqu’à 50 m-Ø bis 50 m Ø jusqu’à 100 m.-Ø bis 100 m Ø jusqu’à 200 m.-Ø bis 200 m
Conductores-Condutores Øhasta 50 m - Ø até 50 m Ø hasta 100 m - Ø até 100 m Ø hasta 200 m - Ø até 200 m
Comune (3)
Common (3)
Commun (3)
Gemeinsame (3) 0,5 mm20,75 mm21,5 mm2
Común (3)
Commun (3)
0 - 12 0,25 mm20,5 mm21 mm2
N.B.
Nel caso di ronzio sulla fonica
spostare nel posto esterno Art.
930G, il filo di alimentazione
della serratura, dal morsetto 4
al morsetto AS.
In case of summing noise on
the audio line, displace (on the
speech unit type 930G) the sup-
ply voltage wire of the door lock
from terminal 4 to terminal AS.
En cas de bourdonnement sur
la phonique déplacer le fil d’a-
limentation de la gâche dans le
poste externe Art. 930G, de la
borne 4 à la borne AS.
Falls ein Brummgeräusch auf
der Audiolinie gibt, bei der Aus-
senstelle Art. 930G den Versor-
gungsdraht des Türschlosses
von Klemme 4 an Klemme AS
ersetzen.
En caso de zumbido en la
fónica desplazar en el aparato
externo Art. 930G el hilo de ali-
mentación de la cerradura del
borne 4 al borne AS.
No cso de ruido na fónica de-
splazar no posto externo Art.
930G o fio de alimentação do
trinco do terminal 4 ao terminal
AS.
*
I cavi di alimentazione (230V o 110V) e i cavi
12 o 15 Vca vanno su canalizzazioni sepa-
rate dagli altri conduttori per non determinare
disturbi di induzione. I cavi 12 o 15 Vca vanno
collegati direttamente ai morsetti 3 e 4 del
posto esterno Art. 930G.
The power supply cables (230 V or 110V) and
the 12 or 15 Vac cables should run through
separate ducts from the other conductors, so
as not to cause interference by induction. The
12 or 15 Vac cables should be connected di-
rectly to the terminals 3 and 4 on the speech
unit Art. 930G.
Les câbles d’alimentation (230 V ou 110V)
et les câbles de 12 ou 15 Vca vont sur des
conduites séparées des autres conducteurs
pour éviter des phénomènes d’induction.
Les câbles de 12 ou 15 Vca doivent être re-
liés directement aux bornes 3 et 4 du micro
haut-parleur Art. 930G.
Die Versorgungskabel (230V oder 110V) und
die 12 bzw. 15 Vac Kabel sind in von anderen
Leitern separaten Kanälen zu verlegen, um
Störungen durch Induktionsströme vorzubeu-
gen. Die 12 bzw. 15 Vca Kabel sind direkt an
die Klemmen 3 und 4 der Außenstelle Art.
930G anzuschließen.
Los cables de alimentación (230V o 110V) y
los cables de 12 o 15 Vca deben instalarse en
canaletas separadas de los demás conducto-
res para evitar interferencias por inducción.
Los cables de 12 o 15 Vca deben conectarse
directamente a los bornes 3 y 4 del aparato
externo Art. 930G.
Os cabos de alimentação (230V ou 110V) e
os cabos de 12 ou 15 Vca vão para cana-
lizações separadas dos outros condutores
para não determinar distúrbios de indução.
Os cabos de 12 ou 15 Vca são directamente
ligados aos bornes 3 e 4 do posto externo
Art. 930G.
PTESDEFRENIT