62KG - 62KG/2
5/12
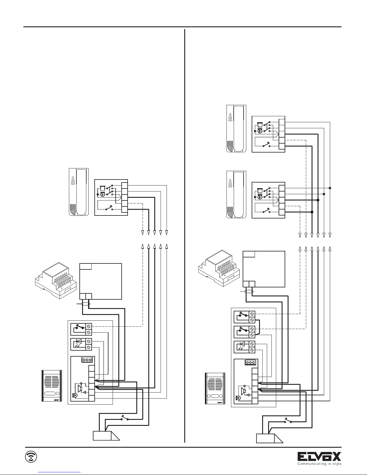
A- TARGA ESTERNA AUDIO
SERIE 1200, 8000, 3300, 8100,
PATAVIUM, PORTALETTERE
B- PULSANTE SUPPLEMENTARE SER-
RATURA
C- SERRATURA ELETTRICA 12V~
D- POSTO ESTERNO ART. 930G
E- PULSANTI
G- LED DI ILLUMINAZIONE CARTELLINO
PORTANOMI
A- ENTRANCE PANEL
SERIE 1200, 8000, 3300, 8100,
PATAVIUM, MAIL BOX
B- ADDITIONAL PUSH-BUTTON FOR LOCK
C- 12V A.C. ELECTRIC LOCK
D- SPEECH UNIT ART. 930G
E- PUSH-BUTTONS
G- NAME-TAG LIGHTING LED
A- PLAQUE DE RUE
SERIE 1200, 8000, 3300, 8100,
PATAVIUM, BOÎTE AUX LETTRES
C- POUSSOIR SUPPLÉMENTAIRE GÂCHE
D- GÂCHE ÉLECTRIQUE 12V C.A.
B- POSTE EXTERNE ART. 930G
E- POUSSOIRS
G- LED D'ÉCLAIRAGE PORTE-NOMES
A- TÜRSPRECHSTELLE SERIE 1200, 8000,
3300, 8100, PATAVIUM, BRIEFKASTEN
C - ZÜZATZTLICHE TÜRÖFFNERTASTE
D - ELEKTRISCHER TÜRÖFFNER 12V~
B- AUßENSTELLE ART. 930G
E- TASTEN
G- BELEUCHTUNGSLED DES
NAMENSCHILDS
A- PLACA SERIE 1200, 8000, 3300, 8100,
PATAVIUM, BUZÓN
C - PULSADOR SUPLEMENTARIO CER-
RADURA
D- CERRADURA ELÉCTRICA 12V~
B - APARATO EXTERNO ART. 930G
E- PULSADORES
G- LED DE ILUMINACIÓN DE LA TARJETA
A- BOTONEIRA SERIE 1200, 8000, 3300,
8100, PATAVIUM, CAIXA DE CORREIO
C- BOTÃO SUPLEMENTAR DE TRINCO
D- TRINCO ELÉCTRICO 12V~
B - POSTO EXTERNO ART. 930G
E- BOTÕES
G- LED DE ILUMINAÇÃO DO CARTÃO
PORTANOMES
Sezione conduttori - Conductor section - Sections des conducteurs
Leiterquerchnitt - Secciones conductores - Secção condutores
Conduttori-Conductors Ø fino a 50m-Ø up to 50m Ø fino a 100m-Ø up to 100m Ø fino a 200m-Ø up to 200m
Conductors-Leitungslänge Ø jusqu’à 50m-Ø bis 50m Ø jusqu’à 100m.-Ø bis 100m Ø jusqu’à 200m.-Ø bis 200m
Conductores-Condutores Øhasta 50m - até 50m Ø hasta 100m - até 100m Ø hasta 200m - até 200m
Comune (3)
Common (3)
Commun (3)
Gemeinsame (3) 0,5 mm20,75 mm21,5 mm2
Común (3)
Commun (3)
0 - 12 0,25 mm20,5 mm21 mm2
N.B.
Nel caso di ronzio sulla fonica
spostare nel posto esterno
Art. 930G, il filo di alimenta-
zione della serratura, dal mor-
setto 4 al morsetto AS.
In case of summing noise on
the audio line, displace (on
the speech unit type 930G)
the supply voltage wire of the
door lock from terminal 4 to
terminal AS.
En cas de bourdonnement
sur la phonique déplacer le fil
d’alimentation de la gâche
dans le poste externe Art.
930G, de la borne 4 à la
borne As.
Falls ein Brummgeräusch auf
der Audiolinie gibt, bei der
Aussenstelle Art. 930G den
Versorgungsdraht des Tür-
schlosses von Klemme 4 an
Klemme AS ersetzen.
En caso de zumbido en la fó-
nica desplazar en el aparato
externo Art. 930G el hilo de
alimentación de la cerradura
del borne 4 al borne AS.
No cso de ruido na fónica de-
splazar no posto externo Art.
930G o fio de alimentação do
trinco do terminal 4 ao termi-
nal AS.
*
I cavi di alimentazione (230V) e i cavi 12
o 15 Vca vanno su canalizzazioni sepa-
rate dagli altri conduttori per non determi-
nare disturbi di induzione. I cavi 12 o 15
Vca vanno collegati direttamente ai mor-
setti 3 e 4 del posto esterno Art. 930G.
The power supply cables (230 V) and the
12 or 15 Vac cables should run through
separate ducts from the other conductors,
so as not to cause interference by induc-
tion. The 12 or 15 Vac cables should be
connected directly to the terminals 3 and
4 on the speech unit Art. 930G.
Les câbles d'alimentation (230 V) et les
câbles de 12 ou 15 Vca vont sur des con-
duites séparées des autres conducteurs
pour éviter des phénomènes d'induction.
Les câbles de 12 ou 15 Vca doivent être
reliés directement aux bornes 3 et 4 du
micro haut-parleur Art. 930G.
Die Versorgungskabel (230V) und die 12
bzw. 15 Vac Kabel sind in von anderen
Leitern separaten Kanälen zu verlegen,
um Störungen durch Induktionsströme
vorzubeugen. Die 12 bzw. 15 Vca Kabel
sind direkt an die Klemmen 3 und 4 der
Außenstelle Art. 930G anzuschließen.
Los cables de alimentación (230 V) y los
cables de 12 o 15 Vca deben instalarse
en canaletas separadas de los demás
conductores para evitar interferencias por
inducción. Los cables de 12 o 15 Vca
deben conectarse directamente a los bor-
nes 3 y 4 del aparato externo Art. 930G.
Os cabos de alimentação (230V) e os
cabos de 12 ou 15 Vca vão para canali-
zações separadas dos outros condutores
para não determinar distúrbios de indu-
ção. Os cabos de 12 ou 15 Vca são di-
rectamente ligados aos bornes 3 e 4 do
posto externo Art. 930G.