33
33
3 ❏❏
❏❏
❏
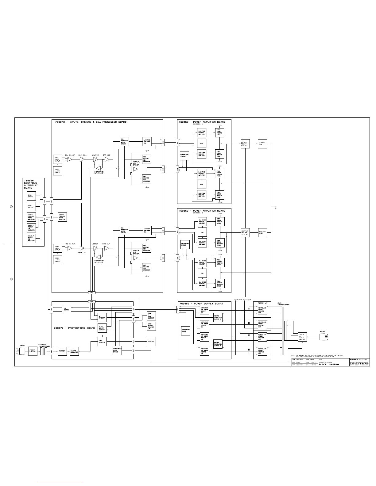
the Protections Board, first of all check its supplies:
CN4 pin 6 = +24Vdc
CN4 pin 9 = -24Vdc
CN6 pin 8 = +15Vdc
CN6 pin 11 = -15Vdc
➭If the fans don't start or go only to the max. speed, you must check the
Fan Driver circuit (TR1,2,4,6).
If all the circuit is good, you must check on the Inputs, Drivers & SOA
Processor Board the TR16,17,18,19,22 and the SOA Processor circuits
preceding the transistors; to check them quickly disconnect CN3 and CN6
the fan must go only at slower speed.
➭If the Primary Tranformer Relais don't start (also selecting 2Ω or 4Ω
minimum load switch) check their driver circuits, the fault must be prob-
ably in the Transformer Relais Driver circuit on the Protections Board ,
refer to schematics.
➭If the Outputs Relay doesn't start the fault must probably located in the
relay driver or in Soft Start circuit on the Protections Board , refer to
schematics.
➭Turn off the amplifier and check with the multimeter if the SCR on Con-
trolled Bridge Boards are shorted. If one or more are shorted, replace it
with a new one, check also the bridges.
➭Set the oscilloscope CH1 to 10V/div. 5mS and connect its probe to R48
side TR19(c) on Protections Board, turn on the amplifier: a series of
pulses appear on the screen that will became stable about +15Vdc, these
pulses activate the SCR on the Controlled Bridge Boards to slowly charge
the capacitors. If the pulses aren't displayed your amplifier has probably
some fault on Soft Start circuit, refer to schematics.
➭Set the Variac at the nominal mains voltage, measure with the Multimeter
the AC supply voltages between the secondaries: 43±3Vac
➭Switch to 2Ωminimum load and measure again the voltages: 33±3Vac.
➭Re-set the minimum load at 4Ωand the Variac at zero voltage, turn off
the amplifier and put the fuses back on its holders.
Dc Supply Initial Check
➭SETUP:
Connect the audio generator to a channel input and set it to 1KHz
775mVRMS (0dB) sinusoidal signal.
Connect the CH1 scope GND clip to the output GND and connect the
oscilloscope probe tips CH1/2 to the channel outputs before the relay, set
both to DC 20V/div. 200µS/div.
➭Turn on the amplifier and afterwards increase the Variac slowly monitor-
ing the Outputs with the oscilloscope CH1/2 connected, it should display
the sinusoidal input signal amplified with no distortions, if a distortion or a
protection trip occur, turn off the amplifier, wait some minutes and discon-
nect the supplies from the Power Amplifier Board that doesn't work
properly, to do this you must disconnect the red and the blue wires from
capacitors, continue to check the supplies.
➭CAUTION: Before re-connecting the Power Amplifier Boards to the
supplies, you must have the capacitors discharged for your safety:
connect a 100ΩΩ
ΩΩ
Ω50W resistor across the caps and remove the resis-
tor just after they are discharged.
➭Finally verify the DC supplies at the capacitor terminals: 58±2Vdc
➭If one or more voltages don’t correspond:
Check the SCR located on Controlled Bridge Board and its driver transis-
tor (TR9,10,13,14) located on Power Supply Board, particularly check the
insulation from the heating and the driver transistors and the diodes D19,
20, 21, 22.
Re-check the rectifiers, capacitors and transformers disconnecting them
from circuitry, refer to schematics.
Channels Initial Check
➭Re-set the Variac at zero voltage and eventually re-connect the damaged
Power Amplifier Board that you have previously disconnected from
supply.
➭Set up the Variac slowly and check on the oscilloscope display the output
of the damaged channel:
➭If a dc voltage is present, turn off the amplifier and check all the output
transistors TR13, 14, 15, 16, 17, 18, 19, 20, 21, 22, 23, 24, their drivers
TR5, 7, 9, 11 and all active and passive components interested with the
signal path, particularly also include TR29, 30, 31, 32, 33, 34 and D15,
16 for channel A or TR1, 2, 3, 4, 5, 6 and D1, 2 for channel B mounted
on Inputs, Drivers & SOA Processor Board.
➭If appears a simmetrical clipping before the maximum output voltage
(refer to technical spec.), the supply translator circuit of the channel
under test, located on Power Supply Board doesn't work properly: check
its driver circuit refer to schematics.
➭If appears an asimmetrical clipping before the maximum output voltage
(refer to technical spec.), the grounding power amplifier doesn't work
properly; this fault can also be checked measuring the dc voltage be-
tween output ground and the +Vcc and the voltage between output
ground and -Vcc for the channel under test, all measures must be
simmetrical near 28Vdc without input signal, if not, check the virtual
ground driver (R115/R142 ch.A or R52/R47 ch.B) located on Inputs,
Drivers & SOA Processor Board, refer to schematics.
➭If no signal appears: try to disconnect R41,46 to deactivate the signal
deletion caused by SOA circuit, then checked the right operation of the
channel, check the cable connections of SOA circuits, check its active
and passive components and verify its adjustments. If also the signal
doesn't appear check the input circuits, refer to schematics.
➭Note: If one or more of described faults appear only with the load
connected (see the following checks) may be that one or more
output, ground or voltage translator transistors is interrupted.
Dc Supply Final Check
➭These procedures are intended for one channel at a time, repeat these
operation for the other channel.
➭SETUP:
Connect the CH1 scope GND clip to the output GND.
Connect the CH1 probe tip to the CHA amplifier output before the relay.
Connect the CH2 probe tip to the red wire (+Vcc1).
Set both to DC 20V/div. 200µS/div.
Insert the temperature meter through two transistor cases interstice
located at centre of heatsink of CHA on the Power Supply Board .
Connect the 4Ω2000W load to CHA out.
Connect the audio generator to the channel input CHA and set it to 1KHz
775mVRMS (0dB) sinusoidal signal, and set the amplifier to Stereo mode.
Connect the Mains Line as described in the initial setup section.
Set the LEVEL potentiometers at zero.
Set the Variac at zero voltage.
➭Increase slowly the Variac to reach the mains voltage: check that the
supply circuit operate correctly measuring +28±2Vdc on the red wire
(+Vcc1) and -28±2Vdc on the blue wire (-Vcc1) respect the CHA GND
output.
➭Increasing the CHA input level check the right operation of the Supply
Voltage Translator: verifying that the CH2 voltage level remain the same
until the CH1 signal reach 26Vp, afterwards increasing the input level the
voltage of CH1 must envelope externally the CH2 signal with an offset of
10÷12V.
➭Increasing the level of input signal the envelope is stopped more about
100±5Vdc and the signal clip must occur at 180±5Vpp. Decrease the
level and connect the CH2 probe to the blue wire (-Vcc1), repeat the test
for the negative supply.
➭Connect the 2Ωinstead 4Ωload and verify that the output signal must be
limited at 64±2Vp. If it doesn't happen check the limit circuit (TR23 for
CHA, TR24 for CHB) on Power Supply Board.
➭Disconnect the fan and wait until the temperature reaches 110±5°C: the
primary transformer relais switch to 2Ωminimum load and the fan, re-
connecting it, goes at maximum speed (23Vdc).
➭Turn off the Amplifier and the Variac. Connect CH1 scope GND tip to R38
terminal side CN2 (SCR cathode) and its probe tip to R41 side CN2 (SCR
gate), set it to 200mV/div. 1mS/div.
➭Turn on the Amplifier and the Variac simultaneously and verify that the
voltage on the SCR gate shift from 0 to 0.8Vp in less than one second.
➭Repeat the last test after moving the CH1 GND tip to R44 side CN2 and
its probe tip on R46 side CN2 to check the second SCR.
➭Repeat all these tests for CHB, where Vcc1 become Vcc2, CN2, R38,
R41, R44, R46 become CN3, R48, R50, R53, R55 respectively.
Channel Final Check
➭These procedures are intended for one channel at a time, repeat these
operation for the other channel.
➭If you have already repaired the channel under test:
Verify, with the Multimeter, the insulation between the heatsink and the
TR8,10 transistors collectors.
Turn the trimmer VR1 full clockwise and VR2 full counter-clockwise to re-
adjust the Bias current.
➭SETUP:
Connect the scope CH1 and the amplifier as described in Dc Supply Final
Check section.
Connect the CH2 probe tip to the heatsink of the channel under test.
Insert the temperature meter through the PTC R27 (for CHB) or through
the TR15,16 (for CHA) interstice located on the Power Amplifier Board at
centre of heatsink.
Set the LEVEL potentiometers at maximum.
➭INITIAL TEST:
Increase slowly the Variac. The channel output signals must be symmetri-
cal respect the GND without visible distortion and oscillation. If there is a
distortion read the section ADVICES and proceed to check the other
channel.
Increasing the level of input signal the signal clip must occur at 180±
5Vpp.
➭BANDWIDTH CHECK:
Decrease the level to obtain a 50Vp output signal, sweep the generator