
_______________________________________________________________________________________________________________________________
European Safety Systems Ltd. Impress House, Mansell Road, Acton, London W3 7QH www.e2s.com Tel: +44 (0)208 743 8880
Document No. D226-00-145-IS_Issue_4 20/04/2023 Sheet 3 of 5
11) Earthing
The Alarm Bar is provided with an M6 earth screw on the
mounting plate. Earthing connections should be made to the
M6 earth screw, using a ring crimp terminal to secure the
earth conductor.
Please see individual product instruction manual for details of
earthing each beacon
12) Cable Connections
Electrical connections are to be made into the terminal block
and PCBA located in the first beacon. See section 8 of this
manual for access to the enclosure. See also individual
manuals for detail on wiring into PCBA terminals.
Wires having a cross sectional area between 0.5 mm² to
2.5mm² can be connected to each terminal way. Strip wires
to 8mm. Wires may also be fitted using ferrules. Terminal
screws need to be tightened down with a tightening torque of
0.45 Nm / 5 Lb-in. When connecting wires to the terminals
great care should be taken to dress the wires so that when
the cover is inserted into the chamber the wires do not exert
excess pressure on the terminal blocks. This is particularly
important when using cables with large cross-sectional areas
such as 2.5mm².
PCBA TERMINALS
CABLE ENTRY
INTERNAL EARTH BOSS
T8
T7
T6
T5
T4T3
T2
T1
TERMI NAL
BLOCK
Fig. 4: Entry Unit (Beacon 1) Internal Detail & Terminal Block
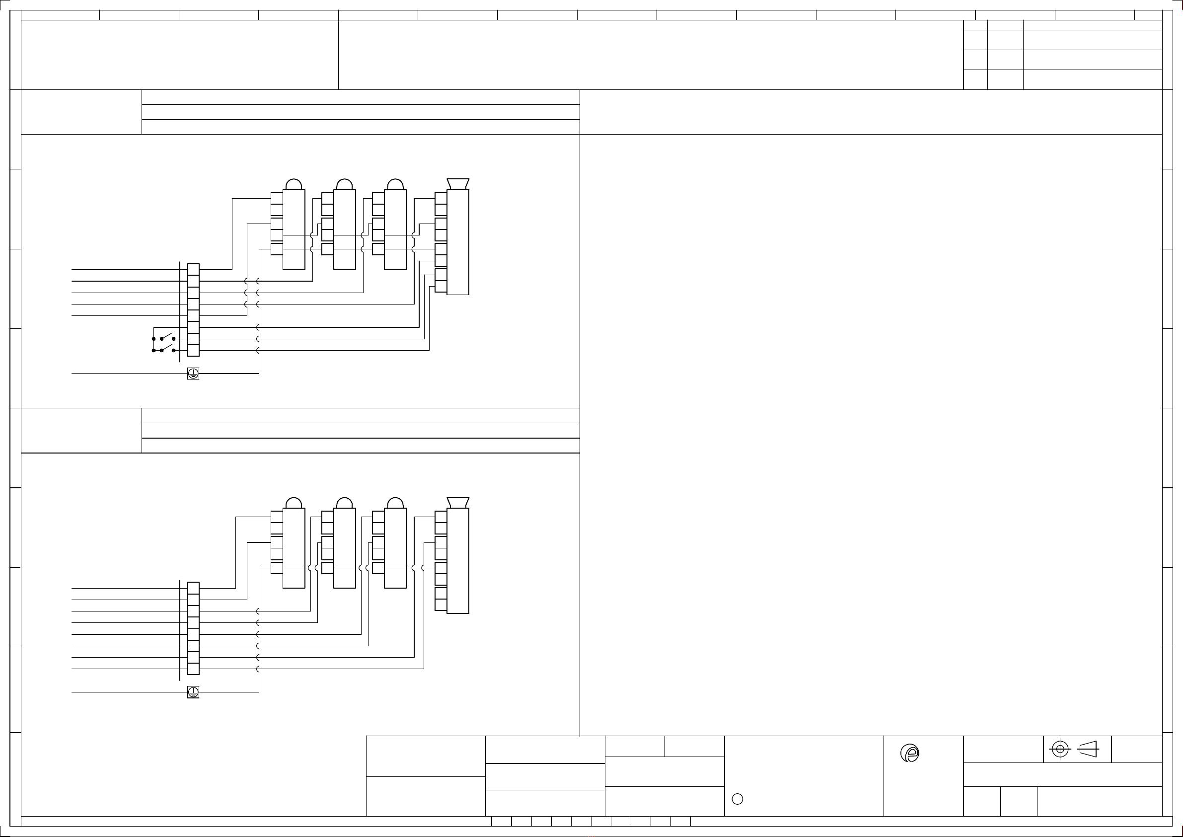
13) Wiring
For wiring diagrams, see schematic document D226-06-145
See table 3 at the end of this manual for list of standard
configurations.
Note:
For units with product codes where Product Option = X or W,
please see special wiring schematic supplied with the unit
documentation.
14) Interchangeable & Spare Parts
The Beacon lens cover is interchangeable, contact E2S Ltd
for a replacement lens cover available in various colours.
To change the lens cover, unscrew the 4-off M5 socket head
screws, spring and flat washers using a 4mm Hex key.
Remove the wire guard and replace the old lens cover with
the new lens cover.
Fit the wire guard back onto the housing, over the new lens
cover aligning the fixing holes of the guard, lens cover and
housing. Refit the fixings to hold into place, the fixings MUST
be fitted in the order shown above.
Fig. 5: Replacement
of beacon lens cover
Optional Duty Labels can be placed to suit either the vertical
mounting position (default) or a horizontal mounting position.
See figure 6 for configuration details.
Fig. 6: Duty label assembly and configurations
To move the duty labels, use a spanner or equivalent tool to
carefully remove the hex nuts and spring washers from the
positions shown on the rear of the plate. Care should be
taken not to drop them, especially if working from height.
M5 screw
M5 spring washer
Vertical
Horizontal
M4 screw
M4 spring washer
Duty Label
(Horizontal Position)
Hex Spacers
(Optional on
Duty Label