
EVO Control Panel
Table of Contents
Introduction..................................................................... 1
Features of EVO48 .................................................................. 1
Features of EVO192 ................................................................ 1
Hardware Difference ................................................................ 1
Specifications ........................................................................... 1
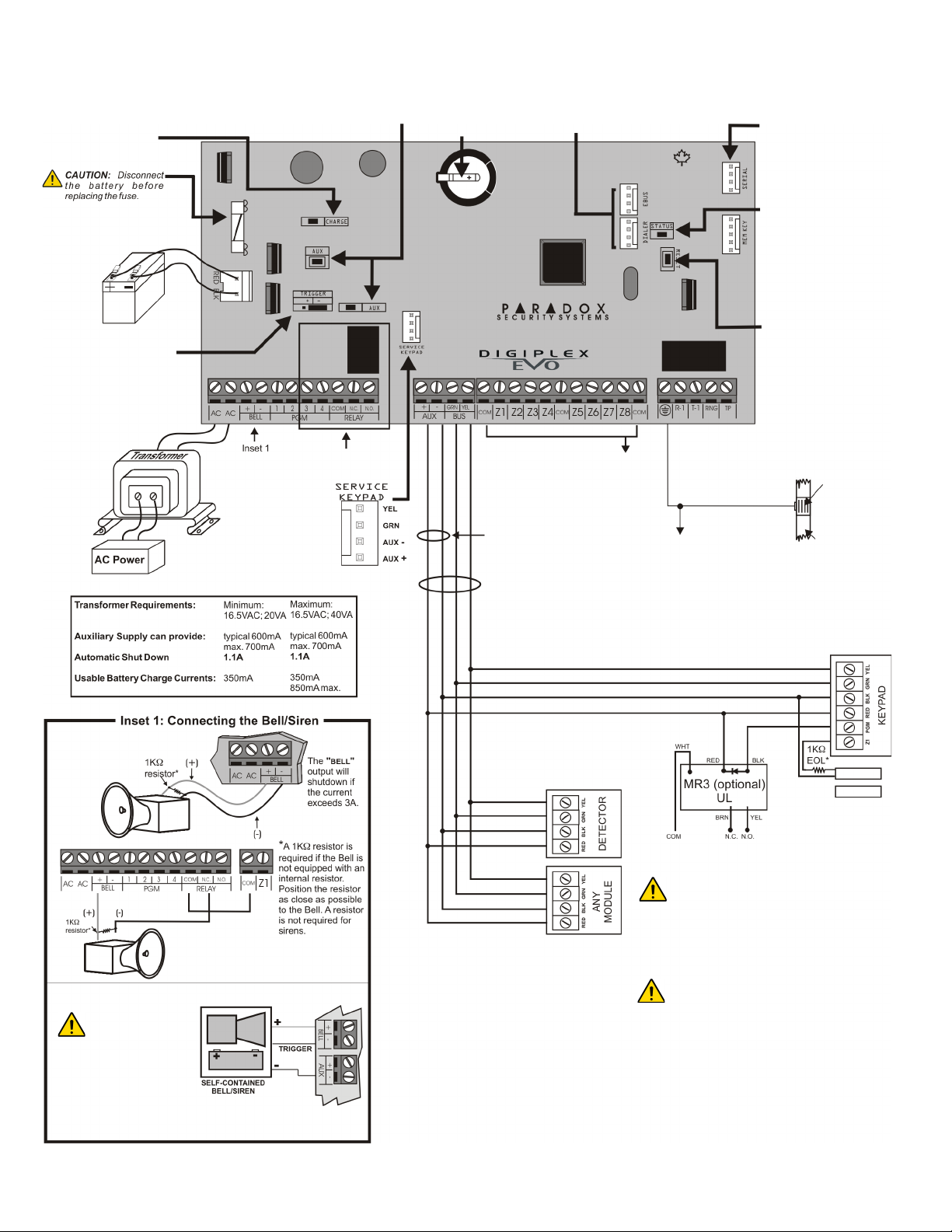
Installation....................................................................... 2
Recommended Installation Procedure ..................................... 2
Location & Mounting ................................................................ 2
Earth Ground............................................................................ 2
AC Power ................................................................................. 2
Backup Battery......................................................................... 2
Auxiliary Power Terminals........................................................ 2
Bell/Siren Output ...................................................................... 2
Programmable Outputs ............................................................ 2
Keyswitch Connections ............................................................ 2
Access Control Connections .................................................... 2
Calculating Power Requirements ............................................. 4
Keypad Zone Connections....................................................... 5
Addressable Zone Connections ............................................... 5
Double Zone Connections........................................................ 6
Combus Connections............................................................... 6
Fire Circuits .............................................................................. 7
Telephone Line Connections ................................................... 7
Built-in RTC.............................................................................. 7
Programming Methods .................................................. 8
WinLoad Uploading/Downloading Software* ........................... 8
Paradox Memory Key............................................................... 8
Module Broadcast .................................................................... 8
Programming Through a Keypad ............................................. 8
Module Programming Mode ..................................................... 8
Zone Programming......................................................... 9
Zone Programming ................................................................ 10
Zone Numbering .................................................................... 10
Zone Doubling (ATZ).............................................................. 10
Zone Definitions ..................................................................... 10
Zone Partition Assignment ..................................................... 11
Zone Options.......................................................................... 11
Input Speed............................................................................ 12
EOL on Hardwire Zones......................................................... 13
Keypad Numbering ................................................................ 13
Remote Control Programming .................................... 14
Hardware Requirements ........................................................ 14
Remote Control Template ...................................................... 14
Keyswitch Programming ............................................. 15
Keyswitch Numbering ............................................................ 15
Keyswitch Definitions ............................................................. 15
Keyswitch Partition Assignment ............................................. 15
Keyswitch Options.................................................................. 15
Arming and Disarming Options .................................. 16
Arming Follows Partition ........................................................ 16
Trouble Latch ......................................................................... 16
Restrict Arming on Supervision Loss ..................................... 16
Restrict Arming on Tamper .................................................... 16
Restrict Arming on AC Failure................................................ 16
Restrict Arming on Battery Failure ......................................... 16
Restrict Arming on Bell or Auxiliary Failure ........................... 16
Restrict Arming on TLM Failure ............................................. 16
Restrict Arming on Module Troubles ..................................... 16
Timed Auto-Arming................................................................ 16
No Movement Auto-Arming ................................................... 16
Auto-Arming Options ............................................................. 17
Switch To Stay Arming .......................................................... 17
Always Force Arm when Regular Arming .............................. 17
Auto Force on Stay Arming.................................................... 17
Follow Zone Switches to Entry Delay 2 ................................. 17
One-Touch Features.............................................................. 17
Exit Delay............................................................................... 17
Keypad Lock-out Feature ...................................................... 17
Bell Squawk ........................................................................... 18
Ring-back............................................................................... 18
Maximum Bypass Entries ...................................................... 18
Display “Bypass” If Armed ..................................................... 18
Alarm Options ............................................................... 19
Bell/alarm Output ................................................................... 19
Bell Cut-off Timer................................................................... 19
Wireless Transmitter Supervision Options............................. 19
Police Code Timer ................................................................. 19
Tamper Recognition Options ................................................. 19
Keypad Panic Options ........................................................... 20
Event Reporting............................................................ 21
Reporting Enabled ................................................................. 22
Report Codes......................................................................... 22
Report Arming and Disarming ............................................... 23
Monitoring Station Phone Number......................................... 24
Account Number .................................................................... 24
Account Number Transmission.............................................. 24
Reporting Formats ................................................................. 24
Event Call Direction ............................................................... 24
Pager Delay ........................................................................... 25
Recent Close Delay ............................................................... 25
Power Failure Report Delay................................................... 25
Power Failure Restore Report Delay ..................................... 25
Repeat Pager Report Code Transmission............................. 25
Auto Test Report.................................................................... 25
Disarm Reporting Options ..................................................... 25
Zone Restore Report Options................................................ 25
Auto Report Code Programming ........................................... 26
Closing Delinquency Timer.................................................... 26
Dialer Options ............................................................... 27
Telephone Line Monitoring .................................................... 27
Tone/Pulse Dialing................................................................. 27
Pulse Ratio ............................................................................ 27
Busy Tone Detection ............................................................. 27
Switch To Pulse ..................................................................... 27
Bell On Communication Fail .................................................. 27
Keypad Beep on Successful Arm or Disarm Report.............. 27
Dial Tone Delay ..................................................................... 27
VDMP3 Voice Module ................................................... 28
VDMP3 Installation Instructions............................................. 28
Feature activation (PGMs)..................................................... 28
VDMP3 Setup Instructions..................................................... 28