
6159946890_10
Series: C Français
(French)
10 / 36 12/2018
Instructions originales.
© COPYRIGHT 2018, DESOUTTER HP2
7SJ UK
Tous droits réservés. Tout usage illicite ou copie
totale ou partielle sont interdits. Ceci s’applique
plus particulièrement aux marques déposées,
dénominations de modèles, numéros de
pièces et schémas. Utiliser exclusivement les
pièces autorisées. Tout dommage ou mauvais
fonctionnement causé par l’utilisation d’une
pièce non autorisée ne sera pas couvert par la
garantie du produit et le fabricant ne sera pas
responsable.
DÉCLARATION D’UTILISATION
Ce produit est conçu pour le ponçage ou
l'enlèvement de matière au moyen d'abrasifs ou
d'accessoires de ponçage.
Aucune autre utilisation n’est autorisée.
Réservé à un usage professionnel.
Avant toute intervention sur la machine,
débrancher l’outil du réseau d’air comprimé ou
couper celui-ci.
INSTRUCTIONS
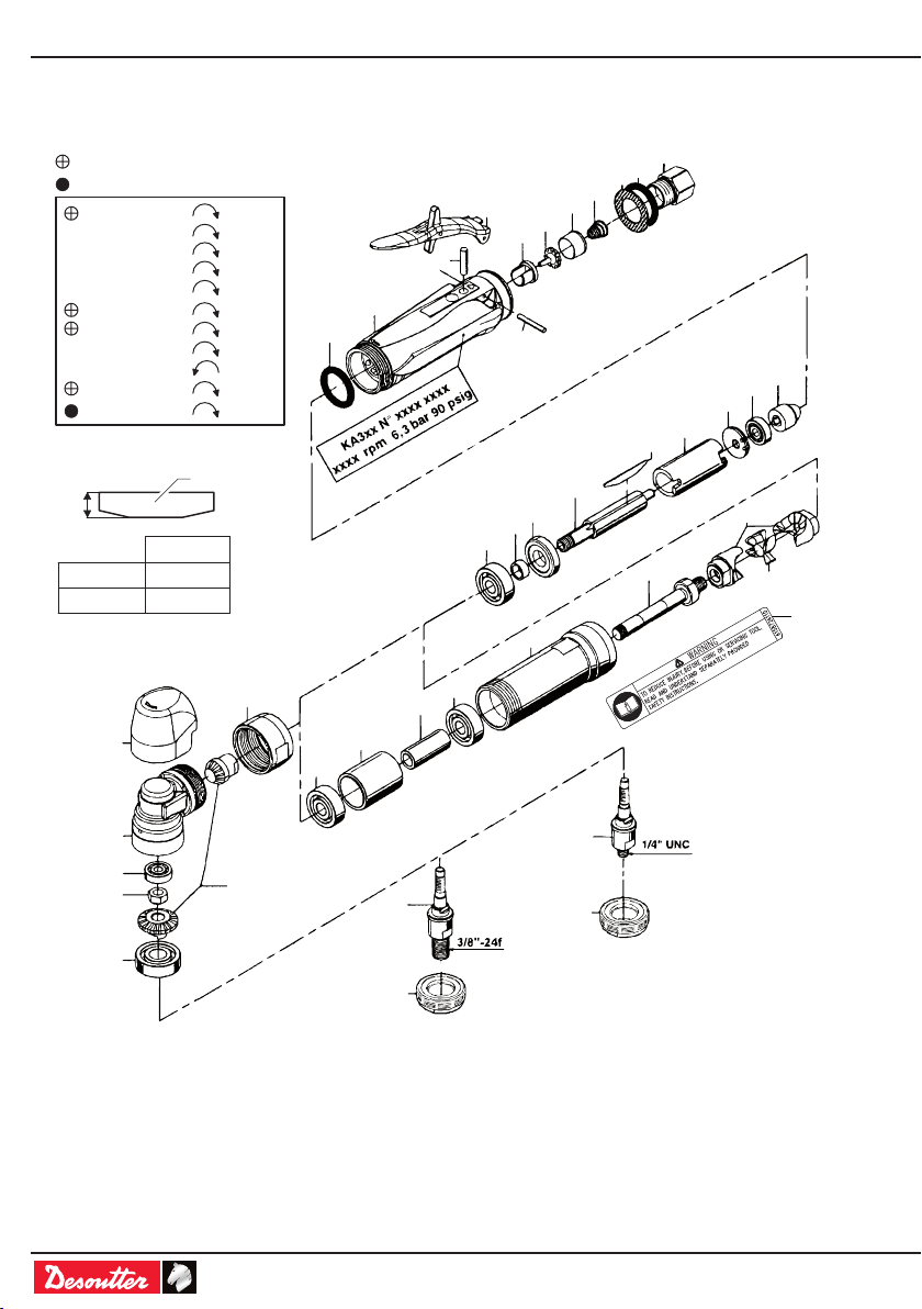
Voir page 3.
L'outil est étudié pour une pression
d'utilisation de 6,3 bar (90 psig). L'air
comprimé doit être propre. L'installation
d'un ltre est recommandée. Pour un
maximum d'efcacité et de rendement,
les caractéristiques du tuyau
d'alimentation en air (tuyau anti-statique)
devront être respectées. (Raccordement
air comprimé voir dessin N°2).
Contrôler la vitesse à vide de l'outil à
intervalles réguliers et après chaque
utilisation ou entretien. Retirer l'abrasif
pour contrôler la vitesse. La vitesse
maximum autorisée marquée sur l'outil
ne doit pas être dépassée et le niveau de
vibration ne doit pas être excessif.
Pour les systèmes d'aspiration de
poussières, merci de contacter votre
revendeur.
DONNÉES
Voir page 3.
Niveau de bruit et émission de vibrations
déclarés
Voir page 32.
Niveaux de vibration.
Niveaux sonores.
ahd, ah: Niveaux de vibration.
K / KpA = KWA = 3 dB : Incertitude.
LpA : Niveau de pression acoustique.
LWA : Niveau de puissance acoustique.
Toutes les valeurs sont celles connues à la date
de publication du présent document. Pour obtenir
les renseignements les plus récents, visiter le site
www.desouttertools.com
Ces valeurs ont été obtenues par des essais
en laboratoire conformément aux normes
indiquées; elles ne peuvent pas être utilisées
pour l’évaluation des risques. Les valeurs
mesurées sur les lieux de travail individuels
peuvent être supérieures aux valeurs indiquées.
Les valeurs d’exposition et le risque de préjudice
réels dépendent de l’utilisateur et de sa condition
physique, de la méthode de travail utilisée,
de la pièce de travail, de la conception de la
station de travail et du temps d’exposition.
Desoutter ne saurait être tenue responsable
des conséquences de l’utilisation des valeurs
ci-dessus au lieu des valeurs représentatives de
l’exposition réelle, dans les études de risques
individuelles sur les lieux de travail qui échappent
à notre contrôle. Cet outil peut provoquer des
Troubles Musculo-Squelettiques, si son utilisation
n'est pas correcte. Un guide communautaire de
la prévention des TMS peut être trouvé sur le
site :http://www.pneurop.eu/uploads/documents/
pdf/PN3-02-NV_Declaration_info_sheet_0111.pdf
Nous recommandons un programme de
surveillance de la santé pour détecter les
premiers symptômes se rapportant au bruit ou
à l'exposition aux vibrations, et de modier
les conditions travail pour aider à prévenir les
troubles à venir.
LUBRIFICATION
Cet outil est équipé de palettes pouvant
fonctionner sans air lubrié. Toutefois une
petite quantité d'huile permet à l'outil de
fournir toute sa puissance et prolonge sa
durée de vie. L'utilisation d'air asséché
ne comportant aucune trace d'huile peut
réduire la durée de vie des palettes.
Graissage du couple conique. Quantité
de graisse : 1 gramme. Graisse
recommandée : 6159901480 (Qté :
1 kg.). L’utilisation d’une toute autre
graisse, en quantité supérieure ou
inférieure, nuirait à la longévité et au bon
fonctionnement des pignons d’angle.