
Section II - Installation
GENERAL INFORMATION
Scope
This section provides detailed installation and interconnection instructions for the AIU-900 Autopilot
Interface Unit. Please read this manual carefully before beginning any installation to prevent damage and
post installation problems. Installation of this equipment requires special knowledge and tools.
Installation Requirements
The AIU-900 requires specialized knowledge and tools for an effective installation. An appropriately
rated Certified Repair Station must install this equipment in accordance with applicable regulations.
Deklin Technologies, Inc warranty is not valid unless installed by an authorized FAA approved repair
station. Failure to follow any of the installation instructions, or installation by a non-certified individual or
agency will void the warranty and may result in a non-airworthy installation.
Unpacking and Inspection
Use care when unpacking the equipment. Inspect the unit and all the parts supplied for visible signs of
shipping damage. Examine the unit for loose or broken pieces. Verify the correct quantity of components
supplied with the list in Section I. If any claim is to be made, save the shipping material and contact the
freight carrier. DO NOT return any items damaged in shipping to Deklin Technologies, Inc. If any items
show signs of external shipping damage, contact Deklin Technologies, Inc for a replacement. Do not
attempt to install a damaged unit. Equipment returned to Deklin Technologies, Inc for any other reason
should be shipped in the original packaging, or other UPS approved packaging.
INSTALLATION PROCEDURES
Cooling Requirements
Forced air-cooling is not required for the AIU-900. However, the equipment should be kept away from
heat sources without adequate cooling provided. (i.e. defrost or heating ducts, dropping resisters, heat
producing avionics.)
Mounting Requirements
The AIU-900 must be mounted inside the pressure vessel in a temperature controlled environment unless
the aircraft’s service ceiling is less than 25,000 feet.
The AIU-900 must be rigidly mounted to a secure structure in accordance with FAA Advisory Circular
AC 43.13-2B. The unit should be mounted in an area with adequate clearance for the unit and associated
wiring.
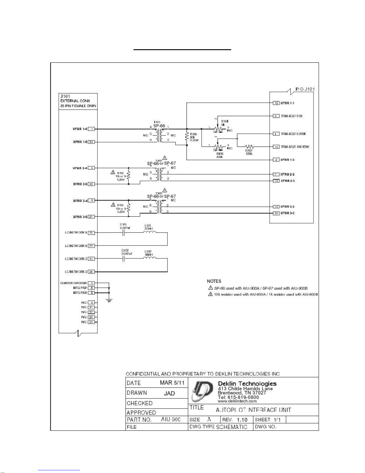
Cable Harness Wiring
Refer to the included wiring diagrams for pin out configurations. All wires must be MIL-SPEC in
accordance with current regulations. All shielded wire should be MIL-C-27500 or equivalent (with solder
sleeves for shield termination) and must be used where specified. Proper stripping, shielding and
soldering techniques must be used at all times.
Refer to FAA Advisory Circular AC 43.13-2B for more information. Failure to use correct techniques
may result in improper operation, electrical noise, and/or unit failure. Damage caused by improper
installation will void warranty.
Deklin Technologies, Inc. 2011 2