
Capacitors shown are not necessary when using filtered DC
track power. If unfiltered DC, only one may be necessary. Static
in the amplifier will be the clue for more capacitance. It never
hurts to have the capacitors in place for more filtering of the DC
track power in the locomotive.
Utilizing Fixed DC or AC track power to provide the
Power Amplifier and DC Sound System power in
lieu of batteries in an on board application with
receiver operating from track power.
"•" denotes connection, join wires together & insulate.
Otherwise wires are just passing over and do not connect.
Replaces Battery Power Input
as shown in wiring diagrams for
DC sound systems.
Connect to J2 of Sound System
with RED to +DC and GRAY to
– DC. Also connect to Amplifier
RED to +DC and BLACK to
–DC.
Be sure to wire the "+" and "–"
correctly!
Track Pickup
Left Rail Pickup
Right Rail Pickup
Bridge Rectifier
4A 100piv
(Item #371)
+ DC
– DC
2 x 4,700 mfd @ 25 vdc
(item 205)
Observe polarity!
+
–+
–
Using two or more sound sytems with 1 amplifier
By placing a 1k resistor in series with each sound
systems output and then tying them together a mono
channel can be obtained for utilizing a single amplifier.
This drawing is shown to the right.
When using DCC or other AC type input, DC power for
the amplifier can be obtained from one of the sound
systems as shown. The other sound system can be
powered from the DCC or AC source as well as the same
DC source used to power the sound system. The top
sound system has to be powered in oreder for this
common power method to work. You may also provide
for more DC filtering, if needed, by placing a large
electrolytic across the DC power.
1k
1k
Amplifier
power input.
Only 1 output from each sound
system is needed. If desired, you
can still power another speaker
from each sound system!
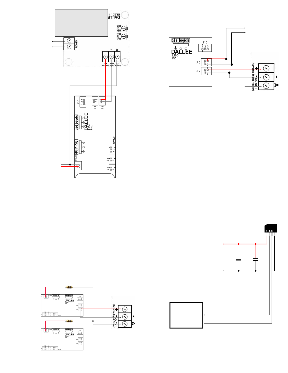
Using with DCC or other fixed voltage track power
system and Dallee Electronics DC Sound System.
When using a single Dallee Sound system, wire the DCC track
power as shown (pins 5 & 6). Wire the DC output terminals (pins
3 & 4) to the amplifier. Do NOT get the polarity reversed to the
amplifier! That would destroy it and is not covered under any
warranty!
All functions, motor inputs, audio input get wired as before,
shown in the sound systems instructions.
When using a dual system, only wire one of the sound system to
the track power (J1) input. Wire the other sound system to
operate from the DC (J2) power as shown for the amplifier
above.
If 60 Hz track power is present, extra filtering of the DC power
(from J2) is required. Use a 6800mfd or higher value capacitor
with at least a 25 volt rating.
POWER
AMPLIFIER
DCC or other fixed
voltage Track
Power
Gray
Red
Gray
Red
Black
Gray wire from sound
unit. Tape end of red
wire to prevent shorting.
Version 3 DC
Sound System
1
2
3
Power and audio connections shown. All other items get
connected as per previous instructions / installation
chosen. Remeber, the audio amplifier's require at least
12 volts to operate with a 24 volt maximum limit.
Auxillary Amplifier connections with two speakers.
Speaker 1
Speaker 2