
Features
• Amplifier output terminals on barrier strip with 0.44" (11mm) screw spacing and 0.32" (8mm) lug spacing
• 5mm 6-pin Phoenix connector for sequential turn-on/off (STO) connection
• Signal chassis ground lift jumper
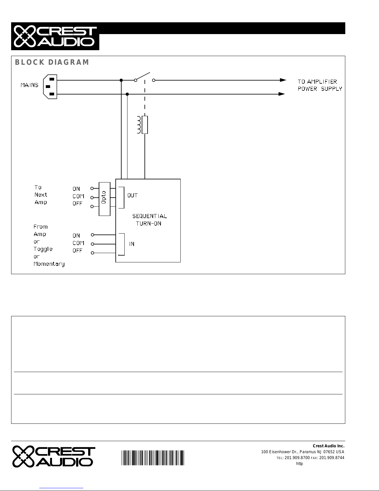
CC-SIO Sequential Turn-On/Off (STO); self powered prior to AC Mains closure
Product Information
The CC-SIO Module fits in the Power/Output bay located on the rear
panel of Crest Audio CKS, CKV & CKX Series Power Processing
amplifiers. It provides Sequential Turn-On/Off (STO) capability without
the need for an external VDC supply. It is similar in operation to the
CC-STL (offered as standard with all CKS, CKV & CKX Series ampli-
fiers) but is self-powered prior to the AC mains closure and optically
isolated from other amplifiers in the turn-on chain. The feed thru turn-on
delay is fixed at approximately 200ms to reduce inrush current demands
to the AC mains source. Should any amplifier in the chain fitted with a
CC-SIO be turned off, or its circuit breaker tripped, it will not effect oth-
ers during STO.
Although not NexSys®compatible, CC-SIO equipped amplifiers in the
STO chain will accept turn-on commands generated from NexSys com-
patible NC-STI, NC-SAC and NC-SLM Power/Output Modules
installed in other amplifiers.
A three-position front panel power switch is fitted to all CKS, CKV &
CKX amplifiers. This must be in the “Remote” position for the CC-SIO
to initiate an STO sequence.
POWER/OUTPUT MODULE
FOR CKS, CKV & CKX SERIES
POWER PROCESSING AMPLIFIERS
Model
CC-BLK
Designed & manufactured in the USA by:
Crest Audio Inc.
100 Eisenhower Dr.
Paramus, New Jersey 07652 USA
Model
Name
CKS 100
CKS 200
CKS 400
CKS 800
CKS 800-2
CKS 1200-2
CKS 1600-2
Output Power
@8Ω/Ch.
50W
100W
200W
400W
400W
600W
800W
Model
Name
CKV 100
CKV 200
CKV 400
CKV 800
CKV 1600
CKV 2400
Output Power
@70.7V
50W
100W
200W
400W
800W
1200W
LISTED 8B42
COMMERCIAL
POWER
AMPLIFIER
120V~60 Hz 15A
Model
CC-SIO
Sequential
Turn-On
Output
A
B
+
+
–
–
Signal
Ground
Lift
Jumper
Com
On
Off
Com
On
Off
In
Out
CLASS 2
WIRING MAY
BE USED
+
--
+
--
Sequential Turn-On/Off
connection to other
amplifiers
On
Off
Com
On
Off
Com
Architects and Engineers Specifications - CC-SIO.
The module shall plug into a Crest Audio CKS or CKV Power Processing amplifier in the
Power/Output bay. The module shall provide non-NexSys initiated sequential turn-on/off
capability for the host CKS and/or CKV amplifier and others in the chain. A 5mm six pin
Phoenix connector shall be provided to receive and pass on the turn-on initiation signal.
A closure across two of the Phoenix connector terminals on the first amplifier in the chain
shall initiate the turn-on/turn-off sequence. Disconnection of AC power to any number of
amplifiers in the chain shall not affect the turn-on sequence capability of all other amplifiers
in the chain. The module shall provide outputs for both amplifier channels on barrier strip
connectors and a signal ground lift jumper. The module shall be designated the Crest Audio
model CC-SIO.
CC-SIO connections
Power
Processing
Modules
USA-specification amplifier shown